网站首页  词典首页


请输入您要查询的字词:

 

字词 轿顶绳轮及绳头板
类别 中英文字词句释义及详细解析
释义

轿顶绳轮及绳头板


反绳轮也称轿顶轮,是轿厢架上的零部件,一般设在轿厢架和对重装置的上部,按需可由曳引绳绕过其上从而可构成不同的速比。

绳头板是绳头组合的附件,圆形板状结构,被焊接在轿厢架对重架等处,钢丝绳主索端绳套卸扣杆牵拉部分的板。当挂索法为1∶1时,绳头板设在轿厢上框架及对重框架上;当挂索法为2∶1时,绳头板设在机房的承重梁上。

维保中主要检查:

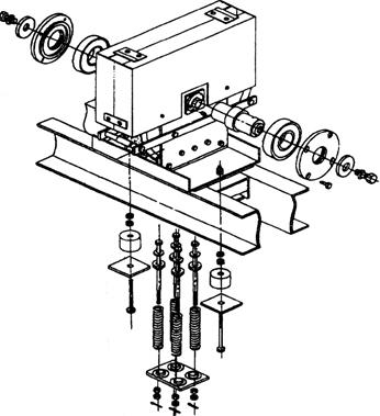
(1)使用测试锤检查轿顶反绳轮安装螺栓是否紧固;如有松动,则需要紧固。轿顶反绳轮的结构如图16.3-1所示。

图16.3-1 典型的轿顶反绳轮结构示意

(2)用手摸触感觉轿顶反绳轮轴承的工作温度,看看是否发热。

(3)清除轴承上多余的油脂。

(4)检修速度运行电梯,仔细倾听反绳轮轴承工作时是否有异常声响;如果有异常声音,可以如图16.3-2所示,使用螺丝刀辅助判断。

图16.3-2 螺丝刀辅助判断轿顶绳轮示意

(5)清洁轿顶反绳轮绳槽内油污。

(6)检查反绳轮下面的污物中是否有曳引绳与反绳轮摩擦下来的铁屑,如果有,仔细检查反绳轮绳槽,磨损严重需要更换反绳轮;检查曳引绳(曳引绳保养见本书后面部分),如果发现曳引绳有问题,需要更换曳引绳。

(7)对于使用螺栓固定的绳头板使用检测手锤敲击检查固定螺栓的松紧;对于焊接固定的,检查焊接带。

随便看

 

离鸟网收录3541549条中英文词条,其功能与新华字典、现代汉语词典、牛津高阶英汉词典等各类中英文词典类似,基本涵盖了全部常用中英文字词句的读音、释义及用法,是语言学习和写作的有利工具。

 

Copyright © 2004-2024 vtrois.com All Rights Reserved
更新时间:2026/4/21 13:01:32