网站首页  词典首页


请输入您要查询的字词:

 

字词 特殊压裂工艺
类别 中英文字词句释义及详细解析
释义

特殊压裂工艺


(一)水力喷砂射孔压裂

1.用途 降低岩盐层的破裂压力值,提高压裂连通的成功率。

2.特点 喷射孔道深,在石灰岩地层中可达0.4m左右,在岩盐层内可达0.5~0.8m;孔眼大,一般在套管上为18~21mm,在岩层中为50~70mm;孔眼规则,射孔时无震动,一般不会损伤套管和水泥环。见图3-3-50。

图3-3-50 水力喷射所造成孔道的纵剖面示意图

3.常用的喷射压裂的管柱结构 通常由油管、高压水力锚、短节、高压封隔器、定压凡尔、喷射器、球座等组成,见图3-3-51。

图3-3-51 喷砂射孔压裂管柱结构示意图

1-油管 2-高压水力锚 3-短节 4-高压封隔器 5-高压凡尔 6-喷砂射孔器 7-球座

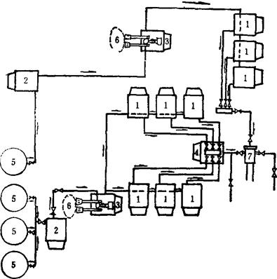
4.水力喷砂射孔压裂工艺流程 见图3-3-52。

图3-3-52 压裂施工井场布置图

1-压裂车 2-供水车 3-加砂车 4-管汇车 5-水罐 6-砂堆 7-井口

5.喷嘴结构 现用硬质合金拔丝模铆到软钢胎体中的方法制作,表面堆焊钨钢粉作为防护层。其结构如图3-3-53,主要由聚流段和圆柱段两部分组成。

图3-3-53 喷嘴示意图

根据实践,在现有设备能力条件下,主要部分尺寸为:

喷嘴直径 d=3.5~4.5mm

圆柱段长度 L=2.5~3d

聚流段弯曲半径 R=15~17mm

6.下井管串要求 管串要试泵压,防止施工时丝扣渗漏刺断;喷砂射孔枪上部应配备反循环凡尔和足够的水力锚;喷嘴表面与套管的间隙一般应大于10mm。

7.施工参数

砂子直径:0.25~0.5mm

悬砂液:一般使用的有清水或粘度为30s左右的CMC(碱性羧甲基纤维素钠盐)溶液。

混砂比:8~13%(体积百分比)

喷射速度:200m/s左右

喷射时间:25~30min

8.砂子与悬砂液

(1)砂子用量=总孔数×喷嘴流通面积×喷射速度×施工时间×含砂比×砂子视比重(施工中一般多准备10%,作为损耗)。

(2)悬砂液用量=总孔数×喷射时间×喷射速度×喷嘴流通面积+井筒容积×循环或冲砂的总次数(在有沉砂和回收悬砂液装置时,可酌情减少)。

(3)对砂子要求 需用纯净的石英砂。原砂经水洗、烘干、大小两次筛选处理,方可使用。

9.喷砂射孔枪 可用单级或多级枪进行射孔。每级枪沿圆周均匀分布3个或4个喷嘴,每支枪一般可射1~2排孔。使用时,分投不同直径的钢球,使各级枪自下而上的逐次进行工作,见图3-3-54。喷砂射孔器推荐参数见表3-3-33。

图3-3-54 喷砂射孔枪

1-主体 2-紫铜垫片 3-喷嘴体 4-油管

表3-3-33 喷砂射孔器推荐参数(中深井)

喷射时62mm(″)油管伸长曲线见图3-3-55。

图3-3-55″油管伸长曲线

λ自伸-油管自重伸长 λ320、λ300、λ250、λ200-施工压力在32、30、25、20MPa下的油管受压伸长 油管总伸长=λ自伸+λ加压伸长

(二)水力定向、定位喷射压裂

水力定向喷射压裂,是采用单向喷嘴(或喷枪)向一个方向进行喷射压裂。水力定位喷射压裂,是采用旋转喷枪,在设计的位置进行旋转喷射压裂。

1.用途

(1)先期建槽,相对保护岩盐层顶板,降低岩盐层的破裂压力;

(2)进行定向或定位水力喷射;

(3)提高压裂连通的成功率。

2.特点

(1)采用饱和盐水作压裂液;

(2)采用偏心弯接头或嵌磁法定向;

(3)采用单向三喷嘴,旋转喷枪,水平单喷枪,斜向单喷嘴等方法进行喷射。

3.主要参数(根据威西岩盐体试验数据)

(1)喷射压力 30~34MPa

(2)喷射速度 220~290m/s

(3)喷射时间 9~13min

(4)喷射时排量0.3~0.5m3/min

威西岩盐体水力喷射试验数据,见表3-3-34。

表3-3-34 威西岩盐体水力喷射试验数据

两种井底定向法的管串结构组合示意,见图3-3-56。

(1)偏心弯接头定向管串组合 (2)嵌磁法定向管串

图3-3-56 两种井底定向管串结构组合示意图

随便看

 

离鸟网收录3541549条中英文词条,其功能与新华字典、现代汉语词典、牛津高阶英汉词典等各类中英文词典类似,基本涵盖了全部常用中英文字词句的读音、释义及用法,是语言学习和写作的有利工具。

 

Copyright © 2004-2024 vtrois.com All Rights Reserved
更新时间:2026/4/21 18:52:02