网站首页  词典首页


请输入您要查询的字词:

 

字词 账务组织
类别 中英文字词句释义及详细解析
释义 账务组织

账务组织就是指各种账簿的设置以及各类账簿在数字记载和账务核对方面的相互关系。账务组织主要由各种账簿组成,但为核算的严密性,还设置了有关表、单,作为账务组织的组成部分。

账务组织要求结构严密,并能保证核算资料的系统、完整、准确。从我国银行历史上采用的账务组织来看,主要可分为复式凭证和日记账的账务组织、单式凭证和科目日结单的账务组织。目前采用后一种账务组织,便于按科目汇总发生额和登记总账。今后随著电子计算机在会计部门的广泛应用,采用复式凭证和日记账的账务组织更有利于严密监督和提高账务处理速度。

金融企业的账簿分为序时账、分类账和登记簿。序时账是按业务发生的先后顺序进行登记的账簿,如现金收入日记簿和现金付出日记簿;分类账包括总分类账和明细分类账;登记簿是明细分类账的辅助账簿,用以登记明细分类账簿未能或不必记载而又需要登记和查考的业务事项。

账务组织包括明细核算和综合核算两个系统。明细核算是按账户核算,反映各单位或各项资金增减变化及其结果的详细情况的核算系统;综合核算则是按会计科目汇总核算,反映各类资金的增减变化及其结果的总括情况的核算系统。这两个核算系统都是根据同一会计凭证进行平行登记,分别核算的。明细核算对综合核算起著补充作用,综合核算对明细核算起著统驭作用,两者构成了一套完整的、科学的、严密的账务组织体系。

(一)明细核算

明细核算分户反映各科目详细情况,由分户账、登记簿、余额表和现金收付日记簿组成。

1.分户账

分户账是明细核算的主要账簿,按单位或资金性质立户,是各科目的详细记录。分户账根据凭证逐笔连续记载,以具体反映每个账户的资金活动情况,因而,分户账是办理业务和与客户核对账务的重要工具。分户账的格式除按业务需要规定的专用格式外,一般设有甲、乙、丙、丁四种。

(1)甲种账(表2-2-14)设有借、贷方发生额和余额三栏,适用于不计息或用余额表计息的账户。

表2-2-14 ××银行

(2)乙种账(表2-2-15)设有借、贷方发生额、余额、积数四栏,适用于在账页上计息的账户。

表2-2-15 ××银行

(3)丙种账(表2-2-16)设有借、贷方发生额和借、贷方余额四栏,适用于借贷双方反映余额的账户。

表2-2-16 ××银行

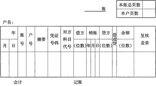
(4)丁种账(表2-2-17)设有借、贷方发生额、余额和销账四栏,适用于逐笔记账、逐笔销账的一次性业务的账户。

表2-2-17 ××银行( )

以上是分户账的四种基本格式,各金融企业根据需要全部使用或使用其中的几种。如有的行规定使用的甲种账称为“分户式账页”,使用的乙种账称为“计息式账页”,而对使用的丁种账页称为“销账式账页”。由于基本取消了借、贷双方同时反映余额的科目,因此,丙种账页使用甚少。

分户账是各账户资金增减变动的详细记录,必须按规定及时、准确登记。登记分户账时,账页上首列示的账号、户名、支票起讫号码、限额、利率、页数等应逐一填写,不得省略。摘要栏应简明扼要说明款项来源、用途和业务事实,并分别情况记载现收、现付、转借、转贷、汇出、汇入、贷款、还款等。使用电子计算机记账的,可用数码代号。以现金支票、转账支票代记账凭证时,还应填列凭证号码的后四位数。业务发生后,必须根据凭证及时逐笔准确记录借贷方发生额,并结出余额。为了简化核算手续,对同一收付款单位账户的多笔同一业务传票,可以编制汇总凭证两联(原凭证作附件),一联凭以记账、一联作回单退交客户。

记账前,必须切实核对户名、账号、印鉴、余额、凭证号码等,防止串户、透支等事故的发生。同时并注意账页上有否特殊备注(如冻结、止付等)。

损益类各账户,应具体记载发生收支的事由。收付得息采取汇总填制传票的,要填写科目、户数、利率和计息期;采取逐笔填制传票的,要写明科目、账号、起止息日期、利率、积数或本金。费用开支要写明用途和购买的物品名称、数量、单价等。

使用销账式账页,在销记了某笔款项时,应在原发生额销账栏填明销账日期。如遇一次不能销账而需分次销账时,可另设账页记载。

账页记满更换新账页时,应在新账页第一行摘要栏内填写“承前页”字样,同时将上一页最后余额过入新账页的余额栏内。采用复写账页记满时,应将对账单及时或定期送交开户单位对账。采用“对账未达清单”对账的,月末营业终了,不论账页是否记满,均应结转新账页,并将原账页的对账单交客户。对客户反馈或对账中发现的账务不符,应及时查纠更正。

2.登记簿

登记簿是为了满足某些业务需要而设置的辅助性账簿。主要用以登记需详细记载反映而一般分户账不能满足需要的业务、控制和登记表外科目、账外补充登记以及记录与核对核销账务等。登记簿有特定格式和一般格式两种。特定格式登记簿是为满足某些业务的需要而设置的专用格式,一般格式分为收入、付出和余额三栏。

3.计息余额表

计息余额表(表2-2-18)是反映分户账余额的明细表,是核对总账与分户账余额,并据以计算利息的重要工具。适用于对公存、贷款计息的各科目。

表2-2-18 ××银行( )计息余额表(甲)

计息余额表的填制依据是计息科目各分户账,每日营业终了根据分户账各户最后余额填列。当日未发生收付的账户(假日同),应根据上一日的最后余额填列,对同一科目中部分不计息账户,可以加计余额填列。每日填记后,还应按科目加计余额合计,并与总账同一科目余额核对相符。使用计算机记账的,结息期满必须打印计息余额表。

每逢旬末、月末,应将余额表中各户的余额,结出“本期未计息累计积数”,并分别按科目与同科目总账的同期未计息累计积数核对相符。如有应加应减积数,在结息时应分别填入应加、应减积数栏,以结出各账户和各科目“至结息日未计息累计积数”。

4.现金收入日记簿和现金付出日记簿

现金收入日记簿(表2-2-19)现金付出日记簿(格式与现金收入日记簿基本相同)是记载现金收入、现金付出数及现金传票张数的明细账簿,也是现金业务的序时记录,一般按照收付款先后顺序并根据现金收入和现金付出凭证逐笔登记,于每天营业终了加计现金收入和现金付出合计数据以控制现金收付总数,并与当天实际现金收付数和现金科目发生额核对。

表2-2-19 ××银行

现金收入日记簿

(二)综合核算

综合核算是反映各科目总括情况的核算系统,由科目日结单、总账、日计表组成。

1.科目日结单

科目日结单(表2-2-20)是每一会计科目当天借、贷方发生额和传票张数的汇总记录,也是登记总账的依据。

表2-2-20 科目日结单

每天营业终了,将当天处理的全部传票按科目分开,同一科目的传票分别现金付出、现金收入、转账借方、转账贷方各自加计金额和传票张数,填入该科目日结单有关栏内。

现金科目由于不另编制传票,因此该科目日结单应根据各科目日结单现金栏借、贷方数字,分别加计合计反方填记,即各科目日结单的现金借方数相加,填入现金科目日结单的贷方;各科目日结单的现金贷方数相加,填入现金科目日结单的借方;只填金额,不填传票张数。各科目日结单的借方合计汇总数与贷方合计汇总数必须平衡。

2.总账

总账(表2-2-21)是各科目的总括记录,是综合核算和明细核算相互核对和统驭分户账的主要工具,也是编制会计报表的重要依据。总账的格式为借、贷方发生额和借、贷方余额四栏式,设有固定日期和10天小计、20天小计以及月计、自年初累计、本月累计未计息积数等。总账按科目设置,每月更换。

表2-2-21 ××银行( )

总账

总账应逐日登记。每天营业终了,根据各科目日结单,登记各该科目的发生额,同时并结计余额,当日无发生额也需将上日余额填入本日余额栏。每日余额应与余额表当日同科目余额合计核对相符。

各科目总账应按旬结计累计发生额和余额,以减轻月末汇总工作。同时,亦便于与余额表同期累计未计息积数进行核对。

3.日计表

日计表(表2-2-22)是反映当日业务和财务活动,轧平当日账务的主要工具。

表2-2-22 日计表

每日营业终了,根据总账各科目的借贷方发生额和余额填列。

日计表内全部科目的借贷方发生额和借贷方余额的合计数必须各自平衡。

随便看

 

离鸟网收录3541549条中英文词条,其功能与新华字典、现代汉语词典、牛津高阶英汉词典等各类中英文词典类似,基本涵盖了全部常用中英文字词句的读音、释义及用法,是语言学习和写作的有利工具。

 

Copyright © 2004-2024 vtrois.com All Rights Reserved
更新时间:2026/4/20 22:51:08