网站首页  词典首页


请输入您要查询的字词:

 

字词 电容器
类别 中英文字词句释义及详细解析
释义 电容器

1.电容器的定义

(1)电容器:两个彼此绝缘,又相隔很近的导体,就组成一个电容器.

(2)平行板电容器:在两个正对的平行金属板中间,夹上一层绝缘物质——电介质,就组成一个最简单的电容器,叫平行板电器器.

2.电容器的充电和放电过程

(1)电容器的充电和放电过程

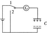
充电:如图,把开关拨到1位置时,电容器的上极板跟电源的正极相连接,下极板跟电源的负极相连接,使两极板带上等量的异种电荷,这个过程叫充电,从灵敏电流计G中可以看到向右的短暂的充电电流.

放电:充电后,把开关拨到2位置,导线把上极板与下极板连通,上极板的正电荷由电势高的上极板运动到电势低的下极板,与下极板的负电荷中和,使两极板的电荷逐渐减少,直到完全中和,使两极板不带电的过程叫电容器的放电,从灵敏电流计G中也可看到向左的短暂的放电电流.

(2)电场能

电容器充电后,两极板分别带上等量异号电荷,这时极板间就存在电场.充电过程中由电源获得的电能储存在电场中,把储存在电场中的能量称为电场能.

3.电容器充电和放电过程中,极板的电荷量、极板间电势差、场强、电场能的变化情况

(1)充电过程:极板上的电荷量逐渐增多,极板间电势差(电压)增大到与电源的电动势(电压)相等为止极板间场强逐渐增大,电场能增加.

(2)放电过程:极板上电荷量逐渐减少,电势差减小直到零,场强减小直到零,电场能逐渐转变成其他形式的能.

随便看

 

离鸟网收录3541549条中英文词条,其功能与新华字典、现代汉语词典、牛津高阶英汉词典等各类中英文词典类似,基本涵盖了全部常用中英文字词句的读音、释义及用法,是语言学习和写作的有利工具。

 

Copyright © 2004-2024 vtrois.com All Rights Reserved
更新时间:2026/4/18 19:51:41