网站首页  词典首页


请输入您要查询的字词:

 

字词 电位差及电动势的测量方法
类别 中英文字词句释义及详细解析
释义 电位差及电动势的测量方法

用伏特表测量电路中两点间的电位差及电源的电动势,由于伏特表的分流及电源多少具有一定的内阻,所以测量结果就不那么精确。

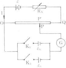
为此,比较理想的是利用补偿法来测量。电位差计(电势计)就是利用补偿法进行测量的仪器,其基本原理如下图所示,图中QPO是有精确

刻度的分压器(P是滑动点)。先断开K1接通K2,滑动P至某处P′,使OP′上的压降Vop’与标准电池的电动势εs相等时,即:

这时,通过杄流计的电流应为零,上式中

然后,断开K2,接通K1,滑动P到某处P”,使杄流计中电流为零,此时应有

于是有

在使用仪器时,一般通过调节RA使I为某一固定值,亦即使,有某一固定值,于是校正后,可由直接读出εx。

随便看

 

离鸟网收录3541549条中英文词条,其功能与新华字典、现代汉语词典、牛津高阶英汉词典等各类中英文词典类似,基本涵盖了全部常用中英文字词句的读音、释义及用法,是语言学习和写作的有利工具。

 

Copyright © 2004-2024 vtrois.com All Rights Reserved
更新时间:2026/4/18 12:00:54