网站首页  词典首页


请输入您要查询的字词:

 

字词 方向控制阀的安装连接
类别 中英文字词句释义及详细解析
释义 方向控制阀的安装连接

方向控制阀的安装连接方式可分为螺纹式、板式和法兰式,其中螺纹式连接的管口结构及技术条件可参见国家标准GB/T2878-93《液压元件螺纹连接——油口型式和尺寸》;法兰式连接的法兰结构及技术条件可参见有关的法兰标准。此处仅介绍板式连接方向控制阀的安装面。

(1)板式连接单向阀安装面

参见14.1.2(1)。

(2)四油口板式方向控制阀安装面(摘自GB/T2514-93)

本标准适用于四油口板式方向控制阀及其连接板或集成块。

A.字母符号

本标准中采用下列字母符号:

❶ 字母A、B、P、T、L、X和Y为油口符号;

❷ 字母F1、F2、F3、F4、F5、F6为固定螺钉孔符号;

❸ 字母G为定位销孔符号;

❹ 字母D为固定螺钉直径符号;

❺ 字母R为安装面圆角半径符号。

B.公差

(A)安装面,即粗点划线以内的面积,采用下列数值:

❶ 表面粗糙度:Ra不大于0.8μm;

❷ 表面平面度:每100mm距离上0.01mm;

❸ 定位销孔直径公差:H12。

(B)从坐标原点起,沿x和y轴计算孔位置尺寸的公差如下:

❶ 定位销孔:±0.1mm;

❷ 螺纹孔:±0.1mm;

❸ 油口:±0.2mm;

C.安装编号及尺寸

(A)主油口最大直径为4mm的安装面(油口尺寸代号:02):

❶ 安装面编号:GB2514-AA-02-4-A;

❷ 尺寸:表16.1-4。

表16.1-4 主油口最大直径为4mm的安装面(代号02)尺寸 单位:mm

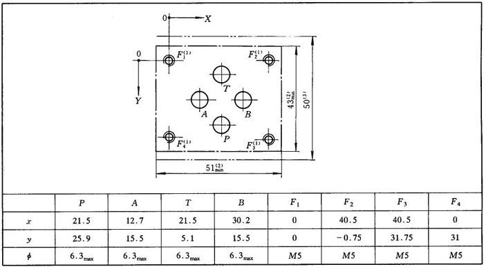
(B)主油口最大直径为6.3mm的安装面(油口尺寸代号:03):

❶ 安装面编号:GB2514-AB-03-4-A;

❷ 尺寸:表16.1-5。

表16.1-5 主油口最大直径为63mm的安装面(代号03)尺寸 单位:mm

(C)主油口最大直径为11.2mm的安装面(油口尺寸代号:05):

❶ 安装面编号:GB2514-AC-05-4-A

❷ 尺寸:见表16.1-6。

表16.1-6 主油口最大直径为11.2mm的安装面(代号05)尺寸 单位:mm

(D)主油口最大直径为17.5mm的安装面(油口尺寸代号:07):

❶ 安装面编号:GB2514-AD-07-4-A;

❷ 尺寸:表16.1-7。

表16.1-7 主油口最大直径为17.5mm的安装面(代号07)尺寸 单位:mm

(E)主油口最大直径为23.4mm的安装面(油口尺寸代号:08):

❶ 安装面编号:GB2514-AE-08-4-A;

❷ 尺寸:见表16.1-8。

表16.1-8 主油口最大直径为23.4mm的安装面(代号03)尺寸 单位:mm

(F)主油口最大直径为32mm的安装面(油口尺寸代号:10):

❶ 安装面编号:GB2514-AF-10-4-A;

❷ 尺寸:见表16.1-9。

表16.1-9 主油口最大直径为32mm的安装面(代号03)尺寸 单位:mm

D.其他技术要求

·螺钉孔的最小螺纹深度为1.5D(D是螺钉直径)。对于铸铁金属材料的安装面,固定螺钉孔螺纹旋入深度为1.25D。螺钉孔总深度为2D+6mm。

·粗点划线所规定的面积是该安装面的最小面积。矩形直角处可做成圆角,圆弧半径Rmax为D。

各螺钉孔沿X和Y轴至安装面边缘的距离相等。

·采用本安装面的每个阀所需的最小空间,也就是集成块上两个相同安装面的最小中心距。

·各定位销孔的最小深度为8mm。

·制造厂必须注明各安装面的底板或集成块的最高工作压力。

随便看

 

离鸟网收录3541549条中英文词条,其功能与新华字典、现代汉语词典、牛津高阶英汉词典等各类中英文词典类似,基本涵盖了全部常用中英文字词句的读音、释义及用法,是语言学习和写作的有利工具。

 

Copyright © 2004-2024 vtrois.com All Rights Reserved
更新时间:2026/4/18 16:08:54