网站首页  词典首页


请输入您要查询的字词:

 

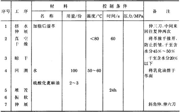
字词 山羊打光鞋面革
类别 中英文字词句释义及详细解析
释义 山羊打光鞋面革

随便看

 

离鸟网收录3541549条中英文词条,其功能与新华字典、现代汉语词典、牛津高阶英汉词典等各类中英文词典类似,基本涵盖了全部常用中英文字词句的读音、释义及用法,是语言学习和写作的有利工具。

 

Copyright © 2004-2024 vtrois.com All Rights Reserved
更新时间:2026/4/17 20:06:38