网站首页  词典首页


请输入您要查询的字词:

 

字词 冷冲模常用标准件
类别 中英文字词句释义及详细解析
释义 冷冲模常用标准件

冷冲模的标准件种类繁多,它们的标准编号如表8.1-16所列。下面介绍我国某些工厂冲压模具设计、制造中采用的部分标准件,以供参考。

1.导柱(A型)

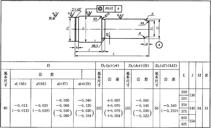
表8.1-17 导柱(A型) (mm)

1.材料:20或15。

2.热处理:表面渗碳深度0.3 mm~1.3mm,55HRC~60HRC。

3.直径d之表面粗糙度用于d1(h6)及d(h6)时为,用于dc(f7)和dc4(f9)时为

4.表面不得有擦伤、划痕、裂纹及其他缺陷。

5.不许有锐棱(以R0.5mm修钝)。

注:
❶ 冲0.9mm以下的金属板和1.5mm以下的非金属时D之配合采用d1(h5)。

❷ 冲0.3mm~0.4mm的金属板和1.5mm以上的非金属材料时,D之配合采用d(h6)。

❸ 冲4mm~8mm的金属板时,D之配合采用dc(f7)。

❹ 冲8mm以上的金属板时,D之配合采用dc4(f9)。

2.导栓(B型)

表8.1-18 导栓(B型) (mm)

1.材料:20。

2.表面渗碳深度为0.5mm~1mm,其硬度应达到55HRC~60HRC。

3.不许有锐棱和毛刺。

注:
❶ 当冲裁工件材料厚度δ<1mm时,D之配合采用d1(h5)。

❷ 当冲裁工件材料厚度δ为1mm~4mm时,D之配合采用d(h6)。

❸ 当冲裁工件材料厚度δ<4mm~3mm时,D之配合采用dc(f7)。

❹ 当冲裁工件材料厚度δ>8mm时,D之配合采用dc4(f9)。

3.导套

表8.1-19 导套 (mm)

1.材料:20或15。

2.热处理:表面渗碳深度0.8mm~1.3mm,55HRC~60HRC。

3.直径d之表面粗糙度用于d1(h6)及D(H7)级精度时为,用于D4(H8)级精度时为

4.表面不得有擦伤、划痕、裂纹及其他缺陷。

5.不许有锐棱(以R0.5mm修钝)。

注:
❶ 冲0.8mm以下的金属板和1.5mm以下的非金属材料时,d之配合采用D1(H6)。

❷ 冲0.8mm~8mm的金属板和1.5mm以上的非金属材料时,d之配合采用D(H7)。

❸ 冲8mm的金属板时,d之配合采用D4(H8)。

❹ 冲8mm以上的金属板时,D之配合采用dc4(f9)。

4.压入式模柄

表8.1-20 压入式模柄 (mm)

1.材料:A5。

2.不允许有锐棱和毛刺。

5.带螺纹模柄

表8.1-21 带螺纹模柄 (mm)

1.材料:45。

2.不得有裂纹和凹痕。

3.不允许有锐棱和毛刺。

6.带法兰盘模柄

表8.1-22 带法兰盘模柄 (mm)

1.材料:A5。

2.不得有裂纹及凹痕。

3.倒角均为2×45°。

4.不允许有锐棱。

7.铸入式吊柱

表8.1-23 铸入式吊柱 (mm)

1.材料:A3。

2.不允许有锐棱和毛刺。

8.吊柱

表8.1-24 吊柱 (mm)

9.顶杆

表8.1-25 顶杆 (mm)

1.材料:45。

2.热处理:淬硬4HRC~45HRC。

3.不允许有锐棱和毛刺。

10.顶料销

表8.1-26 顶料销 (mm)

1.材料:45、(%8A)。

2.热处理:淬硬40HRC~50HRC(52HRC~56HRC)。

随便看

 

离鸟网收录3541549条中英文词条,其功能与新华字典、现代汉语词典、牛津高阶英汉词典等各类中英文词典类似,基本涵盖了全部常用中英文字词句的读音、释义及用法,是语言学习和写作的有利工具。

 

Copyright © 2004-2024 vtrois.com All Rights Reserved
更新时间:2026/4/18 4:23:28