网站首页  词典首页


请输入您要查询的字词:

 

字词 距离继电保护
类别 中英文字词句释义及详细解析
释义

距离继电保护distance relay protection

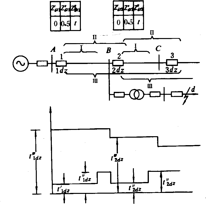
反应故障点至保护安装处的等效距离及其方向等参数的保护。上述参数与区段整定值进行比较,决定保护的动作及选择性。由启动元件(图1中过电流继电器或阻抗继电器)、方向元件(方向阻抗继电器或功率方向继电器)、距离元件(阻抗继电器Z Ⅰ和ZⅡ)及时间元件等组成,用于110千伏及送电线路等保护。

图1 三段式距离保护的组成元件及逻辑回路的简化接线


为了满足速动性、选择性及灵敏性的要求,输电线路的距离保护,广泛应用具有三段动作范围的时限特性(图2),分别称为距离保护的Ⅰ、Ⅱ、Ⅲ段,距离保护Ⅰ段是瞬动的,保护线路全长的85%,保护1的动作阻抗整定值为Z′dz1=0.85Z′1,式中Z′1为被保护线路的总阻抗。距离保护Ⅱ段保护线路全长,动作阻抗整定值Z″dz1按下述原则整定:❶与相邻线路距离保护Ⅰ段相配合Z″dz1=KK(Z′1+Kfz·min×0.85Z12),式中KK为可靠系数,取0.8;Z12为相邻线路的总阻抗;0.85Z12为相邻线路距离保护Ⅰ段的动作阻抗Z′dz2;Kfz·min为最小分支系数,等于相邻线路Ⅰ段保护范围末端短路时,故障线路(BC)上通过的短路电流与前一级保护所在线路(AB)上通过的短路电流的比值。
❷躲过线路末端变电所低压侧(d1点)故障,Z″dz1=K′K(Z1+Kfz·min×Zb),式中KK为可靠系数,取0.7;Zb为变压器阻抗;Kfz·min为d点短路时分支系数最小值。取上两式计算值较小者为整定值。
❸距离Ⅱ段在线路末端短路时的灵敏系数K1m=Z″dz1/ZAB>1.25,第Ⅱ段保护的时限为t″dz=△t=0.5秒(与相邻线路距离Ⅰ段配合时)或t″dz·xl·max+△t。式中t″dz·x1·max为相邻线路Ⅱ段保护的最大动作时限。距离Ⅲ作为Ⅰ、Ⅱ段保护的后备保护(近后备), 也作为相邻线路保护装置和断路器拒绝动作的后备保护(远保护)。动作阻抗Zdz1按躲过负荷的最小阻抗整定:Z″′dz=Zfh·min/KK·Kh·Kzq。式中KK为可靠系数,取1.3;Kh为继电器的返回系数,取1.1~1.15;Kzq为负荷自启动系数,大于1;Zfz·min=Uf·min/If·max为负荷的最小阻抗。Uf·min为母线最低电压,If·max为最大负荷电流。当采用方向阻抗继电器时,上式右边还要除以cos(1m-fh),1m为阻抗元件的最灵敏角;fh为负荷阻抗角。当作为近后备时,Ⅲ段保护的灵敏系数K1m=Z″′dz/Z1>1.5,当作远后备K1m=Z″′dz/(Z1+Kfz·max·Z12)>1.2。式中Kfz·max为相邻线路末端短路时的最大分支系数。

图2 距离三段保护特性及时限特性


Ⅲ段保护的动作时限为t″′dz=t″′dz·21·max+△t。式中t″′dz·21·max为相邻线路距离Ⅲ段保护的最大动作时限。
阻抗继电器的接线方式应满足: ❶继电器的测量阻抗正比于短路点到保护安装点之间的距离;
❷继电器的测量阻抗应与故障类型无关。当阻抗继电器输入电压、电流为UAB和IA-IB时,称为“0°接线”,为UAB和IA时,称为“+30°接线”。“0°接线”方式和相电压、相电流有补偿接线方式,在各种相间或接地故障时,测量阻抗均能与短路点到保护安装点的距离成比例,其保护范围与故障种类无关。“30°接线”用于圆特性方向继电器时,三相短路和两相短路也有相同的保护范围,且在送电都采用“-30°接线”、在受电端采用“+30°接线”,具有更好的避开负荷阻抗的能力,送电端不能采用+30°接线,受电端不能采用-30°接线。30°接线用于全阻抗继电器时,不同故障有不同的保护范围,不宜作为启动元件。
距离保护的优点是在线电源的复杂网络中,能保证动作的选择性,具有较高的灵敏度和保护范围稳定,不受系统运行方式的影响;其缺点是Ⅰ段保护有动作死区,Ⅱ段保护经时限0.5秒才能动作,用于220千伏及以上电压的电网中,不能满足电力系统稳定运行的要求,且其继电器结构复杂,还有各种必要的闭锁(如振荡闭锁)装置使接线更复杂,可靠性降低。
随便看

 

离鸟网收录3541549条中英文词条,其功能与新华字典、现代汉语词典、牛津高阶英汉词典等各类中英文词典类似,基本涵盖了全部常用中英文字词句的读音、释义及用法,是语言学习和写作的有利工具。

 

Copyright © 2004-2024 vtrois.com All Rights Reserved
更新时间:2026/4/18 2:50:01