网站首页  词典首页


请输入您要查询的字词:

 

字词 节能电磁开关
类别 中英文字词句释义及详细解析
释义

节能电磁开关electromagnetic switch forsaving energy

在交流电磁开关(接触器)上加装直流供电的辅助电路,向该电磁铁供直流电以节约电能的一种开关。实现直流电运行有3种方法:
❶采用交流电源进行操作,再由整流后的直流电向电磁铁供电,吸住主触点,使电源和负载接通;
❷采用交流电源,经整流后进行直流操作和运行;
❸在电磁开关应用比较集中的地方,可设一套整流电源作为公用直流电源使电磁开关直接进行直流操作和保持。交流接触器采用直流运行的优点是:功率损耗小、无噪声、接触器温升低、线圈寿命长。经测定,交流接触器采用直流运行后,耗电量只有原来的2%~5%,节电效果十分显著。

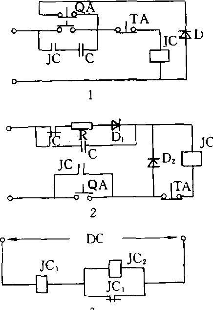
节能电磁开关工作原理示意

1.交流操作直流保持线路 2.交流电源直流操作直流保持线路 3.直流电源直流操作直流保持双线圈线路

随便看

 

离鸟网收录3541549条中英文词条,其功能与新华字典、现代汉语词典、牛津高阶英汉词典等各类中英文词典类似,基本涵盖了全部常用中英文字词句的读音、释义及用法,是语言学习和写作的有利工具。

 

Copyright © 2004-2024 vtrois.com All Rights Reserved
更新时间:2026/4/19 12:27:27