网站首页  词典首页


请输入您要查询的字词:

 

字词 自动重合闸装置
类别 中英文字词句释义及详细解析
释义

自动重合闸装置automatic recloser

当继电保护动作使断路器跳闸后,经必要的时延,令断路器重新合闸的自动控制装置。按重合次数及功能分为单相、三相自动重合闸,一次、多次重合闸,综合重合闸;按结构和动作方法分为机械式、电气式自动重合闸;按与继电器保护的配合方式分保护前加速、保护后加速及不加速保护重合闸;按使用条件分为单侧电源、双侧电源重合闸等。对自动重合闸装置的基本要求:❶值班人员手动操作断路器时,或因线路上存在故障,手动投入断路器,保护装置动作将其断开时,不应重合;
❷当断路器由继电保护动作或其他原因而跳开后,应使断路器重合;
❸自动重合闸装置的动作次数应符合预先的规定,但当装置元件损坏、保护继电器拒动、存在永久性故障时,不应多次重合;
❹自动重合闸动作后,一般应能自动复归(也可手动复归);
❺应能在断路器重合以前或以后,加速继电器的动作,以便更好地和继电器配合,加速切断故障;
❻在双侧电源线路上实现重合闸时,应考虑合闸双侧电源间的同步问题;
❼当断路器处于不正常状态,而又不允许实现重合时,应将其闭锁。
系统中采用重合闸的技术经济效果:❶提高供电可靠性,减少线路停电次数,特别是单侧电源的单回线路;
❷提高系统并列运行的稳定性;
❸考虑重合闸的作用,有时可缓架双回线路节约投资;
❹可纠正误跳闸。因重合闸经济可靠,在10千伏及以上电力系统中广泛应用。
线路上装设重合闸装置后,重合成功次数与重合总动作次数的比,称为重合闸成功率,据统计其值约在60%~90%之间,它亦表示输电线路的瞬时性故障占全部故障的百分比。
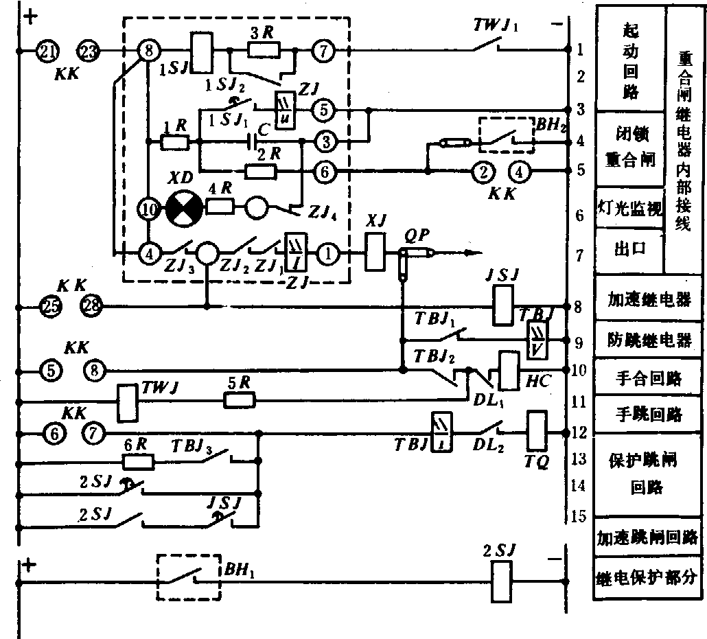
自动重合闸装置由重合闸继电器及控制电路组成。电磁型重合闸继电器是一种组合继电器,它包括时间继电器、中间继电器、充放电电阻及储能电容器等,装置原理接线图见图1。

图1 电磁式三相一次自动重合闸原理接线图


断路器投入后,电容器建立与电源相等的电压,重合闸继电器处于准备状态,监视中间继电器ZJ接点的信号灯XD点亮。线路发生瞬时故障时,继电保护动作,使断路器跳开,同时跳闸电流经防跳继电器TBJ的电流启动线圈,使之启动。断路器跳开后,辅助接点DL2断开,TBJ因启动线圈失磁而复原;辅助接点DL1闭合,跳闸位置继电器TWJ获得励磁,其接点TWJ1闭合,时间继电器1SJ启动,经整定时限(约0.5~1.5秒)电弧熄灭,瞬时故障消失后,其延时常开接点1SJ1闭合。接通电容器对中间继电器ZJ电压线圈的放电回路,使ZJ动作,接通合闸接触回路,HC动作,使断路器闭合。断路器重合后,DL1断开,ZJ因电流自保持线圈失电而返回,TWJ随之返回,TWJ1接点断开,1SJ返回,接点1SJ1断开,电容器C重新充电,经15~25秒后充电结束,准备下次动作。
断路器因其他原因误跳,重合闸的动作情况同上。
线路发生金属性永久故障时,装置动作使断路器重合后,因故障未消除,继电保护将再次动作使断路器跳闸,时间继电器1SJ再次启动,经整定延时后,接点1SJ闭合,电容器C接通ZJ电压线圈,但因充电时间短,电压甚低,ZJ不能启动,保证断路器不再次重合。
用控制开关KK手动操作跳闸时,(21)(23)断开,

❹接通,电容器C向仅几百欧的电阻2R放电,很快使其电压接近于零。由于1SJ回路已由(21)(23)断开,且Uc又下降为零,断路器不能再重合。当线路存在故障时手动合闸,KK的(25)(28)闭合,使加速继电器JSJ动作,合闸后,继电保护动作,经加速继电器JSJ的常开接点,使断路器加速跳开,这个时间很短,因电容器电压低而不能启动ZJ,所以断路器不会重合。
为防止断路器多次重合于故障线路,装设防跳继电器TBJ。有些情况下(如母线差动保护动作),断路器跳开后,不允许自动重合,应装有闭锁。
在线路发生故障而中断供电时,加速切除故障,迅速恢复向用户供电,以保证系统的安全与可靠,继电保护必须与自动装置很好配合。继电保护与三相一次重合闸配合方式,广泛应用后加速保护,其原理接线图见图2。
当线路发生故障时,首先选择延时保护动作,断路器跳开后,启动自动重合闸装置,接点接通,使JSJ动作,JSJ1和JSJ2均闭合。如果是瞬时性故障,保护不再启动,BH不会闭合,装置经0.4秒返回。如果是永久性故障,重合后保护又启动接点BH闭合,通过JSJ2接通中间继电器BCJ去跳闸,因此动作不带时限 (速动),即实现了重合后加速保护。

图2重合闸后加速原理接线图

随便看

 

离鸟网收录3541549条中英文词条,其功能与新华字典、现代汉语词典、牛津高阶英汉词典等各类中英文词典类似,基本涵盖了全部常用中英文字词句的读音、释义及用法,是语言学习和写作的有利工具。

 

Copyright © 2004-2024 vtrois.com All Rights Reserved
更新时间:2026/4/20 11:31:24