网站首页  词典首页


请输入您要查询的字词:

 

字词 电压表
类别 中英文字词句释义及详细解析
释义
电压表

电压表dianyabiao

测量电路中的交、直流电压的指示仪表。常用的电压表是将磁电系电流表改装而成的。表头本身可以看作一个电压表,因为表头两端加上被测电压时,线圈中就有电流通过,指针就有偏转,由于线圈的电阻一定,其电流与电压成正比,所以指针的偏角可以反映被测电压的大小。刻度盘按照电压标定。表头就可以当作电压表使用。不过,通常磁电系电流表电阻Rg为几百至几千欧,允许通过的最大电流Ig为几十微安至几十毫安,电阻两端的电压较小。而实际测量中,被测电压往往大大超过表头允许的电压。于是要对表头进行改装。如果给表头串联一个合适的电阻R(见图1)。使R分担大部分电压,就使得电压表可以测量较大的电压,即表头与电阻R的串联构成一个量程较大的电压表,相应地改变刻度盘上的电压值,就可直接读出U。由于串联电路中电压跟电阻成正比,所以R=UR/UgRg,按测量要求,根据电流表的Rg、Ig可得到分压电阻R的值。如果要改装成为量程为U的电压表,所需串联的电阻R也可表示为R=U/Ig-Rg。或者说要想把电压表的量程扩大到n倍,串联的电阻R就应等于表头电阻的(n-1)倍,即R=(n-1)Rg。
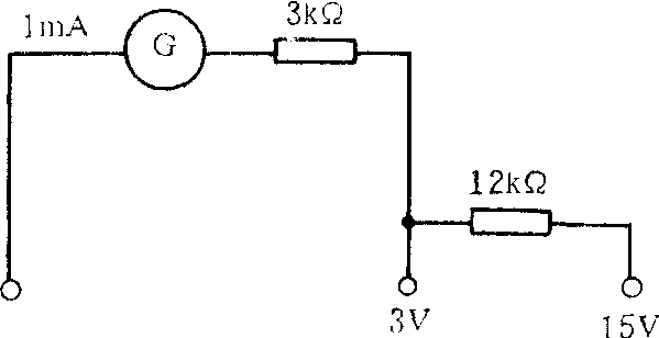
中学物理实验室中常用的电压表,一般有两个量程,即有-1~0~3V及-5~0~15V两档,其内部线路见图2。这种仪表的准确度为2.5级。表头电流为1毫安。下表给出几种国产磁电系直流电压表的主要技术参数。


说明:注*为内磁式,其它均为外磁式。


图 1


图2

☚ 电流表   欧姆表 ☛

电压表

voltmeter


电压表

voltmeter

随便看

 

离鸟网收录3541549条中英文词条,其功能与新华字典、现代汉语词典、牛津高阶英汉词典等各类中英文词典类似,基本涵盖了全部常用中英文字词句的读音、释义及用法,是语言学习和写作的有利工具。

 

Copyright © 2004-2024 vtrois.com All Rights Reserved
更新时间:2026/4/20 0:16:01