网站首页  词典首页


请输入您要查询的字词:

 

字词 流量计标定装置
类别 中英文字词句释义及详细解析
释义
流量计标定装置

流量计标定装置meter prover

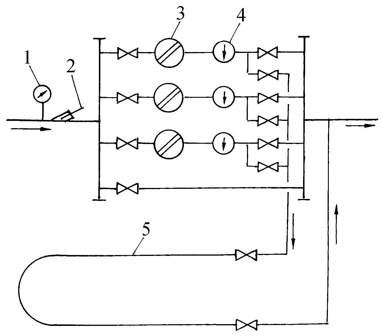
对使用中的流量计进行实液标定的标准体积流量装置。用以确定流量计的仪表系数和精度。标定设备有固定式或移动式标准体积管,标准流量计等。中国原油管道大多选用容积复现性优于±0.02%的标准体积管,即一段经特殊加工的容积精确的管道,其两个信号仪之间的基准容积一般为待检定的流量计的最大小时流量的0.5%。上图所示为标定系统的原理流程,正常输送时油流经过滤器和流量计后外输;标定时经阀门的自动切换,油流经过滤器、流量计,再流经标准体积管后外输,根据体积管上信号仪所检测的在一定时间内油流流过基准容积的次数,就可计算出准确的流量。


计量及标定系统原理流程
1-压力表;2-温度计;3-过滤器;4-流量计;
5-标定管

☚ 原油加热炉   单位输油成本 ☛
00005510
随便看

 

离鸟网收录3541549条中英文词条,其功能与新华字典、现代汉语词典、牛津高阶英汉词典等各类中英文词典类似,基本涵盖了全部常用中英文字词句的读音、释义及用法,是语言学习和写作的有利工具。

 

Copyright © 2004-2024 vtrois.com All Rights Reserved
更新时间:2026/4/21 12:46:28