网站首页  词典首页


请输入您要查询的字词:

 

字词 桑萎缩病
类别 中英文字词句释义及详细解析
释义

桑萎缩病mulberry dwarf

又称癃桑,由类菌原体引起的桑树全株性病害。该病由于传播速度快,病树枝短叶小而失去叶用价值,常导致大面积桑园病毁。1967年日本学者土居养工等发现桑萎缩病组织内的病原物是类菌原体(Mycoplasma like orga-nism)。中国1929年曾在《桑树之萎缩病》中介绍。以后中国学术界将癃桑称谓桑萎缩病。1957年根据病害症状和发病规律,分为黄化型和花叶型两类。进而将黄化型分成黄化型和萎缩型。黄化型萎缩病的病原物被鉴定为类菌原体。花叶型萎缩病病原物为类病毒(Viroid)。
分布和为害 桑黄化型萎缩病又称桑黄化萎缩病(Mulberry yellow dwarf disease)或癃桑。分布在江苏、浙江、山东、湖南、湖北、河南、安徽、陕西、广东、福建等省。以江苏、山东、安徽、湖南为害最严重,桑园病株率在10%左右,严重桑园发病率高达90%左右。病树枝短叶小,无饲用价值,二三年后渐趋衰亡,迫使桑园被挖毁,影响蚕桑生产。
桑树感染发病至衰亡,分初、中、末三个时间。初期症状,一般从一或少数枝条的顶端叶片出现黄化,瘦小并稍向背面卷缩,枝条下部叶片正常,形成上小下大的塔状,病情发展时,多数枝条乃至整株枝条出现症状。中期病叶更加黄化、瘦小,节距变短,腋芽萌发,长出较多细小侧枝。病枝上不着生花椹。末期症状,叶黄化卷缩呈猫耳朵状,腋芽不断萌发,细枝丛生如帚状。该症状在桑树夏伐后高温季节,表现更为明显。患病桑树二三年内死亡,少数老桑树可维持五六年以上。
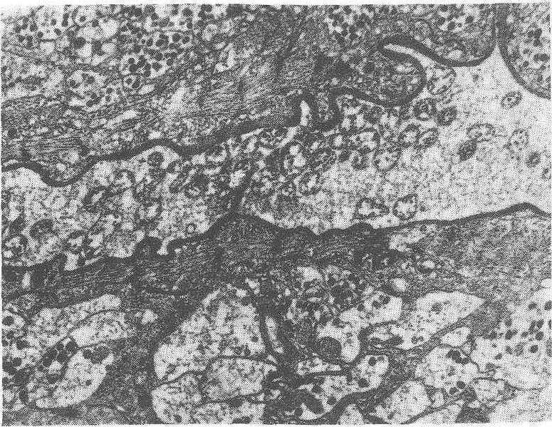
病因 桑黄化型萎缩病病原物是类菌原体(Mycoplasma like organism)柔膜菌纲,菌原体目。病桑组织的超薄切片在电子显微镜下,可观察到类菌原体粒子。粒子球形,椭圆形及纤维状,还可观察到串珠状和二均分裂形态的粒子。大小约80~950毫微米。无细胞壁,细胞膜(单位膜)有三层,由蛋白质和拟脂组成,厚度约10毫微米。粒子内部有核质样的纤维状物质组成核区(图1、图2)。

图1 桑黄化萎缩病叶脉组织细胞内MLO(40,000×)


桑品种抗病力强弱与发病流行有极大相关,红皮大种、火桑、湖桑32号等品种易感病。
病原物通过嫁接或介体昆虫传染,汁液、土壤和种子不传病。嫁接传染,在桑树生长期间嫁接,只要接穗或砧木一方带病,均能传染发病。但病桑树经过冬季休眠,从电镜下可观察到,越冬枝条内病原物不断老化和消失,越冬桑根内病原物虽减少,但未完全消失。所以病枝(病穗)接健砧时发病率很低,甚至不发病,而接穗接病砧时仍发病。

图2 传带桑黄化萎缩病原的桑拟菱纹叶蝉唾液腺体内MLO(16,000×)


介体昆虫有桑拟菱纹叶蝉(His himonoides sella-tiformis Ishihara)和凹缘菱纹叶蝉(Hishimonas sel-latue Uhler)。桑园发病与介体昆虫的虫口密度有关,虫口密度高,桑树发病也高。华东地区桑拟菱纹叶蝉从5~11月在桑园内活动,1~4代成虫能传病,传带率达36%~72%,凹缘菱纹叶蝉在桑树夏伐时,有转主寄生的习性,同时在7、8月份高温下,会失去传病机能,所以一般以第1、4代成虫传病,传带率仅2.4%~19.3%。
侵染过程和病害循环 病原物在病树中越冬。桑树、桑苗通过媒介昆虫传毒后,经30~280天潜育期出现症状。潜育期长短决定于感染季节的迟早,夏季,早秋感染的桑树,当年能发病,部分枝条出现初、中期症状,第二年全株出现中、末期症状。中晚秋感染的桑树,当年不发病,第二年夏秋季表现症状。多数病桑在桑树夏伐后高温季节暴发。桑树夏伐迟或夏秋季叶采摘过度,易损伤树势,导致发病率显著增加。
病害控制 桑萎缩病常采用综合治理的方法。❶加强检疫: 对病区苗木、接穗和砧木苗等禁止向新区调运。对调出的穗苗抽样检验,一经检出带病穗、苗即进行销毁或用土霉素浸渍苗根,消毒处理。
❷建立无病桑苗培育基地: 桑黄化型萎缩病区培育的桑苗带病率在0.1%,高达5%~15%。建立无病桑苗培育基地是控制病害传播的重要途经。培育无病苗的基础配套技术包括脱毒、隔离、检验和苗木处理等。脱毒采用自然脱毒法,利用种子不传染的特性,自培砧木、自剪无病区接穗培育无病苗; 隔离是将培苗区选在无病区,按介体昆虫迁飞规律要求周围10公里内无病树和无介体昆虫。
❸选用抗病品种: 例如育2号、湖桑7号、青黄桑、凤尾芽变、小白条,钦2号等。
❹彻底挖除病株: 6、7、8月份彻底清除病源。
❺治虫防病: 分别用50%杀螟松、马拉硫磷或敌敌畏和扑虱灵防治桑菱纹叶蝉的卵、成虫和若虫,减少介体昆虫密度达到防治目的。
❻加强栽培管理,多施有机肥料,增强树体抗性。适当提早夏伐、减轻第一代昆虫介体传染。

桑萎缩病mulberry dwarf disease

严重为害全株桑树的病害之一,又称癃桑、惊桑。桑萎缩病分布在中国、日本、法国、意大利、苏联、印度,中国的华东、华南、华中和西南广大蚕区都有发生为害。病桑枝短叶小,叶黄早落,侧枝丛生,不能养蚕,几年后桑树死亡。以桑树夏伐后的6~9月发病最盛,病害严重的桑园中成片桑树病死(图)。


桑黄化型萎缩病示意图
1.病株 2.拟菱纹叶蝉 3.健虫 4.病株叶
5.带毒虫 6.传毒虫 7.健株叶 8.带毒株叶
9.发病株叶


病原 桑萎缩病有黄化型、萎缩型和花叶型3种。黄化型和萎缩型的病原为类菌质体,在电子显微镜下桑萎缩病类菌质体大部分为椭圆形颗粒,直径在80~800毫微米范围内,内部有核质样纤维状物,具单位膜。单位膜分3层,内外2层为蛋白膜。中间层为拟酯膜。不少地方还能看到大量的类菌质体小体的颗粒。是类菌质体的一种发育型。在传染桑黄化型病的介体昆虫——桑拟菱纹叶蝉的唾液腺组织中,也可见到典型的类菌质体病原。花叶型的病原初步认为是病毒。在电子显微镜下见到一种线状病毒,其宽度在11~13毫微米,长度1,000毫微米,可看到蛋白亚基成双层饼形状排列,每一双饼层的宽度约5毫微米,双层饼内的两层亚基宽度各约2毫微米。
侵染 桑萎缩病病原在树体内越冬。黄化型和萎缩型萎缩病可通过嫁接传染和昆虫——桑拟菱纹叶蝉和凹缘菱纹叶蝉介体传染。桑树或桑苗通过昆虫介体感染后,潜育期为20~300日以上不等。在夏季、早秋感染的在当年发病,桑树一枝或数枝的梢端首先出现病状,至第2年桑树夏伐再发芽时病势加重,在中晚秋感染的当年可不发病,潜育期延迟到次年,潜育期的长短还受温度、桑品种抗病力、桑树采伐时期、采叶程度以及桑园施肥状况等因素影响。
桑花叶型萎缩病主要通过病苗、病穗和病砧传递扩大,此病具高温隐症的特性,发病适温在20~28℃,隐症温度在30℃以上,所以在春期和初夏发病,夏季随气温升高变化,症状逐渐消失,病树可暂时恢复正常,或在同一枝条上出现间歇发病症状,直至盛夏,完全趋于隐症,到了晚秋季节,气温逐渐降低,症状重新再现。
不同的桑品种对3种萎缩病的抗病力有明显差别。黄化型萎缩病对火桑、红皮大种、剑持、湖桑32号易于感染,而育2号、湖桑7号为抗病品种。萎缩型萎缩病对火桑、嵊县青、剑持、育2号易于感染,而湖桑32号、湖桑35号、湖桑7号等为抗病品种。花叶型萎缩病对剑持、湖桑35号、白条桑易于感染,而湖桑7号、睦州青、早青桑又是其抗病品种。
桑园内病源(树)的存在和积累增加,常酿成病害暴发,桑园内出现少量病树,如不立即挖除,病树积累略成级数增加,3、4年即能达到暴发程度。
桑树采伐过度影响寄主抗病力,诱发病害。一般桑树夏伐迟,秋叶多采,氮肥偏用,病虫防治放松的桑园发病率较高。
病症 黄化型病树发病初期,枝条顶端的桑叶变小,变薄,叶尖稍向反面卷曲、叶黄化。随着病势加深,腋芽萌发,侧枝细小,丛生,节间特短,叶形更小,老叶黄化脱落,呈猫耳状,越冬病枝有枯梢现象。第2年夏伐后,往往直接生出猫耳状小叶,细枝丛生,衰弱而至死亡。
萎缩型病树叶形缩小,叶色稍黄,节间稍变密。病情发展后,叶片更为缩小,叶色变黄,叶质变硬变脆,裂叶桑品种如剑持、一之濑等的病叶大都转变为圆叶;枝条更细短,节间更密,腋芽萌发成侧枝。病叶更小,最后衰亡。但通常发病后,不是立即进入末期,而是逐年衰弱,有的进入末期病树,还有康复现象。
花叶型病树初期,叶片的侧脉间出现淡绿色或黄绿色的斑块,叶脉附近仍为绿色,形成黄绿相间的花叶。叶形不正,叶缘向上卷缩,裂叶品种,有时半边无缺刻。叶背的叶脉上由皮部细胞延生而形成小瘤状或棘状突起,成为本病重要特症。病枝稍细,节距略短,严重时病叶小而向上卷缩,质地粗糙,枝条细短,腋芽早发,生成侧枝。夏秋季节同一枝条上的叶片常有表现间歇发病现象。
防治 彻底挖除病树,治虫防病控制介体昆虫(见桑拟菱纹叶蝉),繁育抗病品种,改善桑园栽培管理。萎缩型萎缩病可采用春伐复壮方法,花叶型萎缩病树可用睦州青、早青桑等抗病品种嫁接复壮。桑黄化型和萎缩型病苗可用土霉素2,000单位/毫升溶液浸根3小时,以防止发病。花叶型病树可用100单位硫脲嘧啶于春季展叶初期及夏伐后展叶初期各喷布2次,2次间隔约10天,当年或第2年可使绝大多数病树康复。禁止病区的桑苗、接穗和砧木调运到新区或无病区。

桑萎缩病mulberry dwarf disease

为害桑树全株的病害之一。分布于华东、华南、华中和西南广大蚕区;日本、法国、意大利、俄罗斯、印度等国也有分布。分黄化、萎缩、花叶3种病型。
❶黄化型萎缩病,又称猫耳朵、癃桑。罹病桑树枝叶短小,侧枝丛生,叶缘稍向背面卷曲,叶黄早落。本病的病原是类菌质体,通过嫁接和媒介昆虫菱纹叶蝉传染。
❷萎缩型萎缩病,又称龙头桑、癃桑、糜桑。大多在夏秋季发病。腋芽早发,病桑叶形小,硬化早,枝条生长缓慢。病原和传染途径同黄化型萎缩病。
❸花叶型萎缩病,又称癃桑、瘌头皮桑、鬈桑。主要在春季及晚秋发病。病株桑叶在侧脉间出现黄绿色斑块,卷缩发皱,老硬、枝条细短,腋芽早发。病原为线状病毒,主要通过病苗、病穗和病砧传播。防治措施:采用选栽无病苗木;推广抗病品种;彻底挖除病株;消灭媒介昆虫菱纹叶蝉等。

随便看

 

离鸟网收录3541549条中英文词条,其功能与新华字典、现代汉语词典、牛津高阶英汉词典等各类中英文词典类似,基本涵盖了全部常用中英文字词句的读音、释义及用法,是语言学习和写作的有利工具。

 

Copyright © 2004-2024 vtrois.com All Rights Reserved
更新时间:2026/4/18 21:51:32