网站首页  词典首页


请输入您要查询的字词:

 

字词 孢子虫病
类别 中英文字词句释义及详细解析
释义

孢子虫病nosema disease

由蜜蜂微孢子虫引起、破坏蜜蜂中肠上皮细胞的肠道传染病。别名微粒子病。
分布及危害 孢子虫病是世界各国蜜蜂中普遍发生的一种蜜蜂成虫病。患病蜜蜂寿命缩短, 采集力和泌蜡量显著下降。春季发病影响蜂群的繁殖和发展,生产季节发病则影响蜂蜜、蜂王浆和蜂蜡的产量;秋季发病则影响蜂群的安全越冬, 造成翌年蜂群春衰; 越冬蜂群患病常出现下痢, 严重者造成整群蜂死亡。
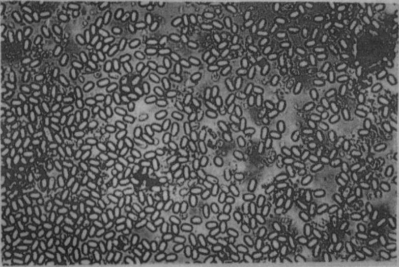
病原 为原生动物的蜜蜂微孢子虫(Nosemaapis Zander, 1909)。在蜜蜂体外, 微孢子虫以孢子形态生存。孢子长椭圆形, 长5. 0~6. 0微米, 宽2.2~3.0微米,孢子外壳为几丁质,折光性强,不易染色。内有双核、液泡和极丝。极丝长160微米,以螺旋形式卷曲在液泡里(图1)。孢子被蜜蜂摄入体内,在消化液的作用下放出极丝。其营养体通过极丝槽进入中肠上皮细胞,行无性裂殖和孢子生殖。在30~31℃下,经2~3天完成一个生活周期。
微孢子虫孢子对外界不良环境的抵抗能力很强,能耐受冷冻、冻干和微波。在蜂蜜和蜂房里可以活一年;在蜜蜂干粪内活2年;在蜜蜂尸体里可以存活五年;在水中可以活100多天。孢子的致死温度在不同条件下也不同,蜂蜜加温到60℃,经过60分钟可以杀死孢子;在25℃条件下,使用4%的福尔马林溶液,可以在1小时内杀死孢子;在10%的漂白粉溶液里,经10~12小时杀死孢子;在2%的石炭酸水溶液里只要10分钟就可将孢子杀死。

图1 蜜蜂微孢子虫的孢子


症状 孢子虫病的症状常与蜜蜂麻痹病、饥饿、杀虫剂中毒和下痢时的症状相似。蜜蜂患病初期,外部症状不明显,活动正常。患病后期,蜜蜂个体瘦小,两翅散开不相连,萎靡不振,螫刺反应丧失,少数病蜂腹部膨大。前胸背板和腹尖变黑,腹部1~3节背板深棕色,常被健康蜜蜂追咬,多爬在框梁、箱底板上或蜂箱前草地上,不久死亡。冬末和春季成蜂大量减少,往往伴随着蜂王的丧失或交替,这是蜂群感染孢子虫病的明显症状。染病的哺育蜂舌腺萎缩,饲喂幼虫的能力降低。

(a)

(b)

图2 健康蜜蜂中肠(a)与患孢子虫病蜜蜂中肠(b)的比较


诊断 取病蜂中肠观察和镜检。正常的蜜蜂中肠淡棕色, 不膨大。病蜂中肠呈灰白色, 环纹模糊, 失去弹性(图2)。如使用镜检方法, 可将中肠置载玻片上, 滴半滴无菌水, 盖上盖玻片, 用镊子在盖玻片上轻轻压挤, 再置400~600倍显微镜下观察, 若有大量长椭圆形、并有淡蓝色折光的孢子, 可确诊为孢子虫病。也可将病蜂中肠研碎镜检。染色诊断, 可将上述中肠涂片, 去掉盖玻片, 晾干, 以1∶49吉姆萨液染色5分钟, 取出以蒸馏水冲洗再镜检, 可以观察到微孢子虫各期虫态。诊断蜂王时, 可提出蜂王扣在玻璃皿内, 待其排粪后, 将蜂王送回原群, 并挑取少量粪便涂片镜检。
传播 病蜂是传播孢子虫病的来源。每只病蜂体内有微孢子虫孢子高达数百万个, 而工蜂和雄蜂只需较少的孢子就受到感染, 孢子从病蜂体内与粪便一起排出, 常常通过污染蜂箱、巢脾、蜂蜜、花粉和水传播给健康蜜蜂和其他蜂群。通过迷巢蜂、雄蜂、盗蜂、邮寄蜂王和合并蜂群, 能促使孢子虫病在蜂群间扩大传播。冬季蜜蜂如果下痢, 巢房更容易被含有孢子虫的粪便污染;患病蜂王将粪便排在巢房里;内勤蜂在清理巢房时受到感染, 并将孢子传给蜂王。病蜂在巢内的这些活动, 是保存和传播孢子虫的重要途径。
发病规律 春季气温逐渐上升, 蜜蜂开始清扫巢房, 扩大育虫面积, 易受感染, 是孢子虫病的发病高峰期。夏季蜜蜂能自由飞翔, 清除掉巢房里的排泄物, 病蜂死亡, 感染减轻。秋季出现较小的高峰期,到冬季气温降低, 孢子虫病情下降。在中国南方的江西、浙江等地,3~4月是孢子虫病高峰期;在华北、西北和东北,5~6月是高峰期。
防治 由于蜜蜂患孢子虫病后无明显症状,宜经常检查蜂群,进行防治。❶蜂具消毒:受污染的蜂箱、蜂具用2~3%的氢氧化钠溶液清洗,再用火焰喷灯消毒。巢脾用福尔马林溶液或醋酸蒸汽消毒,取80%的醋酸或福尔马林溶液150毫升,注入各蜂箱内的吸收物上,将箱体重叠在一起密封熏蒸7天,可以杀死孢子。或将巢脾保持在温度49℃、相对湿度50%下密闭24小时,能消灭孢子的活力。也有用环氧乙烷熏蒸,在37.8℃下,按每升容积100毫克的试剂,密闭熏蒸24小时,可以杀死巢脾上的孢子。宜使巢脾中没有或留有很少的蜂蜜或花粉。
❷加强饲养管理:秋季蜂群里应有优良多产的蜂王和大量的新蜂,以保证蜂群顺利越冬。冬季群里应有足够的优质饲料蜜或糖浆,排除甘露蜜。室外越冬场地宜选在干燥向阳处,室内越冬温度保持在2~4℃。越冬期蜂群下痢,春季宜提早出室或促使蜜蜂在室内排泄飞行,恢复健康。积极育虫会刺激孢子虫的增长,使蜜蜂染病加重,因此在这方面应加强管理。
❸药物治疗:每升糖浆中加100克(75.6万国际单位)烟曲霉素,大群在春天饲喂2~4次,每隔1~2周饲喂1次,每群200毫升,能降低感染率;每千克糖浆或蜜汁中,加入1克柠檬酸或米醋3~4毫升。每群喂0.5千克,每隔三四天喂1次,连续喂4~5次,能抑制孢子虫的发展;每片灭滴灵0.2克,取10~20片研成粉末,并用少许温水溶解后,加在1千克糖浆内,饲喂方法同上。
随便看

 

离鸟网收录3541549条中英文词条,其功能与新华字典、现代汉语词典、牛津高阶英汉词典等各类中英文词典类似,基本涵盖了全部常用中英文字词句的读音、释义及用法,是语言学习和写作的有利工具。

 

Copyright © 2004-2024 vtrois.com All Rights Reserved
更新时间:2026/4/21 18:23:25