网站首页  词典首页


请输入您要查询的字词:

 

字词 YB-E系列叶片泵
类别 中英文字词句释义及详细解析
释义 YB-E系列叶片泵

(1)型号说明

❶ 名称:叶片泵

❷ 压力分级:E(16MPa)

❸ 排量:参见表9.5-15及表9.5-16。

表9.5-15 YB-E型叶片泵(单泵)性能参数

(2)YB-E型叶片泵性能参数

YB-E型叶片泵单泵性能参数见表9.5-15。

YB-E型叶片泵双泵性能参数见表9.5-16。

双泵由两个单泵串联组成。

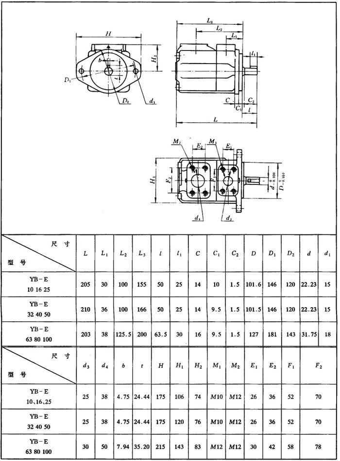
(3)YB-E型叶片泵外形及安装尺寸

YB-E型叶片泵(单泵)外形及安装尺寸见表9.5-17。

表9.5-17 YB-E型片泵(单泵)外形及安装尺寸

YB-E型叶片泵(双泵)外形及安装尺寸见表9.5-18。

表9.5-18 YB-E型叶片泵(双泵)外形及安装尺寸

随便看

 

离鸟网收录3541549条中英文词条,其功能与新华字典、现代汉语词典、牛津高阶英汉词典等各类中英文词典类似,基本涵盖了全部常用中英文字词句的读音、释义及用法,是语言学习和写作的有利工具。

 

Copyright © 2004-2024 vtrois.com All Rights Reserved
更新时间:2026/4/19 21:57:57