网站首页  词典首页


请输入您要查询的字词:

 

字词 分秧插秧机构
类别 中英文字词句释义及详细解析
释义

分秧插秧机构seedling separating and transplanting mechanism

从插秧机的秧箱中分取一定株数秧苗并按要求深度垂直地面插入田土中的装置。简称分插机构,是机动水稻插秧机的核心部件。它应满足插秧机不漏插,均匀度高,勾、伤秧少,插直度好,漂秧率少等质量要求。并且,对不同秧苗应有较好的适应性,即根据秧根长度或苗土厚度可以调节取秧高度,根据要求取秧量调节取秧面积,根据插秧深度要求调整插深等。同时还要求运转平稳、密封性好、耐用可靠。
按分秧和插秧原理的不同,可分为横分往复直插式、纵分滚动直插式和纵分往复直插式。
横分往复直插式 秧苗沿垂直于秧苗轴线的横向被秧铗夹取分出或被推秧器从秧盘中推出,然后垂直地面插入土中,插秧后取秧器脱秧出土。机构作往复运动。应用于人力夹式插秧机,以栽插拔取苗为主,也兼用于栽插带土苗和用网格式育秧盘培育的成穴带土苗插秧机。其原理与结构见人力水稻插秧机。
纵分往复直插式 用梳齿秧爪或两根分离针作分秧器,将秧苗沿轴线方向从根部处向下分出,然后垂直地面插入土中。采用单排秧爪,在机构带动下作上、下往复运动并且按一定运动轨迹完成分秧、插秧、出土、回程等过程。因往复行程不适宜过大,故只应用于秧苗较短的带土苗机动插秧机。其分插原理如图1所示。分离针自E点进入秧箱取秧,通过秧门阻秧,把秧苗沿轨迹带至E’,但因机器以υm速度前进,实际上秧苗被插入田中的E″处。

图1 纵分往复直插原理


应用往复直插式分插原理的机构型式有多种,其中得到广泛应用的是曲柄连杆式机构(图2)。曲柄紧固在传动轴上,另一端与栽植臂铰接,栽植臂又与摆杆铰接。摆杆一端与机架为固定铰接,这个铰接点的位置可在一定范围内调节,用以调整分离针的取秧深度和高度,满足取秧量的要求。推秧器由凸轮、推秧弹簧和拨叉控制,分离针插秧后,推秧器把秧苗从分离针上推出。曲柄连杆式分插机构运转平稳,转动副均密封,不易磨损。在传动轴上设有安全离合器,使用可靠性较好。但构造较复杂,造价较高。

图2 曲柄连杆式分插机构


纵分滚动直插式 采用由两排或三排秧爪排组成的分插轮等速回转,同时由轨迹控制机构控制秧爪尖的运动轨迹,完成分秧、插秧、出土、回程等过程。多应用于秧苗较长的拔取苗机动插秧机,也能适应无土育秧和薄土育秧小苗。加大秧爪取秧面积和加装推秧器后也用于栽插带土苗。分插原理如图3所示。秧爪在a点准备进入秧箱,在b点接触秧帘,b点至c点距离Hq为取秧高度。根据秧根长短,可调节取秧高度。如秧根很长而取秧高度过低,则取秧量不足,均匀度差甚至漏插多;如秧根短而取秧高度过高,则勾、伤秧率增高。秧爪进入秧帘的垂直距离,即取秧深度,视要求的取秧量和秧苗情况(拔取苗为秧苗粗细,无土、薄土和带土苗为播种密度)而定, 通过更换不同尺寸的秧爪和调整秧帘与秧箱的相对位置来调节。分秧段轨迹应与秧帘平行, 即沿秧苗轴线方向往下分秧。自c

图3 纵分滚动直插原理

点通过阻秧毛刷和秧门,按基本上垂直秧门的轨迹把秧苗分至d点。然后顺着护秧槽内壁沿d、e轨迹至泥面。因插秧时机器本身是前进的,实际上e点前移至e′,插秧段为e′f′,基本上垂直地面下插,使秧苗插直。至最深点f′后,秧爪尖沿f′g′轨迹脱离秧苗出土,e′g′为插孔长度,插孔过长易漂秧。插秧深度可在0~70毫米范围内调节。插带土苗插深为零时,苗块已插入田中; 插晚稻拔取苗时,插深可达70毫米。g、a段轨迹为回程,绕过分插轮轴回到取秧位置。

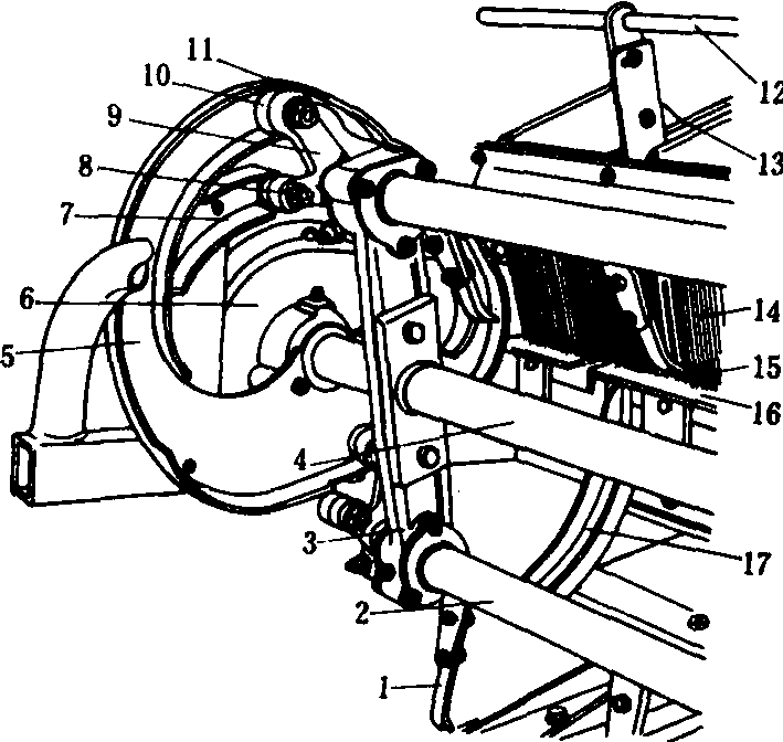
图4 转臂滑道机构

1.秧爪;2.秧爪排;3.分插轮转臂;4.分插轮轴;5.主滑道;6.链轮箱;7.副滑道;8.小滚子;9.拐臂;10.大滚子;11.可换取秧滑道;12.拦秧杆;13.秧箱; 14.钢丝帘;15.阻秧毛刷;16.秧门角钢;17.护秧槽


转臂滑道式分插机构(图4)是在实际生产中应用纵分滚动直插原理的一种机构型式,由转臂和滑道机构组成。秧爪排与转臂为铰接,装有大、小滚子的拐臂固接于秧爪排外端,大滚子在主滑道内运转,即可控制秧爪的运动轨迹。为适应根长不同的秧苗,取秧段滑道可以更换,调整秧爪的取秧高度。为了达到在不同穴距工作时秧苗都能插直和插孔较小避免漂秧,秧爪在插秧段和出土段都不受滑道控制,即在一定范围内大滚子失控。副滑道的作用是克服机构运转的死点,用以控制小滚子,使运转顺利。
转臂滑道机构的优点是工作可靠、运转灵活,使用方便,尤其是对穴距适应范围较大(100~200毫米)。但滚子和滑道较易磨损。磨损后需更换备件。
选型依据是根据秧苗长短选择分插轮直径。秧苗长度为150~350、150~450和150~480毫米,分别选用分插轮直径280、320和360毫米。
随便看

 

离鸟网收录3541549条中英文词条,其功能与新华字典、现代汉语词典、牛津高阶英汉词典等各类中英文词典类似,基本涵盖了全部常用中英文字词句的读音、释义及用法,是语言学习和写作的有利工具。

 

Copyright © 2004-2024 vtrois.com All Rights Reserved
更新时间:2026/4/20 11:41:50