网站首页  词典首页


请输入您要查询的字词:

 

字词 农业电气化
类别 中英文字词句释义及详细解析
释义

农业电气化agricultural electrification

为农村安全、可靠地提供电能,并在农业生产及居民生活中合理、高效地广泛应用电能。农业电气化是实现农业生产机械化、自动化不可缺少的重要技术基础。它是农业现代化的重要标志。亦称为农村电气化。
电能的生产、输送与分配 主要有以下四部分。
农村供电 通过农村供电系统为农业生产及居民生活提供电能,是农业电气化的先决条件。农村供电系统由供电电源及电力网组成,农村供电的特点是:电能用户分散,输电距离远,用电负荷密度小,且受季节与气候的影响,电压较难达到标准,单机或单户用电量小,送、变电设备单位容量的送电量低,因此发、输电成本均高于城市。农村供电部门的任务是研究并采用先进技术、设备和科学管理方法,制订合理的供电规划,保证供电的质量和可靠性,降低电能及输电成本,扩大供电范围,以促进农村经济的发展及提高村镇居民的生活水平。
农村供电始于19世纪初,美国至1933年,全国只有10.9%的农场获得电能供应;苏联在十月革命前,主要由农村小电站供电,用电量仅为12万千瓦时。随着农业电气化及国家电力系统的发展,为农村供电的发电厂规模逐渐扩大,由大电网供电的农村电力网逐年建设,至第二次世界大战后,大电网供电迅速发展,在农村供电中的比重不断增长。到70年代末,日本、苏联、美国、法国、德国等国的农村用电已主要或几乎全部由大电网供电。适合于农村特点的电源电网结构、专用电器设备、自动控制装置和运行技术不断发展,80年代,电子计算机在农村供电系统的控制、运行及管理诸方面得到推广应用。到1985年,美国农村用电量达1700亿千瓦时,苏联达1049亿千瓦时。
中国在1936年以前,除东北四省外,发电装机容量共为63万千瓦,发电17亿千瓦时。1949年初,全国发电装机容量仅184.86万千瓦,总用电量为34.5亿千瓦时,而农村用电仅为0.2亿千瓦时,农村电力事业的发展,主要是在1949年以后,大幅度增长是在80年代,年用电量平均增长13.9%,到1990年农村用电量达到1013亿千瓦时。中国代表年度农业用电量如表1所示。

表1 中国代表年度农业用电量

年度全国总用电量
(亿千瓦时)
农业用电量
(亿千瓦时)
%
1949
1957
1960
1966
1971
1975
1980
1985
1990
34.50
164.07
538.40
699.90
1 012.70
1 569.70
2 516.40
3 484.00
6 127.98
0.20
1.08
7.00
54.58
97.00
211.00
372.50
603.03
1 013.30
0.58
0.66
1.30
7.80
9.60
13.44
14.80
17.31
16.83

农村供电电源 有大电力系统(大电网)、发电厂及各种小型发电装置三类。❶大电网。由许多发电厂经变电所和输电线路连接组成。它利用用户需用电能的不同时性和地理时差调节电力负荷峰值,扩大备用电源容量,充分利用水能、劣质煤等一次能源,具有供电可靠性高、电能质量好、电价低廉、管理方便和调度灵活等特点,是现代较完善的二次能源。
❷发电厂。是将载能质的能量转化为可利用能量的工厂。根据所利用的载能质的不同,分为火电厂、水电厂、潮汐电站、地热电站,还有核电站等。发电站除并入大电网运行外,也单独向用户供电。
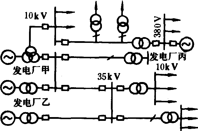
❸小型发电站。对远离大电网的农村,各类小型发电站是其重要电源。有小水电站,及利用风能、太阳能发电装置。一些偏僻农村,也有用柴油、沼气发电装置作为电源的。图1所示为发电厂供电系统。

(a)孤立发电厂供电系统

(b) 中小型及农村发电厂供电系统

图1 发电厂供电系统


农村电力网主要由农村电力线路和农村变电站组成,其结线方式多为单电源辐射状。为了提高供电可靠性,实现不间断供电,可采用有备用的双电源环状结线(开环或闭环)或其他有备用的结线方式(图2)。

图2 农村电力网结线方式


农村电力线路担任着输送和分配电能的任务。输送电能的称送电线路,分配电能并同用户受电器或配电变压器直接联结的称配电线路。农村电力线路的电压等级有: 220千伏、110千伏、35千伏(60千伏)、10千伏(6千伏)及低压380伏等。35千伏及以上为送电线路电压,10千伏及以下为配电线路电压。有时35千伏(60千伏)作为配电线路电压,1千伏以上为高压配电线路,1千伏以下为低压配电线路。
电力线路由结构上分为架空线路及电缆线路,架空线路造价低,取材容易,施工方便,在农村电力网中得到广泛应用。它由悬挂在杆塔横担上的绝缘子挂住导线,35千伏及以上架空线路在发电厂、变电所的进线段或沿全线架设避雷线,并加装杆塔接地装置。导线用LQJ型钢芯铝绞线或LJ铝绞线,低压配电线路用铝绞线或绝缘铝绞线,有的国家用铜线或钢芯铜绞线。绝缘子有针式、悬式、瓷横担3种,由于瓷横担可以节约钢材,造价低,绝缘强度高,在中国逐渐取代针式绝缘子,用于农村高压配电线路的直线杆。线路杆塔主要为钢筋混凝土单杆或双杆,也可用铁塔或木杆,有的国家大量使用经化学处理的木杆,使用寿命可达30年以上。电缆线路采用有防护层的单芯或双芯绝缘导线,可以直接敷设在地下或水下。70年代中,中国部分井灌区使用了低压直埋式简易铝芯塑料绝缘线(俗称地埋线),具有不占耕地,投资少,不影响田间作业等优点。
农村电力线路的输送能力即能够安全、经济通过输送的功率,它取决于允许电压损失、功率损失及电能损失率。短线路还取决于导线的允许温升。电力输送能力大体上和线路电压的平方成正比,而和输送距离成反比,也和导线材料、截面及调压、调相设备有关。
中国农村电源发展概况如表2所示。
农村变电站 由变压器、高低压配电装置、无功功率补偿设备以及测量、继电保护、自动控制、信号、通讯装置和必要的建筑物等构成。用以汇集电源、升降电压和分配电能,并对出线及电气设备进行操作、控制和运行监视,是农村电力网的枢纽。其电压等级有:110/35(60)千伏、35(60)/3~10千伏、35/0.4千伏和35/10/0.4千伏等多种。站址一般选在靠近负荷中心、有适当的进出线走廊、交通方便、水文地质条件适宜的地方,并尽量不占或少占农田。变电站的供电半径一般不超过其低压侧电力线路的输送距离。
农村变电站安装的变压器一般为一台或两台。其主接线根据该站的重要程度、容量大小、变压器台数、用户对供电可靠性的要求、电压等级和电网的接线方式等因素决定。高压侧常用的接线方式有: 单元式接线、单母线、单母线分段和桥式接线等; 低压侧的接线方式有: 单母线、单母线分段(有时带旁路母线)等。小容量终端变电站,采用高压侧不装断路器,仅装跌落式熔断器或接地刀闸的简易单元式接线。
农村变电站的配电装置有户内式和户外式两类。高压侧一般为户外式,6~10千伏及以下;低压侧多为户内式。选用户外式成套配电装置或建设成套式变电站,可以大大减少土建和安装工作量,缩短施工期,并节约投资。工业发达国家很重视发展简易成套变电站,并实现自动和远动化,不用值班人员;不重要的变电站不装远动装置,仅装设必要的自动装置,也可实现无人值班。中国于1984年通过技术鉴定的小型化35千伏农村变电站,已实现一次设备户外和立体布置,并具有以微处理机为核心的控制系统和以CMOS集成电路为主体的继电保护、中央信号和自动装置系统。

表2 中国农村电源发展概况

年 度水电装机送电线路(万千米)变电设备(106千伏安)
年末装
机容量
(万千瓦)
平 均
递 增
%
35千伏3~10千伏35千伏主变10千伏配变
年末拥
有 量
平均年
增加量
年末拥
有 量
平均年
增加量
年末拥
有 量
平均年
增加量
年末拥
有 量
平均年
增加量
196224.0 1.0 6.48 1.644 2.81 
调整时期
(1963~1965)
 11.2 0.28 2.55 0.433 1.055
196533.0 1.84 14.15 2.493 6.01 
“三五”时期
(1966~1970)
 25.3 0.4 4.22 0.528 1.557
1970102.0 3.84 35.28 5.582 13.97 
“四五”时期
(1971~1975)
 24.7 0.82 7.18 1.345 4.699
1975308.0 7.94 71.16 14.80 37 .29 
“五五”时期
(1976~1980)
 17.6 0.726 6.70 1.695 8.073
1980693.0 11.57 104.65 23.28 77.65 
“六五”时期
(1981~1985)
 6.6 0.784 9.06 1.959 5.490
1985953.0 15.49 149.99 33.07 105.10 
“七五”时期
(1986~1990)
 6.7 1.126 7.486   9.364
19901 318.0 21.12 187.42  151.92 

农业供电配电方式 低压配电网用三相四线制或三相三线制(Y接线,当仅有三相动力用户时),高压配电网用三相三线制、两线一地制(图3)和三相单相混合制。两线一地制是用大地作一条导线的对地不对称的三相系统,可省一条导线及相应的器材、投资,并有节能效果,但掉闸率高,工作接地装置长期通过负荷电流,对通信线路干扰严重,使其应用受到一定限制。三相单相混合制是高压主于线为三相四线制或三相三线制,而用户分支线为单相制的配电方式。有的国家广泛采用主干线为三相四线制的混合配电方式。

图3 农村配电网配电方式

(a)高压为三相三线制; (b)高压为两线一地制


1982年美国农村电力合作社建有电网360万千米,1985年农村配电线路为全美的44%,平均每千米用户为2.9,农电系统服务面积为全美的70%,而用户人口仅占10%。
电能在农业生产及居民生活中的应用 农业用电项目约有500多种,遍及农业生产过程和环节。电能具有其他形式能量所无法比拟的特点,在农业的特殊条件下,充分显示其优越性:❶农业生产劳动强度大、占用人力多、劳动条件差,利用电能可有效地改善这种状况。如1千瓦的电动机即可取代约14个人的手工劳动,电动机还可完成其他动力机械难以甚至无法完成的作业,如在高原和严寒条件下的作业,潜水电机的水下作业等。
❷电动机结构牢固,工作可靠,使用方便,操作简单,有很高的技术完好率,可较好地满足农作时间性的要求。
❸电能分配的灵活性和输送的方便性,非常适合于农业区域辽阔、负荷分散等特点。机械能和热能只能在有限的空间传输,而电能传输的范围几乎是无限的。在大型、宽幅和联合田间作业机组上,用电力传动取代机械传动,可以大大减轻机具重量,降低材料消耗和能耗,提高作业质量。
❹电气设备在工作过程中基本不污染环境,这对温室和畜牧场尤为重要。
❺电能可同其他各种形式能量极其方便地、又互为可逆地转换,因而可满足农业生物体对光、热、力、电、磁、声、化学和生物能等各方面的要求,且一切光、热、力、磁、声、化学和生物状态的变化,都可以形成电的信号而显示出来。借助于电磁波空中扫描,可监测整个地区、整个国家以至全球作物的长势及灾情,并据以估计产量; 借助通电的植物生长计,可以测得在数分钟内茎杆直径生长速率的变化,从而观察农业措施或环境因素变化的影响。
❻静电场、交变电场、磁场、直流电流、工频、高频和超高频电流以及红外、紫外、伦琴和电离辐射等电能直接作用于农业生物体和农产品,可以产生特殊效果: 如静电喷药可使有效沉降率增加30~40%; 在高频电场烘干谷物,可杀死害虫而种子不受损伤; 交、直流电作用于植物根部,可使绿色物质产量增加40%; 用电化学方法为农作物施加微量元素,有时可使产量提高2~3倍; 土壤中通以高压脉冲电流可以灭草、杀虫; 不同频率的电磁波可刺激动植物的生长,提高其产品率或产量等。此外,辐射对作物及微生物遗传性的影响,还可被用于选育种、果蔬保鲜和杀菌灭虫等。
农村居民生活、照明电气化, 对改善农民生活条件, 丰富文化生活起着显著作用。尤其是家用电器的普及, 不仅改善农村妇女的家务劳动条件, 且促进农民文化水平的提高。中国农村的生活、照明用电量增长较快, 1976年仅为43.99亿千瓦时, 1984年达100.6亿千瓦时, 1990年达208.44亿千瓦时。

表3 中国农业用电组成(%)

项目
年份
排灌农业
生产
农副
加工
乡镇
企业
生活
照明
其他
1965
1975
52.5
50.2

29.8
25.0

17.7
24.8
1980
1985
37.6
22.0

22.7
20.3
18.7
32.4
16.9
20.8
4.1
4.5
199018.55.8913.537.220.64.31

中国农业用电组成如表3所示。

农业电气化agricultural electrification

为发展农业生产和提高广大农民的物质文化水平而进行的电力能源开发、输送、分配及广泛应用的综合过程。实现农业电气化可大大提高劳动生产率,改善劳动条件,减轻劳动强度,且电能易于进行各种能量形式之间的可逆转换(如光、热、声、磁、化学能等),为农业生产提供最适宜的环境条件;此外应用电能还具有工效高、操作简便、维修容易、监控和防护系统完善、工作可靠、自动化程度高等特点。因此实现农业电气化,对推动农业现代化的发展将起着巨大的作用。

农业电气化

农业电气化

农业中广泛使用电力。农业现代化的重要组成部分,主要包括: (1) 以电力作为农业机械化的动力资源; (2) 采用电器装置进行增温、加热、冷却、照明等; (3) 把电子设备 (如电子计算机) 用于生产管理。电气化生产具有效率高、费用低廉、机动灵活和稳定可靠等优点,是农业机械化、自动化、工厂化和管理现代化的物质技术基础。农业电气化是农业生产力发展到一定水平的标志。农业电气化的过程在20世纪40年代进展很快,在70年代,电子技术大量运用于农业生产经营管理之后,便进入了一个崭新的阶段。

☚ 农业化学化   农工一体化 ☛
00004910
随便看

 

离鸟网收录3541549条中英文词条,其功能与新华字典、现代汉语词典、牛津高阶英汉词典等各类中英文词典类似,基本涵盖了全部常用中英文字词句的读音、释义及用法,是语言学习和写作的有利工具。

 

Copyright © 2004-2024 vtrois.com All Rights Reserved
更新时间:2026/4/21 13:39:19