网站首页  词典首页


请输入您要查询的字词:

 

字词 体温测量
类别 中英文字词句释义及详细解析
释义
体温测量

体温测量

体温是重要的生理指标之一。体温测量是指对身体内部的体核温度(Body Core Temperature)、脏器温度及皮肤温度等多种体温的测量。测量体温的装置称为体温计。体核温度是指能表达身体总体状况的头部或躯干的内部温度,用于累及全身疾病的诊断和病情变化的观察。目前国内临床常规体温测量,一般是用水银体温计从口、腋下或直肠测量体核温度,其正常值分别为: 口温36.2~37.2℃;腋温36.0~37.0℃; 直肠温36.7~37.7℃。脏器与皮下组织局部的温度能较直接地反映局部的温度变化,有利于对其原因作出推断。皮肤温度由深部组织温度、浅表层的产热及散热速度等条件决定,在设法减小环境温度的影响并且精度要求不高的情况下,可反映甚至代表皮下组织温度及体核温度。
测量体温的方法很多,按探头(传感器)与人体的耦合方式可分为接触式和非接触式两类。接触式体温测量方法比较简单、经济,在临床上广泛应用。非接触式测量方法避免了测温探头对被测者温度分布的干扰,但仪器复杂昂贵,尚未得到广泛应用。
接触式体温测量 传统的接触式体温计是玻璃水银体温计。其成本低,精度高,使用较简便,但存在不能连续测量和记录体温变化等缺点,为此,相继出现了电子体温计、深部体温计、液晶体温计和固-液相变体温计等。
(1) 电子体温计:利用某些电子元件对温度敏感,其某种参数与温度保持确切关系的特性进行体温测量的仪器称为电子体温计。在结构上,一般包括测温探头(传感器)、测量放大温度信号的电子电路和显示等部分,并可与合适的记录器连接,记录温度的动态变化曲线。在生物体或生物医学实验的温度范围内。多种温度敏感元件,如热敏电阻、金属丝热电阻、热电偶、晶体管PN结、压电石英晶体等,都可用来制作电子温度计的传感器。
❶热敏电阻式:一般采用负温度系数热敏电阻,其R(电阻)-T(温度)特性满足RT=R0exp〔B(1/T-1/T0)〕,式中RT和R0分别为热敏电阻在绝对温度T和T0时的电阻值,T0通常取298°K(=25℃);B为材料常数,与材料和制作工艺有关,其典型值为4,000°K。热敏电阻式体温计的主要优点是:灵敏度和分辨力高,体积小,测量电路简单,R-T曲线的非线性在体温测量的小范围中较易克服;
❷金属丝热电阻式:最好和最常用的材料是铂,其次是铜、镍、铁。其R-T特性可表示为Rt=R0(1+At+Bt2),式中R0为0℃时的电阻值; A、B均为常数。金属丝热电阻性能稳定,但灵敏度低,因此对测量电路要求高;
❸热电偶式:两种不同金属接成闭合回路,并且接点温度分别为绝对温度T1和T2时,回路有热电势E=α(T1-T2)+γ(T21-T22),其中α,γ为热电偶的常数。由于第二项较小,则在T1-T2不大时,热电势E与温差T1-T2的关系可近似看成线性。最常用的热电偶的灵敏度在6.2~80μV/℃之间。其优点是结构简单,可制成形体很小的针状,但其参考结点需要温度恒定或进行补偿;
❹晶体管PN结式: 晶体管PN结的正向电压、电流和它的温度之间的关系可表示为:V=Vg/q-2kT/q,〔lnc-lnI〕,式中Vg是半导体材料在0°K时的禁带宽度;q是电子电量;k是波尔兹曼常数;对于给定的晶体管,c是与温度无关的常数。可见,在恒定电流情况下时,PN结的电压与温度成线性关系。硅晶体管PN结的灵敏度,在10μA时约为-2.8mV/℃,在1mA时约为-2.0mV/℃;
❺石英晶体式: 石英晶体的谐振频率与温度的关系可用三次多项式f(T)=f(0)〔1+aT+bT2+cT3〕表示,式中f(T)和f(0)分别是T℃和0℃时的谐振频率; a、b、c是常数,与石英晶体切型有关。当采用一定的晶向和以最低频率切变模式工作时,谐振频率与温度成线性关系,温度系数为35.4ppm/℃。若采用基准频率为28.2MHz的晶体和10秒的记数间隔,绝对精度可达0.02℃,线性度比铂电阻式温度计高10倍左右。它可不用模数变换,直接作成数字体温计。


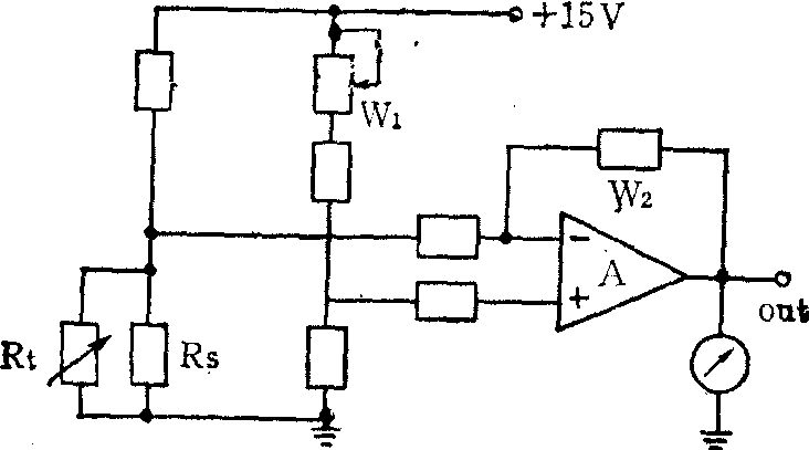
图1 一种电子体温计的基本电路


图1是一种采用热敏电阻RT(在探头中)测温,由电桥检出温度信号,经放大器A放大后进行显示或接记录器的电子体温计基本电路。电子体温计的探头可根据需要做成各种样式。从口腔、腋下或直肠测量体核温度的探头一般做成棒形。将敏感元件置于导管前端,插入食道、膀胱、血管等,可测量所抵部位的确切温度。使敏感元件与皮肤很好热耦合即可测皮肤温度。若把微型测温无线电发射机做成丸状,吞入体内,并在体外接收其信号,可跟踪测出消化道各部位温度的分布。电子体温计的种类和规格很多,精度各不相同,一般不低于± 0.1℃。(2)深部体温计: 用零热流法经皮测量皮下组织温度的仪器称为深部体温计。其原理是利用热补偿装置使局部体表不向大气散热,过一定平衡时间后,此处皮肤温度与皮下组织深部的温度相等,于是测出该处皮肤温度便可代表皮下组织深部的温度。在结构上,它实质是一个精确跟随被测处皮肤温度升降变化的局部环境温度跟随器,如图2所示。传感器中,
❶为接触皮肤的测温热敏电阻;
❷为接触传感器外部起均热作用的金属壳体;
❹为热敏电阻;
❸为被
❶、
❷测出的温度差控制的断续式加热器,它使壳体
❷及其封闭的小环境的温度与此处皮肤温度趋于相等,于是此皮肤散向大气的热流便趋于零。使用时,将传感器固定于体表,经过一段升温稳定时间,即可读出该处皮下组织温度。此数值及其动态变化可由记录器记录,若量程为30~40℃时,精度约为±0.1℃。


图2 深部体温计原理


深部体温计的优点,是可以无创地长时间连续记录皮下组织温度的随时间变化曲线,成本较低,使用方便。用多路深部体温计可同时记录体核温度和末梢温度,左右侧对称部位温度,以及局部发病区与附近健康部位的皮下组织温度,便于对比分析。缺点是初始响应时间较长,约为15~20分钟。
(3) 液晶测温和固-液相变体温计:
❶液晶测温膜: 液晶测温是基于液晶的色别-温度效应。例如,一些胆甾相液晶的色泽变化与感受到的温度具有稳定的对应关系。液晶测温膜就是利用这种特性制成。一般由三层组成,最下层是底膜,中层为液晶树脂涂层,上层为树脂保护层。其液晶层在白光照射和一定视角下,反射光的波长随温度升高而缩短,其本征色也随之发生变化。使用时选取合适大小的液晶膜,用聚乙烯醇溶液将其紧贴于皮肤,根据各个区域的颜色进行分析诊断。若借助于校正图,可知任一点的具体温度值,精度可达0.1℃左右。液晶膜置于光纤前端,可插入体内测量器官或血液温度;
❷液晶体温计: 某些特殊配方的液晶混合物具有精确的临界温度。当达到或超过此温度时,这种液晶的特征色消失,变为无色透明液体,而且当温度下降到临界温度以下时,特征色的恢复有一定滞后时间。液晶体温计是由不同临界温度的液晶小片按一定次序排列而成。它不仅可贴于体表测量皮肤温度,而且可放入口腔或腋下测量中枢温度。根据从哪片开始本征色消失可知温度数值。精度主要由相邻两片的临界温度差决定,例如,用10个小片可制成从36.7~39.2℃的分辨率约为0.28℃的液晶体温计。液晶测温具有简单、安全、直观等优点,正逐渐得到人们的重视,但测量结果不能进行自动记录;
❸固-液相变体温计:它基于某些物质具有严格确定的溶点的特性。例如,一溴二硝基苯和一氯二硝基苯混合,可得到溶点严格受配比控制的固溶体。已经有用45种这类固溶体制成的量程为35.6~40.4℃,依次溶点差为0.107℃的一次性使用临床体温计。
非接触式体温测量 包括红外线热图和微波热图,它们都是基于测定生物机体以电磁波形式辐射出的能量。
(1) 红外线热图:是利用红外线成象原理,把某一部分体表或离体组织的温度分布,以热图象的形式显示或记录下来。其优点是无损伤,分辨率和灵敏度高,测量迅速,能得到直观温度连续分布的图象。缺点是造价昂贵,使用条件要求高(参见“医学成象”条)。
(2) 微波热图:与红外线热图的主要差别,是被它测量的电磁波波长不是人体发射的强度最大的红外线,而是微波,如厘米波。按照人体温度(约310K)下热辐射的强度——波长分布曲线,厘米波的强度大约只有最大强度红外线的10-8。但是,用现代技术,不仅能测出如此微弱的信号,而且能分辨出0.1℃量级的温度差别。由于肿瘤、血管阻塞等病变可引起1℃或更大的温度变化,它们辐射的微波穿过数厘米厚的组织后,虽被衰减,但其功率仍能保持相当大的比例,因此在体外仍能测出温度变化。与主要反映体表温度的红外线热图相比,微波热图的主要优点是能检测引起局部较大温升的体内病变。
微波热图开发于七十年代末期,测量的频率有1.3GHz、3.3GHz和6.0GHz等多种。由于微波热图发展较晚,仪器又庞杂昂贵,被测的肿瘤等病变又有种类、大小、深浅等多种因素的影响,因此它仍处在研究、改进过程中,尚未在临床推广应用。
☚ 脉搏测量   运动功能测量 ☛
00004735
随便看

 

离鸟网收录3541549条中英文词条,其功能与新华字典、现代汉语词典、牛津高阶英汉词典等各类中英文词典类似,基本涵盖了全部常用中英文字词句的读音、释义及用法,是语言学习和写作的有利工具。

 

Copyright © 2004-2024 vtrois.com All Rights Reserved
更新时间:2026/4/19 1:44:15