网站首页  词典首页


请输入您要查询的字词:

 

字词 乌龙茶品质特征
类别 中英文字词句释义及详细解析
释义

乌龙茶品质特征quality characteristicsof oolong tea

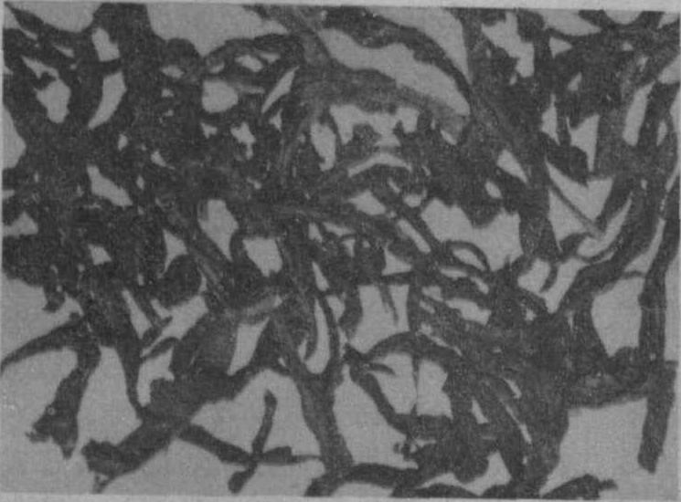
在色、香、味、形方面显示乌龙茶品质特点的性状。色青褐、汤金黄、绿叶红镶边, 香味芬芳浓醇。但因鲜叶的品种及采制工艺不同而有明显差异。乌龙茶条形壮实, 呈不同程度的紧卷扭曲或较长直; 色泽从青褐到棕褐均以油润为佳, 绿色部分常带砂粒状白点俗称“砂绿”; 香气具有花果香并因鲜叶品种不同而各具特色,俗称“品种香”;滋味醇厚回甘; 汤色从黄绿、金黄、橙黄到橙红; 叶底中心部分从黄绿到青绿并有红边或红点。(图1)。


图1 石古坪乌龙茶


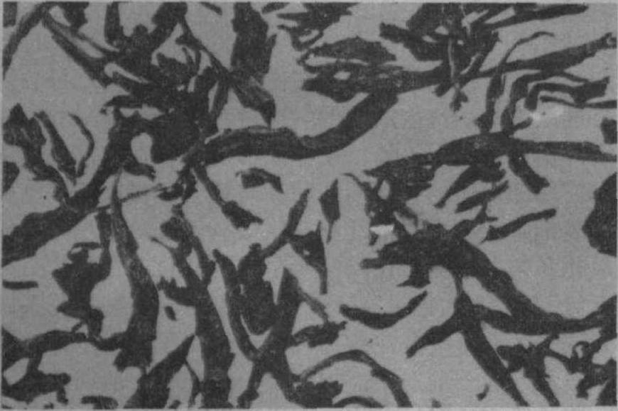
从制造工艺所引起茶多酚氧化程度的由深至浅而形成的品质特征可以台湾乌龙、武夷岩茶(包括闽北水仙、广东凤凰单丛和岭头单丛)、安溪铁观音(包括福建广东的色种和乌龙) 和包种茶为代表, 呈系列性变化。台湾乌龙外形含有毫芽, 叶条细嫩,色泽青褐,内质有果香; 滋味醇和, 刺激性弱; 汤色橙红; 叶底鲜红色部分较多。武夷岩茶茶条肥壮,叶端缩曲紧结,俗称“蜻蜓头”, 叶背起蛙皮状沙粒白点,俗称“蛤蟆背”;色泽青褐润亮, 俗称“宝光”; 红点显; 茶汤香气浓烈胜似兰花而深沉持久; 滋味浓醇清活, 生津回甘, 虽浓饮而不见苦涩; 这种特色被赞为“岩骨花香”, 俗称为“岩韵”(图2)。武夷岩茶汤色深橙黄; 叶底叶张中央为浅黄绿色, 红色部分比台湾乌龙少, 比其他乌龙茶多, 红、绿比例约为3:7或2:8。安溪铁观音外形扭卷紧结, 身骨沉重, 色泽润亮。沙绿明显;汤色金黄;香气馥郁浓烈而有甘甜之感, 滋味浓厚滑爽, 浓饮入口稍苦涩, 后回甘, 历久犹有余香。铁观音所独有的香味特色俗称“观音韵”。叶底肥厚,青绿色有红点。铁观音与武夷岩茶均极耐泡,可冲泡3~4次或5~6次。广东凤凰单丛和岭头单丛, 条索壮实,色泽青褐带黄,似鳝鱼色、鲜润。前者香气浓烈, 有花香、味浓醇爽口,回甘味强; 后者香气喷发花蜜香, 味浓醇回甘。叶底均厚软, 红边绿腹。包种茶, 外形较粗大,不含毫(供作花包种原料用的含有毫芽)色泽深绿;汤色黄绿到金黄; 滋味醇和, 香气较低。乌龙茶中如水仙茶条较长直, 叶端扭曲, 香清味厚; 乌龙叶条较细紧, 香高而细; 黄棪叶张薄而香气佳美带桂花香, 味较淡; 佛手(香橼种、雪梨种), 叶条肥壮, 香锐味浓; 这些特征多半出自鲜叶所属的茶树品种。


图2 武夷岩茶


乌龙茶烘焙火温高, 所以毛茶特征与成品有较大区别。经久藏的成品, 色泽、汤色均变深, 香味也有较大的变化。
随便看

 

离鸟网收录3541549条中英文词条,其功能与新华字典、现代汉语词典、牛津高阶英汉词典等各类中英文词典类似,基本涵盖了全部常用中英文字词句的读音、释义及用法,是语言学习和写作的有利工具。

 

Copyright © 2004-2024 vtrois.com All Rights Reserved
更新时间:2026/4/20 20:24:20