网站首页  词典首页


请输入您要查询的字词:

 

字词 麻类植物的解剖结构
类别 中英文字词句释义及详细解析
释义

麻类植物的解剖结构


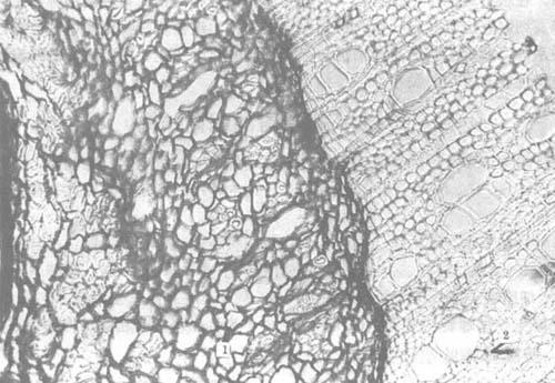
造纸用的麻类植物有大麻、亚麻、苎麻、红麻、黄麻等均属于双子叶草本植物。麻类植物的茎秆主要由两大部分组成即韧皮部及木质部。从茎秆的横断面来看由外到里依次可分为表皮层、厚角细胞组织、薄壁细胞组织、韧皮部、形成层、木质部和髓(图2-2-9)。韧皮部纤维一般都细而长,是造纸的好原料。木质部纤维较短,形似双子叶禾本植物的木质部即阔叶木纤维,也可用于造纸。韧皮部纤维在茎秆中的排列和组合状态随品种而异,有的韧皮部较发达,皮质较厚,薄壁细胞含量较少,从横切面看每个“径向行”都由5~6个纤维群体组成,例如红麻就属于这种组织结构,其皮部组织比较发达,皮部比例高达25~30%。而亚麻、大麻等仅有15~20%,每一“径向行”上的纤维群体也较少。

图2-2-9 大麻横切面

1-韧皮部 2-木质部

麻类植物的木质部,断面形态实际上近似阔叶木的散孔材,导管散布在纤维细胞及木射线细胞之间。射线细胞较多,从髓心一直延伸到皮部,并多呈双行排列。由于一年生长季节不同,近髓的纤维细胞壁较薄,外侧较厚,形成一种环状结构。在麻类植物的木质部中,一般薄壁细胞含量较高,往往高达30~40%(体积比),超过一般造纸常用阔叶木的杂细胞含量。其来源是除木射线细胞之外还有髓细胞,还有纵向薄壁细胞,这一点和造纸常用多年生的木本双子叶植物即阔叶木结构不同。

随便看

 

离鸟网收录3541549条中英文词条,其功能与新华字典、现代汉语词典、牛津高阶英汉词典等各类中英文词典类似,基本涵盖了全部常用中英文字词句的读音、释义及用法,是语言学习和写作的有利工具。

 

Copyright © 2004-2024 vtrois.com All Rights Reserved
更新时间:2026/4/20 14:52:39