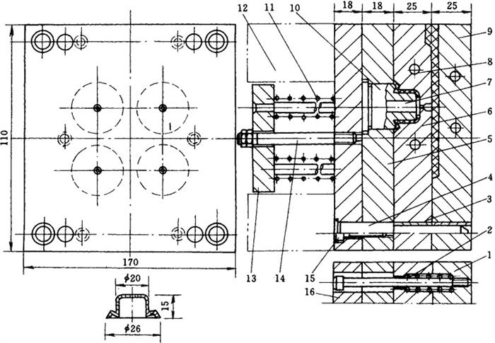
此模安装在30g角式注射机上,一模成型4件,可自动脱模。
注射成型后开模时,件9和件8首先分开,随后件8和件5分开,塑件在顶出系统件7的作用下,自动掉下来。顶出系在弹簧11的作用下,可自动复位。
弹簧1四个,均布在模具的两边,弹簧11四个,套在顶杆7上,弹簧要具有足够的刚度,连续工作不得发生残余变形。
拉杆14两个,均布于顶板13的两边。导柱4四个,均布于模具的四角,要具有足够的耐磨性。
冷却水道要均布于模具型腔的周围,距型腔既不能太远,也不能太近,更不能穿透型腔。
件9和件6分开的距离大小,由件2控制,能取出流道赘物即可,见图5-37。

图5-37 高压聚乙烯瓶塞
1—弹簧 2—限位螺钉 3—导套 4—导柱 5—动模型板 6—定模型板 7—顶杆 8—冷却水道 9—定模板 10—成型芯 11—弹簧 12—支板 13—顶板 14—拉杆 15—螺钉 16—垫板
浇口的尺寸为0.5~0.8mm。