网站首页  词典首页


请输入您要查询的字词:

 

字词 高压断路器的分类及特点
类别 中英文字词句释义及详细解析
释义

高压断路器的分类及特点


高压断路器是高压开关设备中最重要、最复杂的一种。高压断路器可用来接通或断开正常负载下的高压电路,当电路发生突发事故时,高压断路器能迅速动作,断开短路电流,起着控制和保护的双重功用。且大部分断路器可进行快速自动重合闸操作,即线路临时故障一经排除,能及时恢复正常运行。

高压断路器根据其灭弧和纸绝缘介质情况可分为充油、充气、磁吹、真空等类别;按其油量可分为多油和少油两类。各类断路器的主要特点见表5-1。

表5-1 各类断路器的分类及主要特点

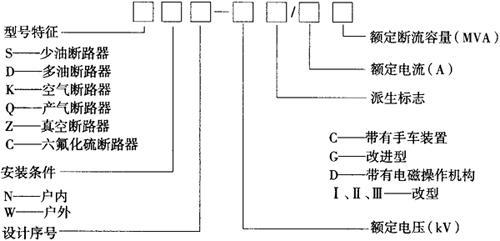
高压断路器型号及含义如下:

随便看

 

离鸟网收录3541549条中英文词条,其功能与新华字典、现代汉语词典、牛津高阶英汉词典等各类中英文词典类似,基本涵盖了全部常用中英文字词句的读音、释义及用法,是语言学习和写作的有利工具。

 

Copyright © 2004-2024 vtrois.com All Rights Reserved
更新时间:2026/4/20 20:49:25