
制法
杜美丝用作电真空灯泡导体,基体为镍铁合金,外部为铜镀层,主要金属含量为Ni:32.1%;Fe:44.7%;Cu:23%。
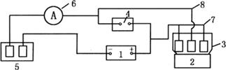
电解法的装置如下图所示:

1.WY-302-C晶体管稳压电源 2.磁力加热搅拌器 3.500ml烧杯 4.PZ-100型数字式电压表 5.铜库仑计 6.T-5l型安培表 7.废杜美 8.阴极铜片
电解液量为500ml,阴阳极面积比为1:8,由恒温搅拌器控制温度为40℃。铜库仑计配液为:Cu2+40g/L,H2SO4 50g/L。电流密度不大于100A/dm2,最佳为14A/dm2;游离三乙醇胺浓度为0.648mol/L;溶液的pH=7;添加剂:添加皂液于电解液中,使电解液中皂液的浓度为0.005%。
按图接好电路,将电解液按所需的浓度和温度调节好,调节稳压电源到所需电流。在规定时间内刮粉,并在每次刮粉前测定槽电压。电解结束后将电解槽内的铜粉连同电解液倒入布氏漏斗过滤,用蒸馏水(50~60℃)洗涤3次,抽干,用0.1%皂液洗涤,再用蒸馏水洗。将抽滤纸连同铜粉取下装入表面皿,放入烘箱,在80℃下烘10h,即得铜粉,研磨10min,用74μm孔径过筛。