网站首页  词典首页


请输入您要查询的字词:

 

字词 钣金用钢
类别 中英文字词句释义及详细解析
释义

钣金用钢


(一)钢的分类与编号

钢的种类繁多,为了便于钣金生产时选用材料,本书均按表2-12~表2-14分类和编号,以便后续按用途分类介绍。

表2-12 钢的分类

表2-13 碳钢的编号方法

表2-14 合金钢的编号方法

(二)结构钢

结构钢按用途可分为工程用钢和机器用钢。工程用钢主要是用于各种工程结构,大都是普通结构钢,即碳素结构钢和低合金高强度结构钢。机器用钢主要是用于制造机器零件,一般要经过热处理后使用;大多是优质结构钢,即优质碳素结构钢和合金结构钢。钣金结构使用的钢既有碳素结构钢和低合金高强度结构钢,又有含碳量低的优质碳素结构钢。

1.碳素结构钢

普通结构钢使用时,一般不进行热处理,大多数是在热轧状态下或热轧后正火状态下使用,如有特殊需要时,也可以进行一些相应的热处理,如淬火、正火等。部分钢的牌号、成分、性能及应用列于表2-15和表2-16。

表2-15 碳素结构钢牌号、成分、性能和应用(摘自GB/T700-1988)

表2-16 碳素结构钢制造压力容器承压构件条件(摘自GB150-1998)

2.优质碳素结构钢

优质结构钢供货时,既要求保证化学成分,又要求保证力学性能,而且比普通结构钢规定更严格,其硫、磷含量均控制在0.35%以下,非金属夹杂物也较少,质量级别较高,一般在热处理后使用(容器专用钢除外,如20R)。部分钢的化学成分、力学性能及应用列于表2-17~表2-19。

表2-17 优质碳素结构钢的化学成分及力学性能(GB699-88)

表2-18 优质碳素结构钢的热处理及应用(摘自GB699-88)

表2-19 20R和08A1钢的化学成分、力学性能和冷弯性能(摘自GB6654.-1996)

注:*按拉深用途分为三级:ZF用于拉深最复杂零件;HF用于拉深很复杂零件;F用于拉深复杂零件。

3.低合金结构钢

此类钢亦称为低合金高强度钢,是在普通碳素钢的基础上加入不超过2%~3%的合金元素,以提高其强度,主要用于各类工程构件,用途最广,用量最大,通常经过热轧后在退火或正火状态下使用,不再热处理。并根据用途可分为普通低合金钢,压力容器专用低合金钢、低合金高温用钢、低合金低温用钢、耐蚀用低合金钢等。

(1)普通低合金钢:这类钢含碳量在0.10%~0.25%,合金元素含量<3%,其屈服点比碳素钢高25%~50%,特别是屈强比(σs/σb)明显提高,因此又称为低合金高强度钢。

除具有比碳素钢高的强度外,还具有良好的塑性、韧性、焊接性及较好的耐磨性与耐蚀性,尤其是加入Mn、Si、V、Ti、No、Cu、P和Re等元素后,Mn、Si对铁素体起固溶强化作用并增加强度,V、Ti、Nb可细化晶粒并提高韧性,Cu、P可提高耐蚀性,稀土元素有利于脱氧、脱硫和净化钢中有害杂质,可以改善钢的性能。

采用普通低合金钢制造轿车构件,不仅可减轻车身质量,保证使用可靠、耐久,还可节约钢材,如用16Mn来代替Q235A钢,一般可节约钢材20%~30%。常用低合金钢的牌号、成分及性能如表2-20和表2-21所示。

表2-20 常用低合金结构钢的牌号及化学成分(摘自GB/T1591-1994)

表2-21 常用低合金结构钢的力学性能及应用(摘自GB/T1591-88和GB/T1591-1994)

注:冷弯试验时,d表示弯心直径,a表示试验厚度;冲击试验时,V型、纵向20℃下。

(2)低合金高强度容器钢:按照《钢制压力容器》GB150-1998推荐使用的低合金高强度钢钢板为16MnR、15MnVR、18MnMoN6R、13MnNiMON6R、07MnCrMoVR。

低合金高强度钢钢管为16Mn、15MnV,这些钢的化学成分性能指标及特点如表2-22~表2-25所示。

表2-22 低合金高强度压力容器钢的化学成分(摘自GB6654-1996)

表2-23 低合金高强度压力容器钢板常温力学性能(摘自GB6654.-1996)

注:*400℃时仍可达到300MPa。

表2-24 低合金高强度压力容器钢板高温屈服强度(GB6654-1996)

表2-25 低合金高强度压力容器钢性能特点及应用

(3)低合金低温用钢:目前由于能源结构的变化,愈来愈多地使用液化天然气、液化石油气、液氧(-183℃)、液氢(-252.8℃)、液氮(-195.8℃)、液氦(-296℃)和液化二氧化碳(-78.5℃)等液化气体,生产、储存、运输和使用这些液化气体的过程装备及构件,愈来愈多的在低温工况下工作,低温下使用的压力容器、管道、设备等对低温材料的强韧性要求也愈来愈高。

一般用于0℃以下温度的材料称为低温材料。低温金属材料普遍使用低合金钢、镍钢、铬镍奥氏体钢、钛合金及铝合金等。

常用低温钢见表2-26和表2-27。

表2-26 常用低温钢分类、化学成分及特点

表2-27 常用低温钢力学性能及用途

(4)低合金耐腐蚀钢:根据不同的腐蚀环境加入各种不同合金元素,不同合金含量的耐蚀低合金品种很多,按使用环境不同可分为耐大气腐蚀的低合金钢、耐海水腐蚀的低合金、耐湿H2S腐蚀开裂的低合金钢和抗氢、氮、氨腐蚀的低合金钢四大类。各类钢的化学成分力学性能及用途等如表2-28~表2-31所示。

表2-28 中国耐大气腐蚀低合金钢的化学成分及力学性能

表2-29 中国耐海水腐蚀用钢的成分及力学性能

表2-30 中国研制的抗H2S腐蚀开裂用低合金钢

表2-31 抗中温高压氢和抗氢氮氨用低合金钢成分及力学性能

注:①1Cr-0.5Mo相当于中国牌号15CrMo;1.25Cr-0.5Mo相当于中国牌号14Cr1Mo;2.25Cr-1Mo相当于中国牌号12Cr2Mo1。

②微碳纯铁用于小型氨厂合成塔内件;合0.5Mo钢用于低、中、高压锅炉受热面和联箱管道、冷壁管、省煤管、过热器管、加氢脱硫反应器等;含1M。钢用于高温高压生产管、热交换器管、单层中温高压容器及炉壳等。

4.零部件用合金结构钢

此类钢是在普通碳素钢基础上加入Cr、Ni、Si、Mn等,以提高钢的淬硬性、耐回火性和强化基体。Ni还能提高钢的韧性;加入Cr、V、Ti、Nb等细化晶粒,提高耐回火性和耐磨性;加入W、Mo、V、Ti提高钢的热硬性;加入B、Al等微量元素可显着提高钢的淬透性。按其用途和热处理特点,又可分为渗碳钢、调质钢、弹簧钢和滚动轴承钢等,有关性能及用途可查阅有关手册。

(三)特殊钢

特殊钢是指作特殊用途和具有特殊性能的钢,如不锈钢、耐热钢、磁钢等。磁钢亦称磁性合金或电工用钢,广泛用于电机及变压器。具有耐蚀的高合金钢,在优质低碳钢基础上加入总量10%以上的合金元素,既提高了钢在酸碱介质中的耐腐蚀性能,又提高了钢在高温下各类介质中的热稳定性及强度性能。各种合金元素对高合金钢的耐腐蚀性影响如表2-32所示。

表2-32 合金元素对高合金耐腐蚀性的影响

注:“√”表示提高耐腐蚀性;“×”表示降低耐腐蚀性;“〇”表示随介质而定;“-”表示作用不明显或未作深入研究。

1.不锈钢

不锈钢是指在腐蚀性介质中具有较高的抗腐蚀能力的高合金钢。在大气、水蒸气或淡水等弱介质中耐腐蚀或具有不锈性的钢称为不锈钢;在酸、碱、盐等化学侵蚀性强的介质中耐腐蚀的钢称为耐酸钢。两类钢的耐腐蚀性有差别,不锈钢不耐酸,而耐酸钢一般具有不锈性,简称不锈钢。常用不锈钢的组织分类、化学成分、力学性能及用途如表2-33和表2-34所示。

表2-33 常用不锈钢的化学成分及特点(摘自GB4237-1992,GB3280-1992)

表2-34 不锈钢的热处理规范、力学性能及用途

2.耐热钢

耐热钢是指在高温下具有高的热化学稳定性和热强性的特殊钢,亦称高温合金钢。按钢的组织结构不同,可分为珠光体耐热钢、马氏体耐热钢、铁素体耐热钢和奥氏体耐热钢四大类。“高温”常指高于450℃的工作温度,“耐热”是指钢在高温下有热稳定性和热强性;碳钢使用温度一般在450℃以下,高于450℃则推荐使用耐热钢,高于800℃时常用其他高温材料。耐热钢的分类、成分、热处理状态、性能及用途可查阅有关手册。

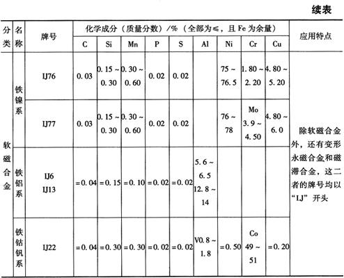
3.磁钢

磁钢在770℃以下具有磁性。磁钢的化学成分和应用如表2-35所示。

表2-35 磁钢的化学成分和应用特点

(四)模具钢

模具钢按其用途可分为冷作模具钢、热作模具钢和塑料模具钢三大类。冷作模具钢主要用于制造对冷状态下的钣金件进行压制成型的各种模具,如冷冲裁模具、冷冲压模具、冷拉深模具、压印模具、冷挤压模具、冷镦模具和螺纹压制模具。

这类模具在工作时承受很大的剪切力、冲击力和摩擦力,工作温度一般不超过200~300℃,因此要求模具工作部分有高的硬度(50~60HRC)、耐磨性、强度和韧性,这里主要介绍这类模具。常用冷作模具钢的化学牌号、化学成分、热处理、力学性能及用途如表2-36和表2-37所示,模具钢的选用如表2-38~表2-40所示。

表2-36 常用冷作模具钢的化学成分及性能特点(摘自GB1298-1986,GB/T1299-2000)

表2-37 常用冷作模具钢的热处理、性能及用途(摘自GB1298-1986,GB1299-2000)

表2-38 板材下料冲孔模具用材料选择

表2-39 软钢板材件减薄拉深模具用材料选择

注:*为了防止黏附,凸模可进行渗氮或镀硬铬处理。

表2-40 压印模具材料选择

随便看

 

离鸟网收录3541549条中英文词条,其功能与新华字典、现代汉语词典、牛津高阶英汉词典等各类中英文词典类似,基本涵盖了全部常用中英文字词句的读音、释义及用法,是语言学习和写作的有利工具。

 

Copyright © 2004-2024 vtrois.com All Rights Reserved
更新时间:2026/4/19 18:14:06