网站首页  词典首页


请输入您要查询的字词:

 

字词 钢筋混凝土基础施工
类别 中英文字词句释义及详细解析
释义

钢筋混凝土基础施工


钢筋混凝土受力性能好、适应性强、施工容易,是较好的基础结构材料。钢筋混凝土基础能与上部结构形成一个整体,其强度、耐久性和抗冻性都比较高,并且可以承受一定的弯矩和弯曲变形,所以在相同的基底面积下,基础高度可相应减小,实现基础的浅埋,可以节省开挖基坑的费用。但是,为了节约钢筋和水泥,它还不能全部代替其他基础材料,应根据合理利用地方资源和工程实际情况加以选择。钢筋混凝土基础多用于荷载较大或地基较差的墙柱基础和各类工业与民用建筑物、构筑物的基础。

利用钢筋混凝土材料特有的性能,可以设计出各种不同的基础形式,以适应和满足不同类型建筑的需要。如墙下条形基础、柱下独立基础、柱下条形基础(柱列用条形基础上部加设的基础梁联结成整体)、柱下十字交叉基础(纵横柱列均用条形基础上部加设的基础梁联结成整体)和片筏基础(构造类似倒置的楼盖梁板结构,又称为满堂基础)等。

(一)扩展基础的施工

扩展基础系指柱下钢筋混凝土独立基础和墙下钢筋混凝土条形基础。柱下独立基础,常为矩形、阶梯形和锥形。根据受力传递方式不同,基础的结构形式也不同,根据柱承受荷载的偏心距大小不同时,基础底板常为方形和矩形。建筑结构承重墙下多为混凝土条形基础。

1.扩展基础的构造要求

柱下钢筋混凝土独立基础(图2-46)和墙下钢筋混凝土条形基础(图2-47)的构造为:锥形基础边缘高度h,一般不小于20cm,阶梯形基础的每阶高度h1,一般为30~50cm。垫层的厚度一般为10cm。

图2-46 柱下钢筋混凝土独立基础

(a)矩形;(b)阶梯形;(c)锥形

图2-47 墙下钢筋混凝土条形基础

(a)阶梯形;(b)锥形;(c)矩形

底板受力钢筋的最小直径宜大于8mm,当有垫层时钢筋保护层的厚度不宜小于35mm,无垫层时不宜小于70mm,插筋的数目与直径应与柱内纵向受力钢筋相同。

垫层混凝土的强度等级一般为C10,基础混凝土的强度等级一般不宜低于C15。此外,现浇柱基础纵向钢筋锚固长度要求,当基础高度在900mm以内时,插筋应伸至基础底部的钢筋网,并在端部制成直弯钩;当基础高度大于900mm时,位于柱子四角的插筋应伸到基础底部,其余钢筋只需伸至锚固长度即可。

2.扩展基础的施工要点

(1)在验槽合格后应立即灌注垫层混凝土,以便保护已合格的基槽,垫层混凝土宜采用表面振动器进行振捣,要求其表面粗糙而平整。基坑验槽清理要求同刚性基础。

(2)当垫层混凝土达到一定强度后,在垫层上弹线、支模、绑扎钢筋网,按要求在钢筋网底部垫设水泥砂浆垫块,以满足钢筋保护层厚度符合设计要求。

(3)在浇筑基础混凝土之前,应再次清除垫层上的杂物,对支好的木模板应洒水湿润。

(4)基础混凝土宜分层连续进行浇筑。对于阶梯形基础,每浇筑完一层台阶的混凝土,应停歇0.5~1h,使混凝土初步获得沉实,然后再浇筑上层混凝土,以防止下级台阶的混凝土隆起;对于锥形基础,应保证锥体斜面的坡度,斜面部分的模板应随混凝土浇捣分阶段支设并顶紧支牢,以防止模板产生上浮变形,边角处的混凝土应特别注意捣实,严禁在斜面上不支模而只用铁锹拍实。

(5)当基础上有插筋时,应设法固定以保证插筋位置正确,防止浇捣混凝土时发生位移。混凝土浇筑完毕后,应及时进行覆盖和浇水养护,养护时间应符合设计要求。

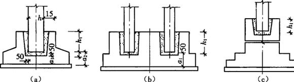
(二)杯形基础的施工

杯形基础是用于装配式钢筋混凝土柱的基础。杯形基础的形式,在建筑工程中常见的有一般杯口基础、双杯口基础和高杯口基础等,如图2-48所示。

图2-48 杯形基础的形式和构造示意图

(a)一般杯口基础;(b)双杯口基础;(c)高杯口基础

1.杯形基础的构造要求

杯形基础的构造要求,主要应符合设计的要求。在一般情况下,柱子的插入深度h1,见表2-26中的数值;基础的杯底厚度和杯壁厚度,见表2-27中的数值。杯壁配筋应符合设计要求并认真加以验算。

表2-26 柱子的插入深度h1mm

注:1.h为柱截面长边尺寸;d为管柱的外直径;ha为双肢管柱整个截面长边尺寸,hb为双肢管柱整个截面短边尺寸。

2.柱轴心受压或小偏心受压时,h1可以适当减小,偏心距e0>2h(或e0>2d)时,h1应适当加大。

表2-27 基础的杯底厚度和杯壁厚度mm

注:1.双肢柱的al1值,可以适当加大。

2.当有基础梁时,基础梁下的杯壁厚度应满足其支撑宽度的要求。

3.柱子插入杯口部分的表面,应尽量进行凿毛处理。柱子与杯口之间的空隙,应用细石混凝土密实填充,采用的混凝土应比基础混凝土强度等级提高一级,当强度达到基础设计强度等级的70%以上(或采用其他相应牢固措施)时,方能进行上部的吊装。

2.杯形基础的施工要点

(1)杯形基础混凝土应当按台阶分层进行浇筑,对高杯口基础的高台阶部分可按整体分层浇筑。

(2)杯口模板可以用木料制成芯模,按设计位置和标高支设牢固。在浇捣杯口混凝土时,应特别注意芯模的位置,由于芯模仅在上端固定,浇捣混凝土时应在四个侧面对称均匀进行,避免芯模发生偏移。

(3)基础混凝土浇捣完毕,待混凝土达到初凝后终凝前,用倒链将芯模垂直取出,并将杯口内侧表面混凝土凿毛。.在施工高杯口基础时,由于最上一台阶较高,可采用最后安装杯口模板的方法施工。

(4)杯口基础施工的质量核心,是杯口的位置正确、尺寸精确、高程准确,这是确保柱子能正确安装的关键,在施工中应引起特别重视。

(三)筏形基础的施工

筏形基础是由钢筋混凝土底板和基础地梁等组成,主要适用于有地下室或地基承载能力较低而上部荷载较大的地基。

1.筏形基础的构造要求

筏形基础的构造如同倒置的钢筋混凝土肋梁式楼盖或无梁楼盖。筏形基础分为梁板式和平板式两大类,如图2-49所示。

图2-49 筏形基础的构造示意图

(a)梁板式;(b)平板式

筏形基础底板厚度一般不宜小于200mm,基础一般为等厚,平面应大致对称,尽量减少基础承受偏心力矩;梁高出底板的顶面一般不小于300mm,梁宽不小于250mm;配置的钢筋宜采用HPB235、HRB335级,钢筋的保护层厚度不宜小于35mm;垫层混凝土的强度等级宜采用C10,其厚度为100mm,每边伸出基础底板的宽度不小于100mm;筏形基础混凝土的强度等级宜采用C20,或符合设计要求。

2.筏形基础的施工要点

(1)在筏形基础施工前,首先应根据地质勘探和水文资料,摸清地下水位情况,当地下水位较高影响基础施工时,应采用降低地下水位的措施,使地下水位降低至基底以下不少于500mm,保证在无水的情况下,进行基坑开挖和钢筋混凝土筏形基础的施工。

(2)根据筏形基础的结构组成情况、施工条件等,确定合理的施工方案。首先铺设基础垫层,达到一定强度后,在垫层上绑孔底板(地梁)钢筋和柱子锚固插筋,然后浇筑底板混凝土。待底板混凝土达到设计强度的25%时,再在底板上支设模板,继续浇筑地梁部分的混凝土,也可将底板和梁模板一体支设,将混凝土一次浇筑完成。

(3)模板安装、钢筋制作、混凝土浇筑等施工过程,必须符合《建筑地基基础施工质量验收规范》(GB 50202-2002)和《混凝土结构工程施工质量验收规范》(GB 20204-2002)中的有关要求。

(4)筏形混凝土基础应一次连续浇筑完成,一般不宜留设施工缝;当必须留设时,应按施工缝的要求进行留设,并进行必要的处理,同时应有止水技术措施。

(5)进行沉降观测。在筏形基础浇筑混凝土的施工中,应在基础底板上预埋好沉降观测点,定期进行观测,并做好观测记录。

(6)加强对筏形基础混凝土的养护。混凝土筏形基础施工完毕后,表面应立即加以覆盖和洒水养护,以保证混凝土的施工质量。

随便看

 

离鸟网收录3541549条中英文词条,其功能与新华字典、现代汉语词典、牛津高阶英汉词典等各类中英文词典类似,基本涵盖了全部常用中英文字词句的读音、释义及用法,是语言学习和写作的有利工具。

 

Copyright © 2004-2024 vtrois.com All Rights Reserved
更新时间:2026/4/17 17:38:56