网站首页  词典首页


请输入您要查询的字词:

 

字词 逆变电路
类别 中英文字词句释义及详细解析
释义

逆变电路


利用晶闸管电路可把直流电变成交流电,这种整流的逆过程称为逆变。同一套晶闸管电路既可用作整流,又可用作逆变,统称为变流器。如果把变流器的交流侧接到交流电源上,把直流变成同一频率的交流电反送到交流电源上去,称为有源逆变;若把直流电变成某一频率或频率可调的交流电供给负载,称为无源逆变或变频。

1.无源逆变电路

图8-4为单相并联逆变电路。如果把一定频率的触发脉冲交替地加到晶闸管VT1和VT2上,使其轮流导通,在变压器初级流过交变电流因而在变压器次级得到交变电压U0供给负载。假定VT2为阻断状态,VT1被触发导通,则电流由电源EB的正端经电感L变压器初级的OA段,VD3、VT1回到EB的负端。在变压器的次级感应出电压U0,其极性下正上负(由变压器初级和次级的同极性端决定)。由于O点为变压器初级的中点,所以,同时在变压器初级的OB段也感应出与电源EB相等的电压,其极性下正上负,于是电容器C的两端便充以2EB的电压,其极性下正上负,如图8-4所示。因此,VT2承受2EB的正向电压,触发VT2立即导通,VT1在2EB反向电压作用下强迫阻断。电容C经VT2、EB、L变压器OA段及VD3放电。VT1阻断后VT2导通,电流由EB正端经L、变压器OB段、VD4、VT2回到负端,在变压器的次级感应出电压U0,其极性上正下负,同时电容器C反向充电至2EB为下次换向做准备。调节触发脉冲的频率,即调节VT1和VT2轮流导通的频率,从而可得到不同频率的交流电压U0,实现了直流电逆变成一定频率的交流电。

2.有源逆变电路

有源逆变在生产实际中有广泛的应用。例如,采用晶闸管变流器供电的电力机车,当下坡行驶时,使直流电动机运行在发电状态(制动),将机车的位能转换成电能经逆变送到交流电源中去。有源逆变除应用于直流可逆调速系统之外,还用于交流绕线式异步电动机的串级调速和高压直流输电等。

下图为单相全控桥电路向直流电动机供电带动提升机的装置。负载是直流电动机,串入大电感L,以保持电流连续。在提升重物时,变流器工作在整流状态,见图8-5,重物下放时,变流器工作在逆变状态,见图8-6。

图8-5 单相全控桥整流电路

图8-6 单相全控桥逆变电路

有源逆变的条件是:

(1)变流器直流侧必须外接直流电源EM,其方向与通过晶闸管的电流方向相同,其数值大于整流输出电压平均值U0

(2)变流器的控制角α>90°(即α=90°~180°),输出电压U0为负值,即U0的方向在直流侧与FM相反。

(3)回路要有足够大的电感,以维持电流连续和限制峰值电流,为此须串接大电感L。

(4)有源逆变电路,不能采用半控桥式电路,也不能接续流二极管,因为这两种情况下,不但不能输出负电压,而且会使EM短路,不能实现逆变。

工业生产中有许多负载对逆变器的输出电压除了频率可变外,还需要电压可调。如异步电动机变频调速系统为了保持电机磁场恒定,以保证电机最大转矩不变,在变频调速的同时还必须改变电压的大小。例如单相单极性正弦波脉宽调制(SPWM)原理是:电路中使用的元件是自关断元件(GTR、PMOSFET、IGBT等)。SPWM产生的调制波是等幅不等宽的一系列脉冲列,其调制波的特点是在正弦波的半个周期内,中间的脉冲宽、两边的脉冲窄。各脉冲的中点间距相等,脉宽与正弦波曲线下的积分面积成正比,脉宽基本上按正弦规律变化。

3.三相并联逆变电路(串联电感式)

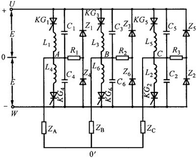
三相逆变电路(图8-7)能将直流电变为三相交流电。图中U、W为输入直流电源二端,ZA、ZB、ZC为三相负载阻抗,可控硅KG1~KG6作开关用,换向电感L1~L6和换向电容C1~C6组成可控硅关闭电路,其中L1和L4,L3和L6,L5和L2各为互感系数较高的三只电抗器,反馈二极管Z1~Z6构成感性负载电流流向电源的通路,同时反馈二极管和反馈电阻R1~R3组成衰减电流回路。

图8-7 三相并联逆变器(串联电感式)

取U、W的中点0为电源的零电位,设U点电位为+E,W点电位为-E,U、W两端电源电压为2E。当KG1触发导通时,A点电位为+E,隔60°后KG2导通,使C点电位为-E,再隔60°KG3导通,B点电位为+E。再过60°(即距KG1触发导通180°)KG4导通,这时KG1立即关闭,A点电位由+E变到-E,然后KG5、KG6相继导通,同样可以使C、B二点电位发生变化,因此A、B、C三点电位变化的波形如图8-8所示。从图8-8中可以看出,每一瞬间有三个可控硅导通,而且A、B、C三点的电位总是其中有二个为正,一个为负;或者有二个为负,一个为正。从图8-8可以推算出负载端的输出相电压和线电压波形分别如图8-9和图8-10所示。由此可知,A、B、C三点线电压波形相同,相位相差120°,它们构成了三相交流电源,这样便完成了由直流电源转变为三相交流电的逆变过程。逆变器的输出电压主要决定于输入直流电压,输出频率决定于可控硅的触发频率,输出相序决定于触发脉冲的相序,若将触发顺序由1至6改为由6至1,即可改变逆变电路的输出相序。

图8-8 A、B、C三点电位变化波形

图8-9 输出相电压波形

图8-10 输出线电压波形

几种常用逆变电路及主要参数见表8-15。

表8-15 常用逆变电路及主要参数

注:①忽略由于换流产生的电压尖峰。

②采用1:1:1变压器。

③采用1:1变压器。

④线电压。

随便看

 

离鸟网收录3541549条中英文词条,其功能与新华字典、现代汉语词典、牛津高阶英汉词典等各类中英文词典类似,基本涵盖了全部常用中英文字词句的读音、释义及用法,是语言学习和写作的有利工具。

 

Copyright © 2004-2024 vtrois.com All Rights Reserved
更新时间:2026/4/19 13:20:40