网站首页  词典首页


请输入您要查询的字词:

 

字词 运输机械设备
类别 中英文字词句释义及详细解析
释义

运输机械设备


1.有轨运输机械

(1)轨道平车技术特征

表6-1-5 轨道平车技术特征

图6-1-10 2t平板车

(2)有轨内燃牵引机车的技术特征

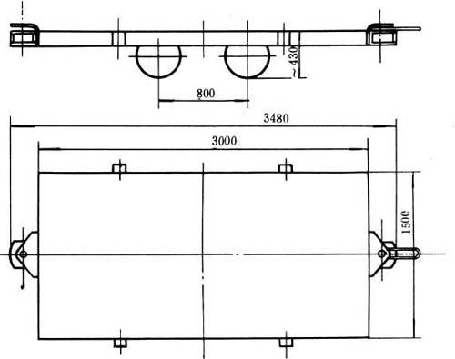
图6-1-11 5t平板车

表6-1-6 有轨内燃牵引机车的技术特征

2.无轨运输机械

适用于中小型造纸厂。

(1)无轨轮胎平板车

图6-1-12 3t气胎平车

表6-1-73t轮胎平板车的技术特征

图6-1-13 窄轨内燃机车

(2)无轨内燃牵引机车

表6-1-8 无轨内燃牵引机车技术特征

3.草类原料的拖轮货驳船运输

(1)拖轮、货驳船的技术特征

表6-1-9 拖轮、货驳船的技术特征

图6-1-14 红旗牵引车

图6-1-15 甲板驳船

图6-1-16 码头型式

(a)直立式 (b)斜坡式 (c)半斜坡式 (d)半直立式 (e)双级线 (f)直斜式 (g)双斜坡式

图6-1-17 码头船位

(a)顺岸码头 (b)与岸成90°角突码头 (c)与顺码头相接成90°(或近似90°)的突码头, (d)带角度120~150°凹码头

(2)常用码头、船位及间距

码头型式:①直立和半直立式;②斜坡和半斜坡式;③双级线;④直斜式。

码头和船位:①顺岸码头和顺岸码头相接成90°角突码头;②与岸成90°角突码头;③带角度120~150°凹码头

船位:指在码头停船位置和间位

表6-1一10 几种不同型式码头、停船位置及距离(m)

随便看

 

离鸟网收录3541549条中英文词条,其功能与新华字典、现代汉语词典、牛津高阶英汉词典等各类中英文词典类似,基本涵盖了全部常用中英文字词句的读音、释义及用法,是语言学习和写作的有利工具。

 

Copyright © 2004-2024 vtrois.com All Rights Reserved
更新时间:2026/4/21 18:26:00