网站首页  词典首页


请输入您要查询的字词:

 

字词 辊式破碎机
类别 中英文字词句释义及详细解析
释义

辊式破碎机


(一)用途与特点

辊式破碎机主要用于浆果类、核果类水果的破碎。其特点是,使水果破碎,而对果核没有太大的影响。

(二)结构与工作原理

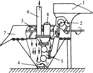
辊式破碎机主要由两个相对应的转速不同的破碎辊组成,辊子表面敷有橡胶层,或采用整体不锈钢的结构。为加大摩擦力,不锈钢辊的表面可加工成凸棱凹槽或锯齿形,也可以采用光滑表面。当工作时,水果经进料斗进入到破碎辊上,水果由于受到辊的挤压力和剪切力的作用而达到破碎,根据水果直径的大小,可以调整辊子的间隙。如图4-2-1,为葡萄破碎、去梗、送浆联合机。

图4-2-1 破碎、去梗、送浆联合机

1-料斗 2-滚筒 3-去梗部分 4-漏斗 5-送浆泵 6-管道 7-出口 8-气室

(三)主要技术参数

注:湖南湘潭市食品机械厂制造。

随便看

 

离鸟网收录3541549条中英文词条,其功能与新华字典、现代汉语词典、牛津高阶英汉词典等各类中英文词典类似,基本涵盖了全部常用中英文字词句的读音、释义及用法,是语言学习和写作的有利工具。

 

Copyright © 2004-2024 vtrois.com All Rights Reserved
更新时间:2026/4/20 2:44:23