连续式油炸机如图3-6-14所示。

图3-6-14 连续式油炸机
不锈钢油炸槽下部设有多组电加热器,其四壁用保温材料绝热。在油炸槽内装有不锈钢输送网带,每隔一定距离有一块多孔隔离挡板,使物料在油炸过程中不四处漂浮,而保证每个物料从入口处到出口处油炸时间是相同的,输送网带前后端倾斜,中间低位,物料能被油全部浸没。输送网带两侧装有两条不锈钢链条,借两端两对链轮传动,主动轴由无级变速器电动机传动,网带速度可根据需要来调节变速器。电气仪表板上设有电源总开关和电加热器分组开关、温度表、电流表、指示灯等。当油炸槽内注入一定油位的食用油后,开启电加热器待油温升到要求温度(肉类180℃,鱼类140℃,果蔬菜100℃)后,从输送网带入口处投入物料,物料被输送网带送至油炸槽内,即进入油炸状态,到达出料端处即完成油炸作业,制品即被输出,由于输送带上有网使物料浸在油中,不因上浮而引起部分不熟和焦化。连续投料可实现连续生产。油炸过程中产生的油烟可从油炸机顶部的排气罩排出,使用过的油经过滤净化处理后由循环泵送入贮油槽中循环使用。
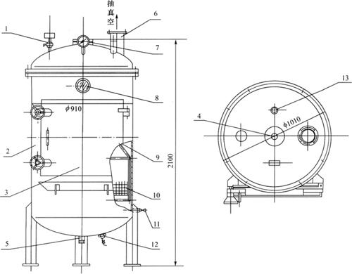
真空油炸锅的结构如图3-6-15所示。

图3-6-15 真空油炸锅
1-破真空阀 2-锅体 3-门 4-转轴 5-放油口 6-抽真空口 7-真空表 8-窥视镜 9-框架 10-网篮 11-进油口 12-电加热器 13-空气排出阀
不锈钢制圆柱形锅体为真空容器,其中心设有可旋转的空心轴,轴上设有一层或多层搁置网篮用的框架,网篮是放物料用的。锅之正面有一个可进出网篮的压紧门,门框四周设有耐油的密封圈,确保在真空状态下不漏气,油入口管弯向壁面,使油沿壁入锅。网篮用不锈钢板制成,各侧均分布通油小孔,用4个网篮可拼成一个圆形。锅体底部设有多组电加热器,可以分别启动,也可用恒温器控制。连接真空系统的抽气管设在锅体顶部,锅体下部椭圆形封头处采用法兰结构,用螺栓连接,以便拆装框架和更换电热器。启动真空系统和电加热器后,当油料达到与真空度相应的温度时,油即开始沸腾,物料开始油炸,在设备正常运转情况下油温为45~65℃,可在仪表板上显示,以利指导操作。油炸结束后打开破真空阀,用油泵将油抽出,经油过滤器净化后入贮油槽内,然后方可开门,并手推网篮旋转,将油沥尽方可取出网篮和制品。