网站首页  词典首页


请输入您要查询的字词:

 

字词 行程开关
类别 中英文字词句释义及详细解析
释义

行程开关


1.适用范围

(1)X2、LXK3系列行程开关适用于交流50Hz,电压至380V,电流至400A的电力线路中,作限制0.5~100t,用于钢丝绳式电动葫芦作上升下降机械的限位保护之用。

(2)JLXK1系列行程开关具有瞬时换接动作机构。适用于交流40Hz,电压至380V及直流电压至220V的电路中,作机床自动控制,限制运动机构动作以及程序控制用。

(3)JW2、JW2A适用于交流50Hz,电压至380V直流至220V的控制电路中,作控制运动机构之行程或变换其运动方向或速度之用。

(4)LXP1(3SE3)系列行程开关系引进德国西门子公司产品,适用于交流50~60Hz,交流电压到500V,直流电压至600V,电流至10A的控制电路中,将机械信号变为电信号,用来控制运动机械的行程及速度或作程序控制之用。

(5)LX028、029系列行程开关适用于交流50HZ,电压380V的控制电路中,作为线路中快速断路和电路转换之用。

(6)LX1系列行程开关适用于交流50Hz,电压380V至220V的控制电路中,作为控制速度不小于0.1m/min的运动机构之行程或变换其运动方向以及速度之用。

2.常用行程开关型号及主要技术参数

常用行程开关型号及主要技术参数见表1-150。

表1-150 常用行程开关型号及主要技术参数

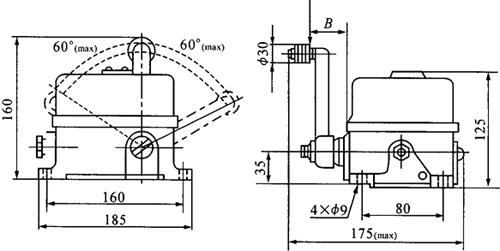
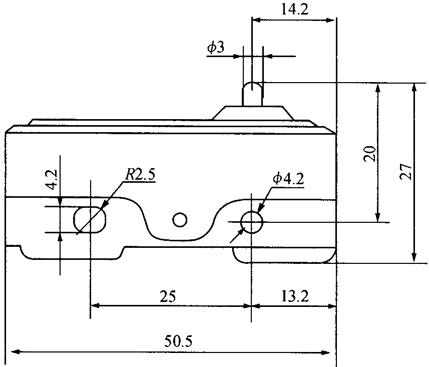
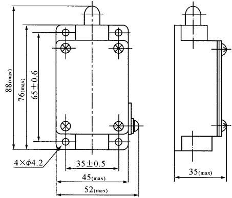
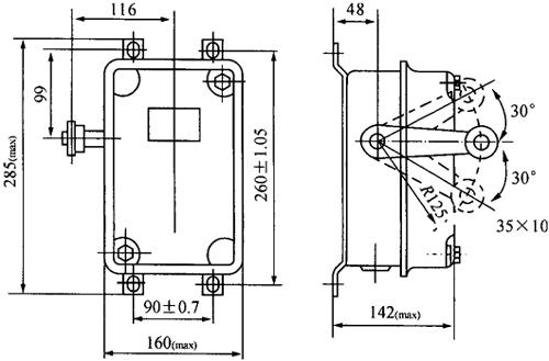
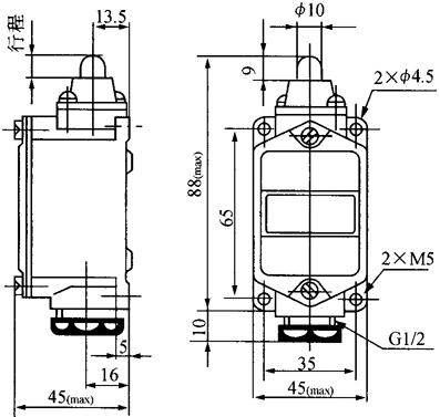
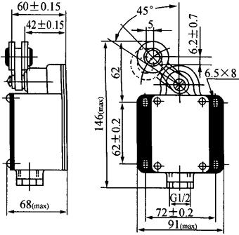
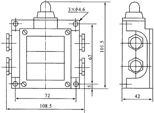
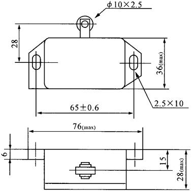
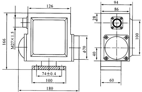
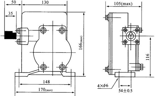
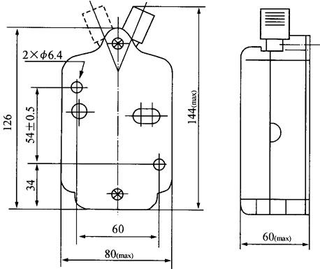
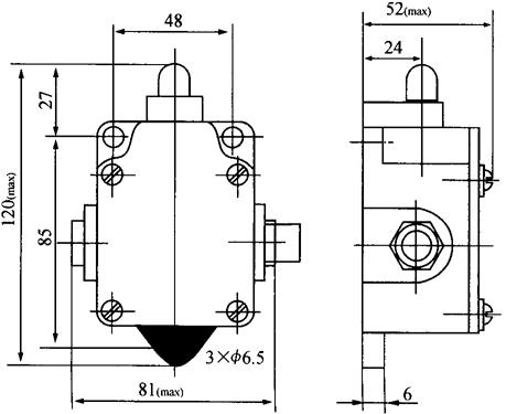
3.常用行程开关型号外形及安装尺寸

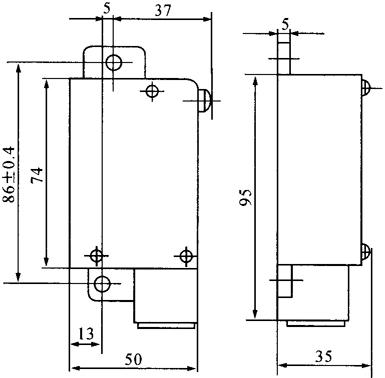
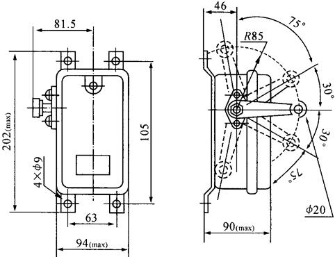
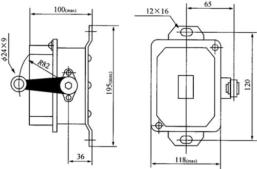
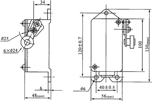
下面列出了LX1、LX2、LX3、LX4、LX5、LX6、LX7、LX8、LX10、LX12、LX19、LX20、LX21、LX22、LX23、LX25、LX29、LX33、LX44各系列常用行程开关型号外形及安装尺寸(见图1-110)。

①LX1-11H外形及安装尺寸

②LX2-121外形及安装尺寸

③LX3-11外形及安装尺寸

④LX4-11、12外形及安装尺寸

⑤LX5-11H外形及安装尺寸

⑥LX5-11Q/1外形及安装尺寸

⑦LX6-11外形及安装尺寸

⑧LX7-1外形及安装尺寸

⑨LX8-1、2、3、4、5、6外形及安装尺寸

⑩LX10-11、12外形及安装尺寸

⑾LX2-2外形及安装尺寸

⑿LX9-001外形及安装尺寸

⒀LX20-J外形及安装尺寸

⒁LX21-12外形及安装尺寸

⒂LX22-1外形及安装尺寸

⒃LX23-12外形及安装尺寸

⒄LX25-311外形及安装尺寸

⒅LX29-1外形及安装尺寸

⒆LX29-2Q/4H外形及安装尺寸

⒇LX33-11、12外形及安装尺寸

(21)LX44外形及安装尺寸

图1-110 常用行程开关外形及安装尺寸

表1-151 LX44系列行程开关安装尺寸/mm

随便看

 

离鸟网收录3541549条中英文词条,其功能与新华字典、现代汉语词典、牛津高阶英汉词典等各类中英文词典类似,基本涵盖了全部常用中英文字词句的读音、释义及用法,是语言学习和写作的有利工具。

 

Copyright © 2004-2024 vtrois.com All Rights Reserved
更新时间:2026/4/19 20:32:41