网站首页  词典首页


请输入您要查询的字词:

 

字词 肾的组织结构
类别 中英文字词句释义及详细解析
释义

肾的组织结构


肾实质由泌尿小管和肾间质组成。泌尿小管(uriniferous tubule)是肾脏生成尿液的基本功能单位,包括肾单位(nephron)和集合管系(collecting system)。在肾单位旁,还有一种具有分泌功能的结构,叫肾小球旁器(juxtaglomerrular apparatus)。肾间质为泌尿小管和血管之间的结缔组织,有一种星形有突起的细胞,称间质细胞(interstial cells),能合成髓脂Ⅰ(medullipin-Ⅰ),分泌后在肝中转化为髓脂Ⅱ,是一种血管舒张剂。

(一)肾单位

成人每个肾约有100万~200万个肾单位。在正常生理情况下,只有部分肾单位起作用,所以肾脏有很大的贮备能力。当手术切除肾脏时,只保留一侧肾的2/3就可以维持生命。通常年龄越小,不起作用和不成熟的肾单位越多,所以幼小年龄得肾脏疾患,不仅肾功能损害严重,也影响肾的发育。根据其在肾皮质的位置分为皮质肾单位和近髓肾单位。肾单位起始部膨大,称肾小体(renal corpuscle),又称肾小球,位于皮质迷路。与肾小体相连的是一条长而弯曲的管道,称肾小管(renal tubule),包括近端小管、细段和远端小管(图11-7)。

图11-7 肾单位和集合管系模式图

1.肾小体(renal corpuscle) 是肾单位中负责过滤血浆的部位。为圆球形,由血管球和肾小囊组成。肾小体的一侧为血管球与小动脉相连处,称血管极(vascular pole);与其相对的一侧是肾小囊与近端小管相通处,称尿极(urinary pole)(图11-8)。

图11-8 肾单位及肾小球旁器模式图

(1)血管球(glomerulus):是由入球微动脉与出球微动脉之间的毛细血管弯曲盘绕而成。入球微动脉进入肾小体后分成4~5条分支,各分支又分成许多相互吻合的毛细血管襻,毛细血管襻再汇成一条出球微动脉。入球微动脉比出球微动脉短而粗,使血管内保持较高的压力。电镜下观察,血管球毛细血管内皮很薄,为有孔型。内皮外有基膜,是一层连续不断的膜结构,把毛细血管内血液与肾小囊腔分隔开。在毛细血管内皮与基膜之间有一种球内系膜细胞(intraglomerular mesangial cell),具有吞噬、清除血液滤过时阻留在血管基膜上的大分子物质,参与基膜的修复和更新,分泌肾素等作用。其收缩可调节毛细血管的管径以影响肾血管球内的血流量。

(2)肾小囊(renal or Bowman’s cpasule):是肾小管的起始部膨大凹陷而成的杯状双层囊,囊内有血管球(图11-8)。肾小囊的外层(或称壁层),由单层扁平上皮构成,在肾小体尿极处与近端小管上皮相连续,在血管极处反折为肾小囊内层,两层之间的狭窄空隙,称肾小囊腔(图11-9),与近端小管相通。在新月形肾小球肾炎(crescentic glomerumeru lonephritis)时,肾小囊上皮细胞可明显增生。肾小囊内层(或称脏层),紧包在毛细血管外,由有突起的足细胞(podocyte)构成。足细胞体积大,伸出几个大的初级突起,每个初级突起又伸出许多指状次级突起,紧贴在毛细血管基膜外面,相邻小突起互相穿插形成栅栏状,其间裂隙被裂孔膜(slit membrane)封闭(图11-10)。

图11-9 肾皮质:示肾小体(400×)

图11-10 足细胞与有孔毛细血管超微结构模式图

血管球毛细血管的有孔内皮(fenestrated endothelium)、基膜(glomerular busement membrane,GBM)、足细胞裂孔膜(podocyte slit membrane)这三层结构称为滤过膜(filtration membrane)或滤过屏障(filtration barrier)(图11-11)。是肾小体形成滤液(原尿)的组织学基础。血液流经肾血管球时,除血细胞和大分子物质以外,大部分血浆经此滤过膜进入肾小囊形成原尿(crude urine),滤过膜对大分子物质的选择性通透是由其结构特征所决定的。血管球毛细血管内皮细胞有许多孔,孔径较大,约40~100nm,且无隔膜,对血浆大部分大分子物质并无屏障作用,但肾炎时,内皮细胞肿胀增生,孔径变小,可影响物质通过。而基膜是一层选择性滤过膜,可阻止血液大分子进入肾小囊,其主要成分是以IV型胶原蛋白(collagen protein)为骨架,上附有蛋白多糖(proteoglycan),可阻止较大分子通过,裂孔膜能阻挡较小分子通过。另外,毛细血管内皮和足细胞表面均有一层带负电荷的唾液酸糖蛋白(sialic acid glycoprotein),基膜内还有带负电荷的硫酸肝素(heparin sulfate),这些带负电荷的成分可排斥血浆内带负电荷的血浆蛋白等物质通过滤过膜,使滤过膜有对分子大小和电荷的双重选择通透性。在某些病理情况下,由于肾滤过膜内带负电荷糖蛋白的丧失,可能是引起蛋白尿(proteinuria)的一个因素。

图11-11 肾血管球毛细血管、基膜和足细胞超微结构模式图

2.肾小管(renal tubule) 是具有选择性地自血管球滤液中将水分、无机离子及其他分子再吸收的部位,同时也有许多无机离子等由血液经肾小管分泌到管腔内。肾小管由单层上皮(simple epithelium)构成,依其组织形态特点与其功能分为近端小管、细段和远端小管三段(图11-12),它们在肾小管功能上起不同的作用。

图11-12 泌尿小管各段上皮细胞结构模式图

(1)近端小管(proximal tubule):是肾小管最粗最长的一段,分为近曲小管(proximal convoluted tubule)和近端小管直部(proximal straight tubule)。近曲小管管腔小而不规则,细胞为立方形,细胞界限不清,游离面有刷状缘(brush border),基底部有纵纹(1ongitudinal striations)(图11-13)。电镜下观察,刷状缘为细长而密集的微绒毛(microvilli),纵纹是基底部的质膜内褶(plasmamembrane infolding)和线粒体(mitochondria),细胞侧面有相互交错的侧突(图11-12、图11-14)这些结构扩大了细胞的表面积,有利于近端小管的重吸收作用。滤过液85%以上的钠离子和水以及全部葡萄糖、氨基酸和碳酸氢根离子等都在此重吸收。近直小管构成髓袢降支的粗段,其结构不如近曲小管发达。

图11-13 肾皮质:示肾小管(400×)

图11-14 近曲小管上皮细胞超微结构立体模式图

(2)细段(thin segment):细段与近端小管直部和远端小管直部共同构成“U”字形的髓袢(medullary loop),又称为亨利氏环(Henle’s loop)(图11-12)。其管径由单层扁平上皮组成,可根据细段长度及其所处位置分为四种类型,Ⅰ、Ⅱ、Ⅲ型主要构成髓袢降支,但各型结构有一定差异;IV型构成髓襻升支。一般认为髓袢降支细段对水通透性高,而对钠离子通透性低;而升支细段对水通透性低,对钠离子通透性高,它们在尿液浓缩中起着重要作用。

(3)远端小管(distal tubule):也分为远曲小管(distal convolmated tubule)和远端小管直部(distal straighttubule),较短。管腔较大而规则,细胞立方形,细胞表面无刷状缘,基底部纵纹明显(图11-13),电镜下观察,细胞游离面有少而短的微绒毛,基底部质膜内褶发达,线粒体更多(图11-12)。远端小管的直部(distal straight tubule)构成髓袢的升支粗段。远端小管的腔面膜有Na+、K+、Cl协同转运的载体(carrier),其基部质膜上有Na+、K+-ATP酶等,故能主动重吸收NaCl,而对水的通透性较低,使间质呈高渗。近年用免疫荧光和免疫细胞化学方法发现,远端小管上皮细胞游离面和侧面细胞膜上有T-H蛋白(Tamm Harsfall protein),为一种酸性蛋白,它在溶液中易成凝胶状,推测此蛋白可能作为水的通透屏障。近年来一些研究发现,T-H蛋白还能特异地与IL-1、IL-2和肿瘤坏死因子(TNF)结合,也许T-H蛋白能调节上述生物活性物质在血液中的含量及在肾内的生物学活性等作用。此外,T-H蛋白还能抑制特异抗原诱导的T淋巴细胞的增殖及抑制凝集素(PHA)诱导的T淋巴细胞的增殖,与免疫调节作用有关。

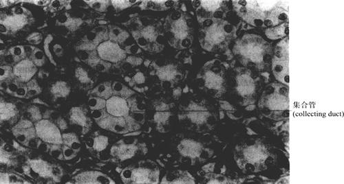
(二)集合管系

集合管系(collecting system)是由连接小管(connecting tubule)和集合管(collecting duct)组成。连接小管是连接远端小管和集合管之间的一段小管,位于皮质迷路;集合管沿皮质髓放线直行下达肾锥体,分内髓、外髓集合管。集合管系从皮质迷路开始向髓质下行时管腔不断增粗,上皮细胞由单层立方逐渐增高为柱状,细胞染色浅,细胞分界清楚,核圆居中(图11-15),细胞超微结构简单,细胞器较少(图11-12),主要有连接小管细胞(connecting tubule cell)、集合管细胞(collecting ductcell)和闰细胞(intercalated cell)三种。连接小管细胞表面仅有少量微绒毛,侧面无指状突起,有质膜内褶,有较多体积小的线粒体。而集合管细胞由皮质集合管到髓质细胞形态发生一定的变化,游离面出现一根长纤毛,微绒毛略增多,侧面有少量指状突起,但质膜内褶减少,线粒体数量减少,而溶酶体数量相对增多,这些结构变化,在内髓集合管末端较明显。闰细胞穿插在前两种细胞之间,量少,可分为A、B两种类型:A型细胞膜上有H+-ATP酶,与H+分泌有关;B型细胞碳酸酐酶活性明显,与分泌有关。到内髓集合管末端闰细胞消失,这些结构上的变化,反映了内髓集合管末端有着与其他各段不同的功能。由于集合管系结构上的这些结构特点,使其在尿液浓缩和调节酸碱平衡方面起着重要作用。

图11-15 肾髓质(400×)

(三)肾小球旁器

肾小球旁器(iuxtaglomerular apparatus)主要由球旁细胞、致密斑和极垫细胞等组成(图11-8)。

1.球旁细胞(iuxtaglomerular cell) 是入球微动脉在入肾小囊处,血管壁的平滑肌细胞特化形成上皮样细胞,细胞核为圆形,胞质含有颗粒,其功能为分泌肾素(renin)。肾素通过肾素一血管紧张素系统的作用,可调节机体血压、血容量和电解质的平衡。

2.致密斑(macula densa) 由远曲小管靠近肾小体血管极侧的管壁上皮细胞呈高柱状,细胞核密集呈斑状隆起形成(图11-9)。一般认为它能感受远曲小管内钠离子的浓度变化,以调节球旁细胞肾素的分泌。

3.极垫细胞(polar cushion cell) 又称球外系膜细胞(extraglomerular mesangialcell),是位于入球微动脉、出球微动脉和致密斑之间的三角区内,细胞核呈长卵圆形,胞质清晰,其功能可能在肾小球旁器的功能活动中起信息传递作用。

随便看

 

离鸟网收录3541549条中英文词条,其功能与新华字典、现代汉语词典、牛津高阶英汉词典等各类中英文词典类似,基本涵盖了全部常用中英文字词句的读音、释义及用法,是语言学习和写作的有利工具。

 

Copyright © 2004-2024 vtrois.com All Rights Reserved
更新时间:2026/4/19 1:47:41