网站首页  词典首页


请输入您要查询的字词:

 

字词 结构图绘制举例
类别 中英文字词句释义及详细解析
释义

结构图绘制举例


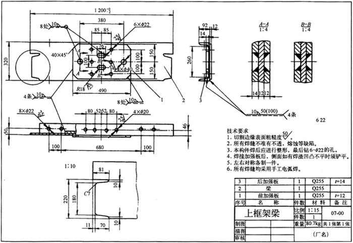
(一)上框架梁的金属结构图

图4-20所示为矿用电梯的上框架梁,由主体槽钢和前后两块加强板组成,并用焊条电弧焊焊接和铆钉连接共同拼装而成。

图4-20 上框架梁金属结构

由于梁要承受较大的载荷,拼装时增加了承载能力强的加强板;为保证加强板与槽钢之间的焊接强度达到规定的设计要求,又在前、后加强板上各加工了两个40mm的圆孔和两个R18mm的长圆孔作为焊接之用,其焊缝形状在局部放大的剖视图A-A和B-B中画出了横断面图。

在主视图和局部放大图(1∶10)上标有槽钢的规格尺寸和“7”标记;在俯视图和左视图上表达清楚了3个零件的相对位置,以及各种孔的相对位置、数量及尺寸。

在主视图上的焊缝代号“8处8处”中,“〇”和两条斜向指引线,共同表示环绕40mm的圆孔和R18mm的长圆孔周围均需进行焊接,且为8处、焊角尺寸为10mm的角焊缝。

在主、俯视图之间的焊缝代号“4条4条”中,两条斜向指引线和“”共同表示前后两块加强板的焊接要求相同,其焊角尺寸均为10mm的角焊缝,共有4条。

在左视图上的焊缝代号“4条4条”中,“50(100)”表示断续焊缝,焊缝长度为50mm,断续焊缝间距为100mm,共有4条。

主视图上的“8处8处”,表示两块加强板各自的4个角处有焊角尺寸为10mm的角焊缝,共有8处。

此外,在三个视图上还表明了直径大小不等的三种连接孔的尺寸、加工要求及其分布和相对位置。

(二)侧板金属结构图

图4-21为侧板金属结构图,由4根长度分别3281mm、3000mm、530mm和449mm的等边角钢(50×50×5)焊接而成。两块撑杆固定板(□50×5-349)与框架焊接,Ⅰ形焊缝。1mm厚封板与框架是用28个4mm×12mm的铆钉(其直径为4mm,长度为12mm)铆接组装,并在框架上钻有12个无沉孔的通孔(直径10mm),图示在B向视图中。

图4-21 侧板金属结构

在两个视图中多处有符号“”,表示近侧有沉孔的铆钉连接,在车间装配;有符号“”表示在平行铆钉轴线视图中有沉孔的铆钉连接;图中焊缝五处代号“”均为Ⅰ形焊缝,2mm间隙;右下角用直角三角形表示结构型钢的斜度。

随便看

 

离鸟网收录3541549条中英文词条,其功能与新华字典、现代汉语词典、牛津高阶英汉词典等各类中英文词典类似,基本涵盖了全部常用中英文字词句的读音、释义及用法,是语言学习和写作的有利工具。

 

Copyright © 2004-2024 vtrois.com All Rights Reserved
更新时间:2026/4/19 2:17:55