网站首页  词典首页


请输入您要查询的字词:

 

字词 组合开关
类别 中英文字词句释义及详细解析
释义

组合开关


1.适用范围

组合开关主要适用于交流50Hz或60Hz、额定工作电压380V及以下,直流电压220V及以下、额定电流至100A的电气线路中,用于不频繁地手动接通、分断与转换交流电阻电感混合负载电路和直流电阻负载电路,也可用作直接控制小容量交流电动机。

2.常用组合开关产品型号及主要技术参数

常用组合开关产品型号及主要技术参数列于表1-28。

表1-28 常用组合开关产品型号及主要技术参数

注:型号为3LB系列万能组合开关是引进德国西门子公司技术,产品采用组合式结构,由定位系统、限位系统、接触系统及面板、手柄等构成,可代替HZ10、HZ12、LW5、LW6、HZ5、H85-S等转换开关。

3.组合开关外形及安装

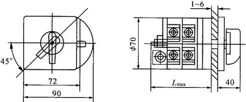
(1)HZ5外形及安装尺寸见图1-16和表1-29。

图1-16 HZ5外形及安装尺寸

表1-29 HZ5外形及安装尺寸/mm

注:n为接触系统节数

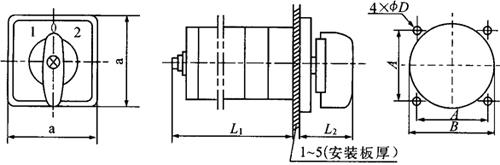
(2)HZ10D外形及安装尺寸见图1-17和表1-30。

图1-17a HZ10D板前接线式外形及安装尺寸

图1-17b HZ10D板后接线式外形及安装尺寸

表1-30 HZ10D系列组合开关安装尺寸/mm

(3)HZ12型组合开关外形及安装尺寸见图1-18。

图1-18 HZ12-□/02外形及安装尺寸

注:HZ12型组合开关共有16种组合型式,各种组合型式的外形及安装尺寸各有差异,图1-18为具有红钮黄盘急停标志的外形。其他型式外形及安装尺寸可向制造厂索取。

随便看

 

离鸟网收录3541549条中英文词条,其功能与新华字典、现代汉语词典、牛津高阶英汉词典等各类中英文词典类似,基本涵盖了全部常用中英文字词句的读音、释义及用法,是语言学习和写作的有利工具。

 

Copyright © 2004-2024 vtrois.com All Rights Reserved
更新时间:2026/4/21 12:11:12