网站首页  词典首页


请输入您要查询的字词:

 

字词 空心导轨校轨卡板
类别 中英文字词句释义及详细解析
释义

空心导轨校轨卡板


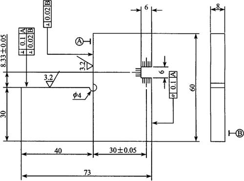
只适用于空心导轨校正的卡板式校轨尺,其结构如图4.3-1所示。

图4.3-1 空心校轨尺结构示意

材料要求:不锈钢板材。

工艺要求:

(1)零件造好后,如图在表面6mm宽卡口上画出刻度线,刻度线要求双面刻度,刻度线单位是1mm。

(2)刻划深度0.1mm,中心刻度线长5mm,其余刻度线长3mm。

(3)去毛刺、锐角。

随便看

 

离鸟网收录3541549条中英文词条,其功能与新华字典、现代汉语词典、牛津高阶英汉词典等各类中英文词典类似,基本涵盖了全部常用中英文字词句的读音、释义及用法,是语言学习和写作的有利工具。

 

Copyright © 2004-2024 vtrois.com All Rights Reserved
更新时间:2026/4/19 19:13:44