网站首页  词典首页


请输入您要查询的字词:

 

字词 相位测量的方法
类别 中英文字词句释义及详细解析
释义

相位测量的方法


1.差频测相原理

在目前测相精度(一般为1‰左右)的情况下,为了保证必要的测距精度,基本测尺(精测尺)的频率必须选得很高,一般为十几兆赫到几十兆赫,甚至几百兆赫。例如,一些型号仪器的频率f130MHz。目前一些国家正在研制的超高频激光测距仪调制频率高达500MHz。在这样高的频率下直接对发射波和接收波进行相位比较(测相),在技术上将遇到极大的困难。例如,高频电路中的寄生参量的影响将产生显着的附加相移,降低测相精度。另外,由于检相器的读数直接和频率有关,若对不同的测尺频率直接测相,就必须有几套测相电路,这将使电路结构复杂化,也不经济。为此,目前所有相位式测距仪都采用差频来测相,即在测距仪内通过主振频率和本振频率的混频,将参考信号(也称基准信号)和测距信号(也称被测信号)变成中频或低频信号,然后对该差频进行相位比较。目前我国的测距仪混频后大都变为4kHz或2kHz。

图18-29表示各主要电路单元之间的相位关系。若fT表示主振测量信号频率,它的角频率为2πfTT。以αT表示初始相角,它的相位可表示为ωTt+φT;同样若以fR表示本振信号频率,φR表示初始相角,它的角频率即为ωT=2πfR,它的相位可表示为ωBt+φR。一般fT>fR,所以φT>φR

图18-29 中短程激光测距仪的差频测相系统

主振信号频率和本振信号频率混频(差频)后所得到的中频或低频信号(称为参考信号或基准信号),仍保持着原高频信号间的相位关系(即混频只改变频率,而不改变相位)。在不考虑电子线路附加相位移的条件下,混频后参考信号的相位为:

Φ1=(ωTt+ωR)t+φT-φR

由图18-29可知,主振信号经发射反射回到达光探测器的相位变化为:

Φ2Tt+φT-2ωTtD

此信号与本振混频后,产生的中、低频测距信号,在不考虑电子线路的附加相位移时,其相位变化应为:

△Φ=(ωT-ωR)t+(φT-φR)-2ωTtD

若以Φ表示到达测相系统时两个中频或低频信号(f和f)的相位差,为Φ1与△Φ之差,即:

Φ=[(ωT-ωR)t-ωR]-[(ωT-ωR)·t-2ωT·tDT-ωR]=2ωT·tD

上述过程和上式说明:

1)混频后所得到的两个中频或低频参考信号和测距信号之间的相位差Φ,就是主振测量信号经过2倍距离D后产生的相位延迟。故测量中或低频参考信号和测距信号之间的相位差Φ,等于测量主振测距信号经2倍距离D后所产生的相位延迟。

2)由于进入测相系统的中频或低频信号的频率较之主振测量信号的频率降低了许多倍(例如,由主振的30MHz降低到4kHz,降了约104倍),使得相位周期也扩展了许多倍,这就大大地提高了测相精度,有利于相位测量。

因此,目前几乎所有的相位式测距仪都采用差频测相。在中频、低频条件下对参考信号和测距信号进行测相,既可采用平衡式移相-鉴相法,也可采用自动数字法(也称电子相位计法)。目前,长程测距仪多采用前者,而中、短程测距仪则多采用后者。

实现差频测相的基本措施,就是在仪器设置本机的振荡器(简称本振),它的频率较相应的主振频率低-中频或低频,因此,对应于每一测尺频率就应有一相应的本振频率。典型的高频电路原理框图如图18-30所示。

图18-30 典型的高频电路原理框图

2.平衡式移相-鉴相法

属于传统的模拟式测相方法,也称为补偿法测相,分为高频法和差频法两种,其精度相当,但是差频法较为稳定且制造工艺简单,主要用在中长程仪器上。

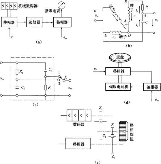
平衡式移相鉴相法(差频法)是将混频后的低频参考信号er送入移相器。移相器的输入信号与输出信号之间的相位差与它的机械转角有关。转动移相器的转子,则参考信号被移相。移相后的信号送入鉴相器中与测距信号em比相。转动鉴相器达到平衡(指示电表为零),由移相器的机械转角就能确定两信号间的相位差[图18-31(a)]。以下简述移相器和鉴相器的工作原理。

图18-31 平衡式移相-鉴相法

(a)平衡式移相-鉴相法原理;(b)电感移相器;(c)阻容移相器;(d)自动移相法;(e)手动移相法

(1)移相器

移相器是能够改变信号相位的器件。长程测距仪中使用的移相器主要有RC移相器和电感移相器。电感移相器是用来测量参考信号和测距信号的相位差,而RC移相网络经开关和电感移相器配合可以完成相位选择作用。

1)电感移相器

由定子和转子线圈构成[18-31(b)]。输入与输出电压usr的相位移动就是转子线圈的机械转角φ。即:

电感移相器的精度和线性度主要与制造工艺、漏磁量、输入性信号频率等有关。我国电感移相器的精度分为三个等级:Ⅰ级为±10′,Ⅱ级为±20′,Ⅲ级为±30′,工作频率从135~3000Hz,分为十多个固定值。

2)电阻电容移相器(RC移相器)

RC移相网络由图[18-31(c)]所示。开关在1位置时形成R1C1网络,可以证明,输出电压usc与输入电压usr的最大相移量为90°,其相移量与阻容值有关:

开关置2位置时形成R2C2网络,这时输入与输出电压的相位移为:

φ1=tan-1(-ωR2C2)

可见,只要改变网路中的阻容值,就可以达到移相的目的。

移相器的移相操作既可以采用人工手动移相,又可以采用由直流伺服电动机传动的自动跟踪移相。移相结果的显示方法,既可由移相器传动机械数码器的方法,也可以采用由移相器带动数字盘的方法。手动移相法的传动系统如图18-31(e)所示,包括移相旋钮、齿轮组、移相器和机械数码器。当转动移相旋钮时,通过齿轮组Z1、Z2和Z4的咬合,使移相器慢速转动,而机械数码器则快速转动,该移相器的最大相移为π。数码器为十进制的,因此四位数码轮共有1000个数。自动跟踪移相的原理如图18-31(d)所示。它的测相方法基本和手动移相法一样,主要区别在于用直流伺服电动机代替人工手动移相。其工作过程是,将低频参考信号er经移相器送入鉴相器与测距信号em比相,只要两信号之间的相位差不满足一定的关系值,鉴相器就有信号输出,此信号经放大后推动直流伺服电动机转动,从而带动移相器转动,则参考信号继续被移相,直至鉴相器达到平衡(即说明输入鉴相器的两信号之间满足了一定的相位关系),电动机即停转,移相器停止移相,由数字盘显示移相器的机械转角。

(2)鉴相器

所谓鉴相器实质就是相敏检波器,其输出信号的大小不但与两个同频率输入信号的幅度有关,还与两输入信号的相位差有关。目前主要有环形二极管鉴相器和三极管鉴相器两种,二极管鉴相器用作比相器,或用作锁相器;三极管鉴相器与移相器配合完成测相。

1)环形二极管鉴相器

主要由四个二极管组成环形电桥回路构成。可以证明,这种电路输出电压平均值与两输入信号相位差的余弦成正比关系。相敏检波器的作用是,对两个输入信号u1、u2的相位差φ进行检测,当φ=0时输出正的最大值,当φ=180°时输出负的最大值,当φ=π/2或φ=3/2π时,输出为零,说明电路平衡。当不满足时,鉴相器就输出电压,推动伺服电动机转动直到鉴相器平衡。

2)三极管鉴相器

将参考信号u2和测距信号u1,作为输入信号,三极管导通电流I的大小是与两信号相位差φ的余弦函数成正比。据此原理可以用作鉴相器,与电磁式移相器一起构成所谓手动式移相-鉴相法测相系统。

3.自动数字测相

自动数字测相法也称电子相位计测相,分为高频直接数字测相和差频自动数字测相两种。由上节的分析可知,高频直接测相比较差频测相,无论在精度还是在技术上都具有明显的优越性。自动数字测相主要用在中、短程仪器上,以下简单介绍其基本概念与原理。

半导体、集成电路和数字技术的高速发展,为在光电测距仪中采用自动数字测相方法提供了充分有利的条件。自动数字测相不仅测距精度高、速度快,而且便于实现数据的测量、记录和处理的自动化,这对减轻测量人员的体力劳动,多、快、好、省地完成测距任务,满足高速发展的社会主义建设事业的要求有着重要的意义。自动数字测相的不足在于,电路较平衡式移相-鉴相法复杂,成本亦较高。目前,短程测距仪几乎都采用自动数字测相方法。

(1)自动数字测相的工作原理

自动数字测相的原理框图如图18-32所示。因为检相双稳态触发器(由RS触发器组成)需要负跳变触发使之翻转,故在比相之前应首先将正弦波形的参考信号er与测距信号em经过通道Ⅰ、Ⅱ进行放大整形,变成方波。之后,两个方波信号分别加至检相触发器的R、S端。er方波的下降沿(负跳变)使触发器“置位”,Q端输出高电平——相当于用er方波的下降作为检相器的“关门”信号。因此,由检相触发器输出端所得到的检相脉冲宽度(即触发器的置位时间),对应着两比相信号的相位差φ。在触发器“置位”期间,第1“与门”打开,时标脉冲CP(也称填充脉冲)可以通过它进入计数器。所以计数器内所累计的时标脉冲数就反映了检相脉冲的宽度,也即反映了测距信号em和参考信号之间er的相位差φ。毫无疑问,触发器“置位”时间越长,则通过“与门”1的时标脉冲数就愈多,说明em和er之间的相位差也越大,这就是单次检相的过程。

图18-32 自动数字测相原理框图

计数器所计的单次检相的脉冲数m为:

所以

式中fcp——时标脉冲的频率;

tc——触发器的“置位”时间;

fc——低频参考信号er和测距信号em的频率();

Tc——低频信号er和em的周期;

φ——er与em间的相位差。

上式说明,通过“与门”1的脉冲数m与φ成正比。

众所周知,在使用钢尺测量距离时,由于种种因素的影响,往往使一次量距的读数带有较大的误差,为了减小误差影响,提高测距精度,在量距时总是进行多次读数,取平均值为最终结果。自动数字测相法的激光测距仪中,为了消除大气抖动及接收电路噪声等的影响,以减小偶然误差,提高测距精度,一般是在检相电路中增加的一个闸门时间τg内“与门”2打开,则通过“与门”1的检相脉冲可以全部通过“与门”2进入计数器。

闸门时间τg内控制的检相次数n可依下式来计算:

在闸门时间τg内,总的测相脉冲数M为:

M=m·n

将m、n代入上式,则得:

当两信号间之相位φ=2π时,计数器得到的脉冲数最多,即得:

Mmax=fcp·τg

由此前公式可得:

因上式中的fcp和τg对某一仪器来说是固定值,故该式可表明,计数器累计的脉冲数M多少就反映了两信号er与em相位差φ的大小。上述检相原理的波形如图18-33所示。

图18-33 检相原理的波形

上述过程说明,自动数字测相中,影响单次检相精度的因素有检相触发器、与门电路的开关速度以及时标脉冲的频率等。一般说来,检相触发器、与门电路的开关愈高,则检相精度也愈高。此外,被检相信号波形的好坏对检相精度也有很大影响。

引起波形变坏的主要原因是偶次谐波所造成的波形不对称。由图18-34可知,波形不对称会引起信号在经过通道而进行放大整形时,产生过零触发时间的前后移动,从而使检相触发器“置位”时间长短发生变化——即使检相脉冲宽度发生变化,造成测距误差增大。为了减小波形不对称的影响,一般采用提高仪器性能、降低噪声、差分放大以及限幅放大等措施,以减小波形失真。

图18-34 波形不对称的影响

另外,如前所述,为了消除单次测相所产生的偶然误差,采取了增设闸门时间——取多次检相平均值的措施,此时总的测相误差可用下式表示:

式中δM——单次检相的误差;

n——闸门时间控制的检相次数;

k——与n次检相之间相关的常数。

上式说明,适当地增加检相次数,可以减小总的测相误差(提高测相精度)。但是,加闸门时间后,又可能引入±1个检相脉冲的误差(即n可能有±1的误差),实质上就是或多或少的一小组检相时标脉冲数的问题。为了降低±1个检相脉冲误差的影响,也应增大检相次数n。如果要求完全克服±1个检相脉冲的误差,就需要一些短程红外测距仪那样,采用全同步的方案——时标振荡频率、主振频率和平振频率三者锁定。

(2)大小角检相的正确判别与处理

自动数字测相系统中,当相位差是接近于0°的小角度或接近于360°的大角度时,有可能出现错误的测相结果,其表现或是结果远远偏离正确值,或是自动重复测相时显示数字乱跳(即显示结果极度分散)。产生这种现象的原因主要有二:一是由于检相电路的时间分辨力所限,即检相要有一定的工作速度;另一个重要的原因,是由于系统存在噪声,致使测相信号发生抖动,从而引起相位差在0°或360°附近抖动。

1)“移π检相”法

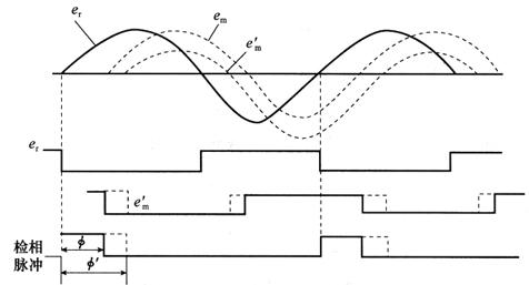
移π检相的工作原理是当参考信号er和测距信号的相位差处于大、小角时,把整形后em方波的反相方波er作为双稳触发器的置“0”输入(R),使触发器复位。由图18-35可知,因er对于em而言相当于移相180°(移π),故称此法为“移π检相”。移π后er与em的相位差变为(φs+π)或(φs-π),即无论是小角度φs,或是大角度φh,移π后都变成了接近180°的中等角度,克服了因检相器的时间分辨力相位抖动而产生检相错误。然而,由于移π又产生了新矛盾,此时所测得的大小角度值相对于原角值产生了π的固定差值。因此,只要将测相结果再加一固定π,问题就解决了。

图18-35 移π检相的工作原理

对于大角度测相而言,则得:

g-π)+π=φg

对于小角度测相而言,则得:

s+π)+π=φs+2π

由上两式可知:移π又加π后,大角度恢复了原来值;而小角度虽然表面上变成了φs+2π,但由测距原理可知,因自动数字测相是以2π为周期的,在计数器中对应于2π的脉冲数是自动溢出的(即不累计数),所以计数器中累计的角值就是小角度的原来值φs。因此,实现“移π检相”的方法较多,其中之一是利用检查er与em波形的重叠时间长短自动判别检相时要否“移π”。如图18-36所示,当信号er与em间的相位差φ处于大、小角度时,两信号重叠时间较长随着φs的增大或φg的减小,角度变为中等角度,重叠时间ty将变短,当相位差φ接近180°(π)时,重叠时间ty将接近零。如果对ty信号积分,当φs愈小或φg愈大时,说明重叠时间ty越长,则积分时间当然也愈长,积分电压愈高,因而选取电压鉴幅器一定的阈值电压值,就可鉴别出大、小角度,从而使“移π标志电路”发出“移π”信号,控制检相双稳作“移π检相”,即实现用代替em使检相双稳复位。

图18-36 重叠时间长短自动判别

调节电位器W1可以改变鉴幅器(施密特)的触发阈值,从而可改变大、小角度的临界值,其值可以根据需要自行确定,一般可将大小角度的临界值调得稍大些(如正负几十度),给检相系统分辨力和信号相位的抖动留以充分的余量,以保证在临界角度附近检相时,不论移π与否,其测相结果都不会发生错误。

闸门信号的作用是:在正式开始测相之后,用高电位封锁“移π检相”触发器的置位输入,以维持正式测相前的检相状态(移π检相或不移π检相),避免在正式测相过程中检相状态发生变化,确保相平均值的正确、可靠。

“移π检相”方法的缺点是当测距信号波形不对时,则代替em信号占空比必然不为1∶1,因此将造成大、小角度检相时并非真正移π,导致测相结果收入较大误差,影响测距精度。

2)控制分频检相法——扩角检相

扩角检相法是目前解决大、小角度正确检相的一种较为完善的方法,在国内短、中程测距仪中应用频多。基本思路是设法把原来检相周期360°扩大到720°,使360°附近的角度不再成为易于错误检相的角度。具体做法为:检相时遇小角度φs,先加360°(2π),使之变为稍大于360°的角度;当为大角度时,则不加360°。这样,大小角度检相都将在360°附近进行。实质上,从扩角后的检相周期来看,大、小角度检相均相当于在中等角度下进行。由自动数字测相原理可知,对应于360°的数值在计数器中是自动溢出的,故检相结果大、小角度均显示原来值,保证了大、小角度的正确检相。在实施扩角检相的各种方案中,考虑到扩角及对小角加360°的方便,一般多采用控制分类的方法,把φs原来360°的检相周期扩大到720°的检相周期内只进行一次检相。国产短程红外测距仪检相单元中的“除2+180°”电路就是其中之一例。

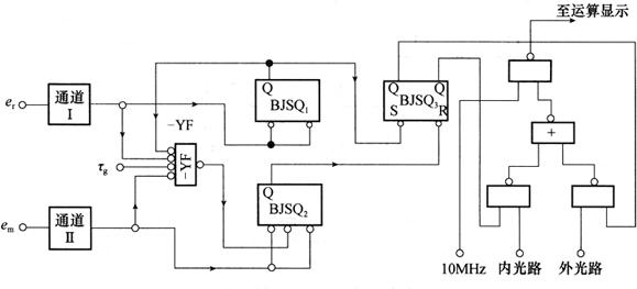
图18-37及图18-38是扩角检相的原理框图及时间波形图。由图可以看出,首先将由通道Ⅰ、Ⅱ放大整形得到的中频er与em方波信号送入用厚膜电路BJSQ组成的二分频器中,经分频把检相周期扩大到720°,然后利用分频器BJSQ1、BJSQ24输入端“负与非门”组成的大、小角度判别及控制“移”的功能电路。

图18-37 扩角检相原理

图18-38 扩角检相时间波形图

(a)角度小于180°;(b)大角度(180°~360°)

波形图18-38(a)说明,当角度小于小角度的临界角(180°——相当于分频后半中频的90°)时,er和分频器BJSQ1输出er与em三信号的负半周有重叠,在非闸门时间之内,负半周(-YF)输出高电位,控制BJSQ2“置位”,它的Q端输出高电位。等下一个em的负跳变到来时BJSQ2“复位”,Q端输出低电位,从而触发检相器BJSQ3“复位”,给小角度φs加180°(相对于原中频而言,则等于加360°)。如果没有-YF对em分频的控制,则检相结果仍为小角度φs,易发生错误检相。

由图18-38(b)可知,当角度为大角度φs(处于180~360°之间)时,如不用-YF对em的分频进行控制,则检相结果为φg+180°(相对于原中频而言相当于加360°),变成了接近于720°的更大的角度,十分接近于扩角后的检相周期,此时也变成了易于错误检相角度。但当em的分频受到-YF输出控制时,保证了对大角度φg不加180°(相对于原中频的360°),仍按原角度进行检相。

当相位差φ处于中等角度(180°)时,er分频器BJSQ1输出的er及em3个信号的负半周举发生重叠现象,-YF没有高电位输出,分频器BJSQ2的状态无控制作用,以维持按原来检相状态进行检相,避免在正式检相过程中检相状态发生变化,确保了检相的可靠性。也就是说,若正式检相前已对小角度φs作了加180°处理,那么正式检相过程中由于分频器BJSQ2已被“置位”,显然检相器BJSQ3将始终将按加180°进行检相;若正式检相前未作加180°处理(即大角度检相),那么正式检相过程中亦由于分频器BJSQ2已被“置位”,则检相器BJSQ3仍将按不加180°进行检相。这种控制作用可以保证在闸门时间τg的检相过程中检相状态的一致性,即保证在检相过程中不致发生时加时不加180°检相的现象,保证了最后所得到的检相平均值的正确无误。

控制分频检相较之“移π”检相的优点之一是,由于控制分频检相时,大角度检相结果仍为原来值(因没加180°),而小角度虽然加了180°,然而由于计数时180°(相当于原中频360°)的自动溢出也恢复了原来值,它不像“移π”检相那样还需加“π”的操作,因而可使电路结构简单一些;优点之二是,由于控制分频检相是使用后的测相信号检相的,因此不论分频状态如何,两种分频信号始终相差360°,不会引入“移π”检相中那种因波形不对称而带来的“移π”检相误差。

3)“分区段控制”检相

瑞士的DI-3等短程红外测距仪是采用“分区段控制”检相方法检相的。它是将等效于精测的20m尺长,对应着10000个脉冲数的检相周期划分3个区段。

①A区段:0000~4000个脉冲(相当于小角度);

②B区段:4000~7000个脉冲(相当于中角度);

③C区段:7000~10000个脉冲(相当于大角度)。

根据可能出现信号抖动的大小,检相仅可能在两个区段中波动,由图18-39知:

若第一次检相值落在A区段,则以后各次检相可能波动在A区和B区之间或A区和C区之间。

若第一次检相值落在B区段,则以后各次检相可能波动在B区和A区之间或B区和C区之间。

若第一次检相值落在C区段,则以后各次检相可能波动在C区和B区之间或C区和A区之间。

为了避免相位差处于大、小角度时,由于相位抖动而产生错误检相,该仪器是根据第一次检相值所落在的区段,按表18-7和图18-39所示的规则,对以后各次测量值依所落入区段的不同,进行加2π(加10000个脉冲)或不加2π的处理,因为这样就可以保证每一次检相值所落在区段永远位于处理后的新的检相范围(2π)的中间区段(如图18-39所示),而其余各次检相值即使有些分散,也不至于落在2相位附近,从而保证了大、小角度的正确检相。这就是“分区段控制”检相的出发点。

表18-7 处理规则

图18-39 检相仅可能在两个区段中波动

4.相位-距离信息转换及处理

以上介绍的各种测相方法解决了相位差的测量问题,虽然相位差的大小反映了距离的长短,但是以度、分、秒来表示距离与我们习惯上所用的表示距离的方法不一致,也不够直观。为此,要将相位计算得到的相位差信息,变成通用的“米制”距离信息。此外,由于内在因素和外部因素的影响,往往使各测尺频率的测量结果带有一定的误差,造成各测尺频率测量值衔接的不正确,得不出正确的距离值,因而还须采用一定的方法对各测尺频率的测量结果进行技术处理,确保它们之间的正确衔接。

(1)相位-距离信息的转换

1)平衡式手动移相-鉴相测距仪

国内外生产的多数中长程气体激光测距仪一般采用平衡式手动移相-鉴相法,其距离和相位的关系为:

这类仪器的基本测尺长度均为2.5m,对应着一个检相周期π。由机械移相器原理可知,为了显示移相器机械转角大小,移相器通过齿轮传动了一个机械数码器,由数码器的指示值就可知移相器相移的大小,即可知距离尾数大小。例如,某型测距仪中,π的相移量(即2.5m基本尺长)对应着数码器625个数字,所以,数码器每个数字代表2500/625=4mm。

为了消除各种不对称因素的影响,以提高测量精度,作业时均利用4个相位置的观测结果取平均值为最终结果。通常,应先将每个测量的读数乘4变成以毫米为单位的距离尾数值,然后相加再除4。由于4个相位测量数字的满数为625×4=2500个数字,此时每个数字恰好代表2500/2500mm。所以用这种仪器测量时,只要将4个相位测量的读数相加,即可得到以毫米为单位的距离尾数值。但有的测距仪与前两种仪器略有不同,它们的π相移量(即2.5m基本尺长)却对应着数码器1000个数字,此时1个数字代表2500/1000=2.5mm,把测量所得到的数码器数乘2.5mm,即可得到相位差对应的距离尾数值。进行4个相位测量时,只要把各相位测量的距离值相加再除4,即可得距离尾数平均值。

2)自动数字测相法的测距仪

由前文可知,多次测相得到的最多脉冲数Mmax=fcp·τgπ由于Mmax对应的是一个检相周期,而又代表着一个测尺长度Ls,因此,只要将Mmax除以适当的数,就可得到一个脉冲所代表的距离数。例如,测距仪的填充脉冲(时标脉冲)fcp=10MHz,闸门时间τg=0.1892s。由于它采用“控制分频检相”法(扩角检相)测相,此时,多次测相在2π周期内填充的最多脉冲数Mmax应为:

因为

所以

它所对应的精测尺长为Ls1=10m=1000cm,对应的粗测尺长为1000m。如将4096000个脉冲除以4096,则一个脉冲精测时将代表,而粗测时将代表

在数字电路中一般用分频的办法实现除法运算。该仪器在检相填充门和计数器之间加设了4个二分频器和4个四分频器,其作用就是为了将检相总脉冲数M除4096,即进行24×44=212=4096次分频。原理如图18-40所示。

图18-40 用分频的办法实现除法运算

(2)各测尺频率测定值的衔接

相位式测距仪为了保证测程范围内的测距精度和距离单值解,必须采用一组测尺频率(分散的或集中的)——即一组长度不同的测尺分别测量同一段距离,然后把各测尺的测量结果组合起来得到一个完整的距离值。但由于噪声的影响,高频电路的干扰以及测相系统本身的问题,使得各测量值总带有一定的误差,从而造成用各测定值组合起来的距离数字有错误。因此必须由人工或仪器自动对各测尺的测量值进行判断,并加以适当调整,以保证测尺频率测量值间的正确衔接,使距离数值不发生错误。

目前,大部分长、中程测距仪及少数短程测距仪均采用人工记录各测尺频率的测定值,然后依据一定的原则对数据进行调整、组合,得到完整的正确距离值。

1)短程测距仪

英国的MA-100和德国的EOK-2000型短程测距仪采用一组集中的间接测尺频率方式测相(两者区别是:前者使用5个测尺频率,后者只用3个测尺频率),用差频的办法获得相当测尺长的读数,由测量人员记录下各次观测的结果,经调整、组合后得到完整的正确距离值。如表18-8所示,当各档观测值没有误差时,将各档的测量数据自前而后地连起来,即可得到完整的距离值741.9447m。然而由于种种因素的影响,使各档测量值均带有不同程度的误差,从而造成各档测量首尾不能恰当衔接,如表18-9所示,此时应当用相邻测量值中较短测尺测量值的最高位数字,去校正较长测尺测量值的同一位数字,因较短测尺测量值的最高位数字是正确无误差的。对此例而言,应当用“mm”档0.9447中的0.9去校正“mm×10”的数字,将2.2调整-0.3,即2.2-0.3=1.9。同理,应对“m”档的数字73调整+1,得73+1=74,对“m×10”档的数字08调整-1,得08-1=07。调整后各档的距离测量值和表18-8相同,相邻档测量值首尾就可恰当衔接了。仿前例组合法即可得到完整的正确距离741.9447m。

表18-8 各档测量数据的理论组合

表18-9 首尾测量值不能恰当衔接时的组合

在人工记录、判断和调整的过程中,应调整的数字为±5时,为避免错误判断,应重新测量一次,以便决定是+5,还是-5。

2)长、中程测距仪

某些气体激光测距仪虽然也是采用一组集中的间接测尺频率方式测相,人工记录各测尺的测量结果(相位尾数),从而组合求出距离值,但它的组合方法不同于短程测距仪。

DCX-30型测距仪各测尺频率测量值的组合及距离解算,使用5个测尺频率进行测量。它的距离计算公式为:

D-K=A+B+C+E+L

式中A=10(L1-L2)-L1为和2.5m倍数最接近的数;

B=102(L1-L3)-10(L1-L2)为和25m倍数最接近的数;

C=103(L1-L4)-102(L1-L3)为和250m倍数最接近的数;

E=103(L1-L5)-103(L1-L4)为和2500m倍数最接近的数。

式中L为以米为单位的测相读数平均值,L1、L2、L3、L4、及L5为用4个相位、内外光路测量结果求得的各测尺频率的尾数,K为测距仪的加常数。

随便看

 

离鸟网收录3541549条中英文词条,其功能与新华字典、现代汉语词典、牛津高阶英汉词典等各类中英文词典类似,基本涵盖了全部常用中英文字词句的读音、释义及用法,是语言学习和写作的有利工具。

 

Copyright © 2004-2024 vtrois.com All Rights Reserved
更新时间:2026/4/21 13:08:52