网站首页  词典首页


请输入您要查询的字词:

 

字词 白酒加工装备
类别 中英文字词句释义及详细解析
释义

白酒加工装备


1 概述

白酒是以曲类、酒母等为糖化发酵剂,利用粮谷、薯类或其他含糖原料和含淀粉的代用原料,经蒸煮、糖化发酵、蒸馏、贮存、勾调而成的蒸馏酒。白酒因能点燃而又名烧酒,是世界六大蒸馏酒之一。

白酒可按使用原料、生产工艺方法、香型、酒度高低、曲的种类、产地不同划分种类。

白酒虽有悠久的生产历史,但其种类繁多、工艺独特、风格突出,多少年来是采用作坊式生产,基本上是手工操作。20世纪60年代开始,用机械装备逐步代替手工操作。80年代大中型酒厂进入机械化生产,白酒加工设备开始步入发展阶段。

2 加工工艺

2.1 制曲

2.1.1 制曲原料 根据白酒曲的作用及制作工艺特点,其原料符合三点基本要求。首先要适于有用菌的生长繁殖。大曲中的有用微生物为霉菌、细菌及酵母,麸曲中有曲霉等,小曲中有根霉及酵母等。这些菌类的生长与繁殖,必须有五大营养成分,并要求有合适的pH、温湿度及必要的氧气等条件。因此,不但对原料的成分含量有要求,同时要考虑曲料的粘附性,并注意原料的配比。凡有抑制有用菌生长成分的原料不宜使用。其次要适于产酶。要求制曲原料含有较多量的淀粉,以及促进淀粉酶类形成的无机离子。蛋白质也是产酶的必要成分。

白酒大曲的原料,南方以小麦为主,北方大多使用大麦与豌豆,而麸皮是制麸曲的主要原料。小曲的原料通常为精白度不高的籼米或米糠。

2.1.2 制曲 用曲作为糖化剂或糖化剂兼作发酵剂酿酒,是我国所独创的。白酒生产用曲包括大曲、小曲、麸曲和液体曲。液体曲是最早应用于酒精生产,在60年代开始也应用于白酒生产,液体曲是以薯干、玉米、豆饼等为主要原料加一定营养盐,用不同类型的通风培养罐培养的纯种曲霉、根霉、红曲霉等液体糖化剂。使用液体曲,有利于降低劳动强度,提高糖化力,降低用曲量,但需操作严密,培养设备较复杂。且由于成品酒中酸和酯含量低,而杂醇油含量高,使醇酸比及醇酸等微量成分之间比例失调。目前饮用者较少,尚未能推广,故本节不作介绍。

(1)大曲加工工艺 大曲是白酒生产的传统用曲,大曲多呈长方形,曲块较大,制成后需贮存至少3个月才能使用,大曲又被称为砖曲、陈曲。大曲以小麦、大麦、豌豆为原料,采用生料制曲。由于大曲是自然培养而成,所以含有霉菌、酵母、细菌等复杂的微生物群。因而,它既是酿制白酒的糖化剂,也是发酵剂。大曲的生产一般习惯按制曲温度分为:高温曲、中温曲两类。高温曲的温度在60~65℃;中温曲温度则在45~59℃。高温曲生产工艺流程如图1-16-29所示。

图1-16-29 高温曲的生产工艺流程图

高温曲制曲原料纯用小麦,加5%~10%水拌匀,润料3~4h,用钢磨将小麦磨细,过20目筛,一般磨成50%半细粉,50%粗粉和麦皮。磨碎后再加38%~42%水,加入母曲4%~8%,拌料制曲坯,曲坯出模后,应侧立晾坯1~1.5h,使表面水挥发,运入曲房。在培养过程中,由于微生物的大量繁殖,曲温逐渐升高,中间曲块温度可达60~62℃,经二次翻曲,约经40~50天,曲温接近室温,曲块基本干燥,含水量降到15%以下,可从曲房取出曲块进行贮存。以上是酱香型大曲酒制曲工艺,浓香型和清香型大曲酒采用中温曲生产工艺,但生产工艺也有所不同,图1-16-30所示为清香型中温曲生产工艺流程。

图1-16-30 中温曲生产工艺流程图

清香型酒以汾酒曲为代表。原料60%是大麦,40%是豌豆,经混合、粉碎后通过20目筛,夏季细粉占30%,冬季细粉占20%,其余为筛上物粗粉。将曲料加水后拌合,装入曲模用压曲机压制成曲坯,曲坯含水分在36%~38%,每块曲坯重3.2~3.5kg。曲坯制成后放入曲房进行培养,曲房开始温度以15~20℃为宜,夏季越低越好,曲温逐渐升高,夏季经36h,冬季经72h,可升至38~39℃,要通风排潮,曲温下降,再封闭曲温升至45~46℃,保持7~8天后逐渐下降到32~33℃,再经3~5天曲温保持28~30℃,曲坯总培养期在24~25天,不超过28天,在培养期间每1~2天翻曲1次。贮曲期为半年。

(2)麸曲加工工艺 以麸皮为原料,利用人工菌种培养而成的糖化剂,配以纯种酵母培养的酒母为发酵剂可以酿制白酒。因制曲时间较短,又称为快曲。

麸曲的制作原理与大曲、小曲等一样,根据所需培养菌的特性、成曲的要求以及成品酒的风格,在制曲原料和培养基的选择上,同样要考虑霉菌菌株生长所需的五大元素(碳源、氮源、生长素、无机盐、水)的含量及pH;在培养条件上,必须注意温度、湿度及供氧三个方面。制曲的工艺,有曲盒法、帘子法及机械通风法。

曲盒法制麸曲工艺流程如图1-16-31所示。

图1-16-31 曲盒法制麸曲工艺流程图

(3)小曲加工工艺 以米粉、米糠、小麦为原料,制成球状或块状的小曲为糖化发酵剂,有的加入中药材或观音土等。又名南曲、酒饼、药曲或酒药。小曲可按用料分为米曲、糠曲和燕麦曲等。

小曲采用自然微生物选育培养,以曲种接种。小曲的用量很少,仅为大曲的1/20左右,相当于酿酒原料的0.5%~2%。

图1-16-32所示为一种曲丸的制作工艺流程图。

图1-16-32 米曲制曲工艺流程图

①原料:大米粉,若以总用量20kg计,则其中15kg用于制坯,5kg细粉用作裹粉。

草药为一种香药草,用量为制坯米粉重量13%。干燥磨粉后使用。

曲母为上次制小曲时保留的少量药种。其用量为裹粉重量的4%。

加水60%(以坯粉计)。

②浸泡:大米浸泡时间夏季为2~3h,冬季为6h左右,浸泡后沥干备用。

③制坯:每批用米粉15kg,加香药草粉1.95kg,曲母300g,水约9kg,混匀,制成饼状面团,再在制坯架上压平切成2cm见方小粒,用竹筛筛成圆坯。

④裹粉:将约5kg细米粉加入0.2kg曲母粉混匀,先撒一小部分裹粉于簸箕中,并第一次洒水于坯上,将坯倒入簸箕中,用振动筛筛圆后再裹一层粉,再洒水、再裹,直至细粉用完。总洒水量为0.5kg。然后将圆坯分装于小竹筛内摊平,入曲室培养。坯含水量为46%。

⑤培曲:培曲分前期、中期和后期。前期室温为28~31℃,培养20h左右,品温为33~34℃,最高不超过37℃。培养24h后进入中期,酵母开始大量繁殖,该阶段约为24h,室温控制在28~30℃,品温不超过35℃。后期约需48h,该阶段品温逐渐下降,曲子渐趋成熟。

⑥烘干:将成熟的曲子移至40~50℃的烘房内,经1天即可烘干。

2.2 酿酒

2.2.1 酿酒原料及辅料 酿制白酒的原料有粮谷、以甘薯干为主的薯类及代用原料三大类。主要粮谷及薯类原料包括高粱、玉米、大米、薯干、马铃薯干、木薯干等。而代用原料则是一些农副产品及野生植物等富含淀粉和糖类的物质,但代用原料用的很少。

使用制酒原料要注意保持相对稳定,在使用原料时,要根据不同原料的特性,采用相应的菌种和工艺条件。优质酒不宜用薯干酒母,也不能与使用有异味或霉腐原料的班组共用甑桶或贮酒容器。另外,要注意原料的成分及外观质量。对含土及杂物的原料应进行筛选。原料的入库水分应在14%以下。

固态发酵法制酒的辅料又称填充料,常用高粱壳、鲜酒糟、甘薯蔓、玉米皮等。要求杂质较少,新鲜无霉变,并具有一定的疏松度及吸水能力。少含果胶、多缩戊糖等成分。其作用是调整酒醅的淀粉浓度,冲淡酸度,吸收酒精,保持浆水。同时使酒醅有一定的疏松度和含氧量,并增加界面作用,使蒸煮、糖化发酵和蒸馏能顺利进行,还有利于酒醅的升温。

白酒制曲及制酒需多品种原料,应分别贮库。入库前,要求含水分在14%以下,已晒干或风干的粮谷入库前应降温、清杂。粮粒要无虫蛀及霉变。高粱等粒状原料,一般采用散粒入仓。稻谷、小米、黍米等应带壳贮存,临用前再脱壳。麦粉、麸皮等粉状物料,以麻包贮放为好。若使用大型筒仓,则原料入仓、倒仓降温及除杂、出仓由工作塔及粮塔两部分完成。白酒厂通常采用振动筛除杂,用吸式去石机除石,用永磁滚筒除铁。粉碎工艺与设备因原料而异。薯干及野生植物的粉碎,用于酿制普通麸曲固态发酵法白酒及液态发酵法白酒的这类原料,要求粉碎度较高。因此,采用锤式粉碎机较适宜。高粱、大曲料、大曲的粉碎通常采用辊式粉碎机。如采用锤式粉碎机则很难达到曲料的粉碎要求,因为它将麦皮及麦粉一起打得粉碎。原料的出入仓及粉碎操作过程均需进行物料输送,通常采用气流和机械输送两种方式。

白酒生产中的配料用水,俗称“量水”、“泼量”或“浆水”。量水又包括“前量”与“后量”。“前量”是指蒸粮前的润料用水量,“后量”为蒸粮后的加水量。后量中又分曲前量和曲后量。一般大曲白酒生产中不加曲后量,麸曲白酒因发酵期短,可加部分曲后量。

底醅是指出窖的发酵材料。它与粮粉、辅料、量水、曲和酒母、底醅是白酒生产中配料的五种材料,缺一不可,互相制约。而底醅又可以说是前四种材料的综合体。它的作用在于调整酒醅的淀粉浓度、水分及酸度,控制酒醅发酵的升温和生酸,连续积累香味成分及其前体。

2.2.2 白酒蒸馏工艺 蒸馏的作用在于:

(1)除去酒醅中的有害成分,提取和浓缩酒精及香味等成分;

(2)可将固体酒醅中的杂菌等杀灭,循环使用,使其成为下一轮发酵中酵母的养料及香味成分的前体。采用混蒸法工艺时,又可使新粮得以糊化;

(3)在蒸馏过程中,物质成分发生变化,一些物质挥发,同时又有新的物质生成,还可发生诸如美拉德反应等许多反应。

在白酒生产中,将蒸发、冷凝、冷却及截头去尾统称为蒸馏,只有液态发酵醪的壶塔结合及双塔蒸馏等才有分馏作用。固体酒醅通常采用装甑水蒸气蒸馏;小曲酒醪采用卧式蒸馏罐以直接火加热或用直接蒸汽及间接蒸汽加热蒸馏;新工艺采用香醅装甑的水蒸气串香法,或直接火、直接蒸汽、间接蒸汽的香醅浸香法蒸馏,壶塔结合的连续蒸馏。

2.2.3 白酒的贮存老熟 新蒸出的白酒,气味不正,有所谓新酒臭,口味上有粗糙、辛辣和刺激性大等不悦感。新酒经过适当的贮存期,则香气增加,酒味柔和,酒内各种成分之间趋于协调,这种现象称为自然老熟或陈酿。白酒的贮存期,依酒的种类而异。例如:白兰地的贮存期短则4~5年,长则达20年以上;威士忌的贮存期一般为4~6年,也有10年以上的。通常茅香型白酒的贮存期为3年,泸香型白酒为1年左右,汾香型白酒在1年以上。经验证明,以酯香为主体香的白酒,其贮存期不宜过长。实践证明,某种酒贮存期的长短,也要考虑酒库温度、湿度、通风状况、光线、贮存量,以及不同贮存容器及容量等因素。贮存温度以20℃为宜。

白酒陈化的另一种方法是人工催陈法,就是采用人工的方法加速老熟作用。人工催陈的方法,有物理的、化学的、生物化学的、微生物的方法四大类,也可兼用。其原理在于:促进缔合作用,可形成更大且牢固的极性分子间的缔合群,增强了各类物质的分子活化能,提高了分子间的有效碰撞率,使酯化、缩合、氧化还原等反应加速进行,加速低沸点成分的挥发,提供了某些氧化还原剂,使氧化还原反应及早趋于动态平衡,降低了各种反应所需的活化能,加速了反应的进行,由于化学的或酶的催化作用,促使酯化反应等加速进行。常用微波法、热处理法、超声波处理、高频电场或磁场处理、紫外线处理、超滤法和化学添加剂法等。

2.2.4 白酒的勾兑与调味 白酒“生香靠发酵,提香靠蒸馏、成型靠勾兑”这种说法不无道理。勾兑与调味稍有区别,勾兑是粗调得到调味用的基础酒,须再用具有特殊风味的调味酒微调后,才算定型。

所谓勾兑,就是将大宗的酒与少量的酒合理地掺兑起来。这些酒包括排次和活、糟活的酒、贮存期不同的酒,以及香淡不同的酒等。勾兑后的基础酒能基本上符合成品酒典型性的要求,即在香味方面各种成分达到相对平衡。勾兑的实质是基本上解决白酒的主要成分醇类与微量成分如酸、酯、醛、酮和酚等之间的量比关系,使其初具成品酒的风格。勾兑后的基础酒已具有典型风味,但在香味上仍有微小不足之处,若添加0.1%乃至0.01%的调味酒加以调整,酒质可更趋完善。调味后经过10天左右,可检查一下,如果酒质下降,则须再次补调。

2.2.5 典型白酒加工工艺 事实上各种白酒的详细制作工艺都各不相同。在我国的名优白酒中,大部分为大曲酒,这些大曲酒的香型可分为酱香型(茅台酒)、浓香型(泸州特曲)和清香型(汾酒)以及其他香型等四种。

(1)酱香型(茅台酒)加工工艺(图1-16-33)

图1-16-33 酱香型(茅台酒)生产工艺流程图

①配料、成型:将小麦用磨碎机粉碎成粗细各50%左右。每100kg小麦加母曲5kg拌和,再加清水40kg翻拌均匀后,装入曲模,压紧,中央凸起。每块湿坯约8kg,曲坯出模后侧列于制坯室2~3h,使曲坯表面稍干。

②培养、贮存:将干后的曲坯移至曲室堆积3~5层,每层用稻草隔开,泼入适量清水。关闭门窗,使发酵微生物繁殖而曲坯升温,即高温堆曲。品温控制在60~65℃,中间翻曲2次,以调整曲块位置和品温。经过40~50天,曲块大部分已干,呈黄褐色、曲香扑鼻,表皮薄、无霉臭等怪味,即可拆曲。每块曲重为5~6kg。成曲出曲室后在常温下贮存6个月后才能使用。

③高粱及曲的粉碎:用作第1次投料的高粱,其整粒与破碎粒之比为8:2。第2次投料用的高粱整粒与破碎粒之比为7:3。两次投料量相等。曲用磨碎机粉碎越细越好。

④下沙操作:从第一次投料到第一次发酵结束统称为下沙。

每甑称取经粉碎的高粱350kg,分两次泼入总量为160kg、温度在90℃以上的“发粮水”。每次泼水后翻拌3遍,然后堆积润粮4~5h,润粮后加入母糟25kg,拌和2~3遍,可装甑蒸煮。蒸出的酒可作为养窖的原料。

将蒸熟后的物料用木锨铲到晾堂,在料梗上泼入85℃以上的热水42kg,翻匀,摊晾至适宜温度,再翻铲成行,收拢成堆。然后用喷壶喷入30℃左右的次品酒(尾酒)7.5kg,立即翻匀。在20℃下品温降至34℃时,撒入曲粉35kg,翻匀,再收拢成堆,品温约30℃。堆积发酵3~5天,待顶部品温达45~50℃,堆内酒醅有酒香味和香甜味时,即可入窖。酒醅下窖前先用木柴烧窖,待温度稍降,即扫除灰烬。再喷入次品酒7.5kg,并立即撒入曲粉15kg,称为撒底曲。接着进行下窖,用扒梳将堆积的酒醅上、中、下拌和。一边倒醅,一边泼入原料量2.6%左右的次品酒。待酒醅下完后,用木板轻轻压平,再撒上一层稻壳。最后用稀泥密封,其厚度为4cm。酒醅在窖内发酵约30天,品温为35~48℃。

⑤糙沙操作及蒸馏:将另一半碎高粱进行润粮,方法同“下沙”操作。待第一次发酵结束后,开窖铲除封泥及稻壳。酒醅分2次取出,加入等量经润粮的生沙,拌匀后蒸馏蒸出的酒称为生沙酒,作为养窖用。蒸酒后的糟摊凉至32℃,泼入全部生沙酒,再加入曲粉拌匀后进行堆积发酵。为保证前后发酵轮次的堆积酒醅质量一致,优选适量上轮堆积酒醅不入窖,留作下轮堆积酒醅的种子,效果最好。堆积发酵后再入窖发酵1个月。以上操作统称为糙沙操作。

取出第2次发酵后的酒醅,不再加入新料进行蒸馏,量质摘取中段酒作为第1次原酒,称为糙沙酒。酒头单独贮存,酒尾泼回糟中。再向糟中加入尾酒和曲粉拌匀,进行堆积发酵,入窖发酵1个月。蒸馏得第2次原酒。如此轮回加上前3轮,共8轮。在全部的轮次中,加曲量以第2轮为最高,以后各轮递减,第8轮的加曲量仅为第7轮的50%。接取第7次原酒后,酒糟可作为饲料。

⑥贮存、勾兑:各轮次的原酒分型分等密封于陶瓷容器中,经3年以上的贮存期,进行精心勾兑、调味。以醇甜型酒为基础,加入一定比例的酱香型及窖底香酒。调味完毕,再贮存1年,要求成品酒质量达到或高于标准样的水平。

(2)浓香型白酒加工工艺 浓香型白酒以泸州特曲为典型代表,该工艺目前在国内较为普遍。其工艺流程如图1-16-34所示。

图1-16-34 浓香型白酒生产工艺流程图

原料(高粱)经磨碎至通过20目筛孔量占78%~85%,经配料(高粱粉20%,稻壳5.8%,其余为母糟)拌合后,装入加有底锅水的甑中。然后进行蒸馏,蒸馏过程要防止塌甑、溢甑及漏气,每甑共蒸45min。出甑的粮糟按每100kg高粱粉加入蒸酒时的冷却水95kg(打量水),水温在55~85℃,量水要与粮糟充分拌匀。用木锨将粮糟摊于晾堂呈3~5cm厚进行摊晾撒曲,待品温降至比地温高6~12℃时即可撒曲,经入窖发酵,发酵期为45~60天,发酵温度最高达38~40℃,冬季发酵期长些。在发酵过程中,窖内酒醅向下渗流的黄色浆水称为黄水,含有酒精、醋酸、腐植质、酵母自溶物、香味成分等是人工培养老窖的良好材料。蒸酒时,量质接酒,边接边尝,取流酒质量最佳的一段,单独贮存后,勾兑出厂。

(3)清香型白酒加工工艺 清香型白酒以山西汾酒类型为代表,是北方传统老白干的典型。其工艺流程如图1-16-35所示。

图1-16-35 清香型(汾酒)白酒生产工艺流程图

(4)麸曲法酿酒 麸曲法酿酒系采用纯菌种的曲来酿造。白酒酿造分为清渣和续渣两种方法。续渣法又分五甑、四甑等方法。老五甑则是我国具有悠久历史传统和目前全国应用较广泛的白酒生产的续渣操作方法。这种方法适合于以红薯干、玉米、高粱和细高梁糠等含淀粉45%以上的,以及其他含淀粉较高的原料来酿制白酒。

续渣法操作工艺流程如图1-16-36所示。

图1-16-36 续渣法操作工艺流程图

①破碎:薯干、玉米及高粱等原料应粉碎至60%以上可通过20目筛。细粉用于三及酒母,筛上物用于大、二

②配料:投料量应根据甑桶和窖的容积、原料淀粉含量及气温而定。一般每立方米甑桶体积薯干总投料量(包括酒母用料)约为300kg。

麸曲为黄、黑两曲混用,其中黑曲占70%以上。

新料与酒醅、告糠及曲的比例,应根据醅的疏松度、水分和淀粉含量、酸度,以及曲的质量、气温和发酵时间而定。一般按气温调节大、二入窖时的淀粉含量为14%~17%,酸度为0.5~0.8。

③蒸馏糊化:蒸馏接酒器具应保持清洁,每班应换一次蒸锅水。装甑时装至甑口相平为宜,开始装甑时,汽量稍小,以后逐渐加大,当盖甑盘时,汽量略小,待流酒时,汽量恢复正常。当酒量流至2/3时,应加大大力使余酒流尽,原酒的平均酒度保持在65°以上。出酒温度在30℃以下。根据原料质量等因素确定截头去尾量。酒醅与新料混蒸时,前期以蒸料为主,甑内品温为85~90℃,酒流尽后,则以糊化为主,按原料的质地及粉碎程度决定蒸煮时间。

④扬冷、加曲和酒母、加水:扬冷的目的是冷却热料。一般气温5~10℃和10~15℃时,品温可分别降至30~32℃和25~28℃,夏季应尽可能使品温接近室温。入窖前应加曲、酒母和水。加曲和酒母时醅的品温,在冬季应较下窖温度高10~15℃,夏季冷却至品温不再下降时加入。加水应在加曲和酒母后进行。

⑤入窖、糖化发酵:入窖要温度适宜,入窖后要保温密封,定时测温。严密注意发酵过程中成分变化情况。通常可从酒醅的升温及二氧化碳的产生情况来确定发酵是否正常。一般以严格掌握窖内品温变化规律来控制发酵过程中的品温,使糖化与发酵的速度得到协调。

(5)小曲酒酿制 小曲酒是一种主要的半固态发酵法白酒。历史悠久,在我国南方产量很大,由于各地制曲工艺和糖化发酵工艺的不同,小曲酒的生产方法也有所不同,有先培菌糖化后发酵、边糖化边发酵两种典型的传统工艺。

先培菌糖化后再发酵,即下缸品温控制在38℃以下,以固态培菌糖化20~24h后,再加水或不加水转入半固态或固态发酵,用曲量在3%以下,发酵期为7天,再经蒸馏而成。其工艺流程如图1-16-37所示。

图1-16-37 小曲酒(先培菌糖化后发酵)生产工艺流程图

边糖化、边发酵是我国南方酿制米酒和“玉米烧”所采用的工艺,加曲量为18%~22%,加水使其成半固态边糖化边发酵。其工艺流程如图1-16-38。

图1-16-38 小曲酒(边糖化、边发酵)生产工艺流程图

(6)低度白酒工艺 随着人们生活水平的提高,在酒的嗜好上也发生了变化,由高度转向低度,从80年代中期,我国低度白酒获得了发展。在国际一般40°(或43°)做为高度酒(或烈性酒)与低度酒的分界线。目前低度酒生产主要有两种方法,一种是先将选择好的“酒基”单独进行加水降度,处理澄清后,再按一定比例勾兑、调味、贮存、过滤;另一种方法是按高度酒的生产方法进行勾兑、调味,然后进行降度、处理澄清、贮存、过滤。为确保产品质量,有的还进行多次勾兑和调味。

制作低度酒要选择好酒基,解决好澄清和调味。所选择的酒基要求香、味成分的含量相当高,使加水稀释后的低度酒中的这些成分含量仍在预定的指标范围内,因而不失原酒种的基本风格。降度用水因直接进入成品酒中,所以要求较高,除了要求其无色透明外,嗅感和味感均应良好,清爽可口,对无机成分的含量要求也很高,应使用软水,最好使用开然软水——泉水。

高度白酒降度后,会产生白色混浊,除浊方法有利用澄清剂、吸附剂、离子交换树脂等方法,还可采用机械法(蒸馏、过滤)除浊。低度酒的勾兑、调味与高度酒生产无大区别,只更细致。例如,一般采用生产高度酒时的酒头及酒尾,以及浓香调味酒和陈酿调味酒作为生产泸香型低度白酒的四种调味酒,其中酒头和浓香调味酒的作用是提高低度酒的前香和喷头,陈酿调味酒是增加香味使之爽口味醇,酒尾作用是增加低度酒的后味。图1-16-39所示为应用较多的一种工艺流程。

图1-16-39 低度白酒生产工艺流程图

3 关键设备

3.1 粉碎机

我国大多数酒厂目前采用将原料粉碎成粉状小颗粒进行投料,多数酒厂都装备了粉碎机械。粉碎的方法有湿式粉碎和于式粉碎两种。湿式粉碎是将原料和水一起进入粉碎机,出来后是湿粉,含较大的水分。这种粉碎不需要除尘通风等辅助设备,卫生条件好,所得的成品颗粒均匀。缺点是湿粉不易贮存,必须及时投入生产,耗电量较多。干式粉碎是将干原料直接粉碎,需配备除尘通风设备。我国酒厂一般采用干式粉碎方法。

薯干等原料可用锤式粉碎机,高粱及制大曲的麦类等可用辊式粉碎机械或万能磨碎机,制小曲的碎米等原料采用万能磨碎机。

锤式粉碎机参见第1篇第13章第1节。

3.2 制曲设备

3.2.1 扬麸机 扬麸机用作拌料及蒸麸后热料的扬冷。如图1-16-40所示,其工作部件是由电机带动的刮板式转子。热料从进料口4进入,通过转子5上的刮板扬出。

图1-16-40 扬麸机

1-出料口 2-升降挡板 3-电动机 4-进料口 5-转子 6-导轮

3.2.2 固定式蒸麸锅 固定式蒸麸锅如图1-16-41所示。它是一个上下面呈锅底形的圆柱形体,主要工作部件是转动刮刀10。曲料经螺旋输送器均匀地从进料口9进入蒸麸锅,开动刮刀使曲料盖满锅底,通入蒸汽,并继续装料,待装料结束时,通入蒸汽。当压力达到120kPa,保持压力一段时间后,打开排气阀8,开动刮刀从排料口将料排出。

图1-16-41 固定式蒸麸锅

1-蜗轮减速器 2-电动机 3-进汽管 4-筛板 5-锅体 6-安全阀 7-压力表 8-排气阀 9-进料口 10-刮刀 11-出料口 12-排水管

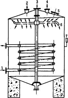
3.2.3 回转式蒸麸锅(图1-16-42) 回转式蒸麸锅的工作原理是润料后,将曲料由进、出料口8装入锅内,先通汽排除进汽管内的冷凝水,蒸汽通过空心轴由蒸汽喷出管7进入锅内,开排汽阀5将冷空气排出,然后再关闭阀5保持锅内压力升至35~50kPa,再打开排汽阀5进一步排除冷空气,关排汽阀5保持压力15~30min,期间转锅体9不断进行360°旋转。蒸料结束开排汽阀5,使锅内恢复正常大气压。通过水力喷射器12将热料进行减压冷却。

图1-16-42 回转式蒸麸锅

1-扬麸机 2-贮水池 3-水泵 4-上回阀 5-排汽阀 6-排汽管 7-蒸汽喷出管 8-进、出料口 9-转锅体 10-蒸汽管 11-定量水箱 12-水力喷射器 13-假底 14-通汽孔

3.2.4 机械通风制曲设备 随着发酵工业的发展,酒厂逐渐采用机械通风制曲来取代老式的地板曲、木盒曲、筛曲等生产效率低、劳动强度大的方法。机械通风制曲设备结构简单,节约人力,提高生产率,向曲层通入的空气经过调温、调湿,使麸曲质量得以提高。

机械通风制曲的流程一般为:原料→蒸麸机→扬麸、冷却装置→带式运输机→曲池通风培养→成品曲,如图1-16-43所示。

图1-16-43 机械通风制曲设备原理图

1-曲室 2-曲层 3-风机 4-变向阀 5-加热器 6-喷水器

通风曲池结构呈长方形,砖砌水泥抹面,通常为地上或半地下式。底面斜率一般为8%~10%。曲料堆放在可移动的竹帘或金属筛板上,池顶装置压条压盖曲料。曲池一端有风口与风道连通,风口用闸门调节风量。风机一般采用离心式通风机。通过加热器5和喷水器6可调节通入空气的温度和湿度。

3.2.5 带升式液曲罐(图1-16-44) 目前一些酒厂采用液体曲发酵,收到较好的效果。液体曲设备有带升式、机械搅拌式和高位式等,这里介绍的是带升式设备——带升式液曲罐。

图1-16-44 带升式液曲罐

1-视镜 2-空气管 3-上升管 4-冷却夹套 5-空气喷嘴 6-单向阀 7-带升管 8-罐体

带升式液曲罐是一个圆柱体容器,顶部和底部为椭圆形(或球形)盖,罐外装有循环管,循环管两端与罐底及罐上部相连接构成一循环系统。循环管的下部装设空气喷嘴。喷嘴如图1-16-45所示。通过空气压缩机使空气以250~300m/s的高速度喷入循环管,借喷嘴5的作用而使空气气泡分割细碎,与管内发酵液密切接触。由于循环管内的发酵液与空气组成密度较轻的气液混合物,在压缩空气的喷流动能作用下,管内气流顺着循环管(上升管3)上升至上部入罐,罐内液体较重而下降进入循环管(带升管7),于是形成了反复的循环,供给发酵液所需的溶解氧量,使液曲发酵正常进行。

图1-16-45 喷嘴

3.3 酒母和发酵设备

酒母主要用在麸曲白酒及液态发酵法白酒的生产中。

粮粉输入拌浆罐中配料后,用浓浆泵打入蒸煮锅糊化,进行喷淋冷却或自然冷却后,加麸曲或淀粉糖化,经过滤和灭菌后进入酒母罐培养种母及酒母。

3.3.1 蒸煮锅(图1-16-46) 蒸煮锅是一种耐压可达400kPa的压力容器。圆柱体直径与高之比为1:2,锅底为圆柱锥形体,由于砂石下沉锥底随料翻腾易使锥底磨损,因此在锥底部分的内壁加衬套。锥底与圆柱体用法兰联结,以便适时更换磨损的部分。为使物料充分搅拌,锥底分2~3路进汽,锅顶呈球形或椭圆形。

图1-16-46 蒸煮锅

1-加热蒸汽管 2-压力表 3-加料口 4-排汽阀 5-锅耳 6-取样口 7-衬套 8-排醪管

3.3.2 糖化锅(图1-16-47) 糖化锅呈圆柱形,平盖、底面为球形。锅内装有涡轮式、旋桨式或平桨式的搅拌器,搅拌器的旋转方向与蛇管中冷却水的流向相反,转速为50~100r/min。沿锅的周壁边装置几排用铜管或钢管制成的蛇形冷却器,相邻两圈蛇管的间距不小于60mm,相邻两排蛇管的间距不小于30mm。每1m3有效容积的冷却面积为3m2。连续糖化时,冷却面积要更大一些。锅盖上装有直径为0.5~0.7m伸向屋顶外的排汽筒。

图1-16-47 糖化锅

1-冷却蛇管 2-搅拌器 3-进醪管 4-联轴器 5-减速器 6-锅体 7-冷却水接管

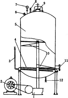
3.3.3 酒母罐(图1-16-48) 酒厂所用的酒母培养罐,一般为圆柱形筒体、圆锥形或球底形容器,酒母罐的高度比直径大,可避免酒母在繁殖时所发生的泡沫向外泄出,防止杂菌感染。为了维持酵母繁殖时所需的温度,酒母罐内通常安装有冷却蛇管1,此管也是当酒母培养液需加热杀菌时的加热管。冷却水从下部冷水管口2进入,上端排出;当需加热时,加热蒸汽从蛇管上端5进入2,下端排出;由阀门控制。罐内装有搅拌器6,用以加速酵母的繁殖,使培养液的糖分能被酵母充分吸收。无菌的空气由压缩空气管1通入罐内,以供给酵母繁殖过程所需的氧气,同时起到搅拌的作用。

图1-16-48 酒母罐

1-压缩空气 2-冷水管口 3-糖液管口 4-温度计 5-蒸汽进出口 6-搅拌器

3.3.4 发酵罐 白酒厂所用的发酵罐通常可分为密闭式和开放式两种。密闭式发酵罐可以防止杂菌感染,便于保温冷却及控制发酵温度,发酵率较高。目前多数厂采用这种发酵装置,但此种发酵装置比开放式结构较为复杂,造价高。

密闭式发酵罐如图1-16-49所示,一般为圆柱形筒身,顶和底部为锥形或半球形,以便CO2和熟醪液的排放。罐的上部有顶盖和视镜,CO2排出器、进料管一般安装在顶部,放料管在底部。罐内常装有供加热杀菌用的直接蒸汽管。

图1-16-49 发酵罐

1-冷水进口 2-糖液进口 3-洗水进口 4-CO2进口 5-人孔 6-旋转洗涤器 7-温度计

水力洗涤装置6是一根两头装有喷嘴的洒水管组成,两头喷水管弯有一定的弧度,喷水管上均匀地布有小孔。工作时借喷水管两头喷嘴,以一定喷出速度的洗涤水形成的反作用力使水管进行旋转,从而达到清洗的目的。

3.4 蒸馏设备

白酒的蒸馏一般采用简单蒸馏方法。操作时将成熟醪液放在一个密闭的蒸馏甑中加热,使料液沸腾,所产生的酒气通过引导管引入冷凝器冷凝,并冷却成低温的成品酒。用此法进行蒸馏时,由于随时不断地将产生的酒气移出,而蒸馏甑中又无醪液补充,故甑内的液相中的酒精成分的浓度逐渐降低,于是成品酒的浓度也愈来愈低,故需按要求将不同浓度范围的成品分别盛装。随着蒸馏过程的进行,甑中液体浓度下降到某规定值时(或成品酒的浓度降至某一定值时),便停止蒸馏,将酒糟排出,然后再加入新的醪液重新蒸馏。

传统的花盆式固态发酵的白酒蒸馏甑形状像花盆,是上大下小的圆锥台形,用钢板制造。甑桶的上缘有液封装置,为便于出糟,甑的底部为活动底板,如图1-16-50所示。它由2个活动的半圆铁柜和筛板组成,筛板上盛放酒醅。这种酒甑的特点是以含酒分和具香味的酒醅作为填料层,采用边上气、边上料的加料方式,使得酒醅与酒气间进行充分的接触,酒分不断气化、不断冷凝,成品酒香味和口味成分得到很好的调合。

图1-16-50 活底甑

1-活动销及销套 2-吊环 3-甑体 4-甑壁及填料 5-活页底和支撑 6-支撑导轮 7-活页套 8-活页轴

有些酒厂采用立式或卧式的单釜或双釜蒸锅,如图1-16-51和图1-16-52所示。

图1-16-51 立式蒸馏釜

1-废汽及冷凝水排出口 2-酒糟排出口 3-进汽口 4-压力表 5-蒸馏釜 6-成熟酒醅入口 7-压力表 8-汽筒 9-热水排出口 10-双管冷却器 11-水箱 12-蛇形管 13-成品酒接口 14-冷水入口

图1-16-52 卧式蒸馏釜

1-废汽及冷凝水排出口 2-蒸汽入口 3-压力表 4-压力表 5-蒸馏釜 6-汽鼓 7-汽筒 8-热水排出口 9-双管冷却器 10-水箱 11-蛇形管 12-成品酒出口 13-冷水入口 14-成熟酒醅入口管 15-酒糟排出口

3.5 白酒贮存、过滤、包装设备

3.5.1 贮存 白酒贮存容器有多种,因不同地区和不同档次而异,主要有以下几种。

(1)陶器 可用于贮酒和盛酒,小口者称坛,大口者为缸。陶器贮酒每年的平均损耗率为6.4%左右。

(2)血料容器 “血料”是指用猪血和石灰制成一种蛋白胶质薄膜,对30°以上白酒有良好的防止渗漏作用。但不宜用于贮存汾香型白酒。

(3)金属容器 因多数金属易被白酒中的有机酸腐蚀,或易于氧化不宜贮存白酒,故采用不锈钢容器,逐渐被白酒厂使用。

3.5.2输送、过滤设备 输送白酒采用不锈钢自吸式酒泵、自吸式离心泵。输送管道和阀门均采用不锈钢材质。

白酒的过滤设备多采用硅藻土过滤机参见本章第1节。

3.5.3 包装设备 包装容器多采用玻璃瓶或瓷瓶,有圆柱形瓶和异形瓶不同样式。包装设备有洗瓶机、灌装机、封口机、贴标机、装箱机、洗箱机等参见第2篇。

随便看

 

离鸟网收录3541549条中英文词条,其功能与新华字典、现代汉语词典、牛津高阶英汉词典等各类中英文词典类似,基本涵盖了全部常用中英文字词句的读音、释义及用法,是语言学习和写作的有利工具。

 

Copyright © 2004-2024 vtrois.com All Rights Reserved
更新时间:2026/4/19 11:14:28