网站首页  词典首页


请输入您要查询的字词:

 

字词 电磁式时间继电器
类别 中英文字词句释义及详细解析
释义

电磁式时间继电器


1.适用范围

电磁式时间继电器作为辅助元件用于保护及自动装置中,使被控元件达到所需要的延时,在保护装置中用以实现主保护与后备保护的选择性配合。

2.结构特征

电磁式时间继电器由电磁铁带动钟表延时机构来完成延时动作。每只继电器有两对瞬时转换接点,一对延时主接点。根据不同的规格可以安装一对滑动延时接点,其延时整定值可以等于或小于延时主接点的整定值,继电器盖子上可装设拖针,以指示继电器动作情况。

3.常用产品型号及主要技术参数

常用电磁式时间继电器的产品型号及主要技术参数见表1-86。

表1-86 常用电磁式时间继电器的产品型号及主要技术参数

注:带C为长期工作制;DS-35~38的额定工作电压至220V;触点断开容量在电压不高于220V,电流不大于1A的直流感性负载电路中,DS-20、DZ-30为50W,DS110、DS-120为100W。

4.接线图

电磁式时间继电器接线图见图1-53。

图1-53 电磁式时间继电器接线图

5.时间继电器的换代说明

JS系列静态型数字式时间继电器,主要采用石英晶体振荡和CMOS脉冲数字电路,其延时时间精度远远高于电磁型时间继电器,是目前最理想的更新换代产品。该继电器无论从外型结构、内部接线、工作方式、整定范围与DS电磁型继电器完全相同,且整定方便、直观,按动按键开关三位数乘以时间级差0.01s即为整定时间,变换整定值无需进行校验,保证其精度可更换取代电磁型DS-110、DS-20、DS-30三大系列时间继电器。

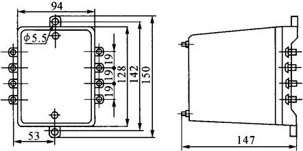
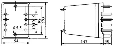
6.时间继电器外形及安装尺寸

(1)DS-110、DS-120外形及安装尺寸见图1-54。

板前接线

板后接线

图1-54 DS-110、DS-120外形及安装尺寸

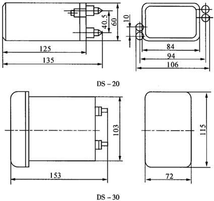
(2)DS-20、DS-30外形及安装尺寸见图1-55。

图1-55 DS-20、DS-30外形及安装尺寸

随便看

 

离鸟网收录3541549条中英文词条,其功能与新华字典、现代汉语词典、牛津高阶英汉词典等各类中英文词典类似,基本涵盖了全部常用中英文字词句的读音、释义及用法,是语言学习和写作的有利工具。

 

Copyright © 2004-2024 vtrois.com All Rights Reserved
更新时间:2026/4/20 10:00:53