网站首页  词典首页


请输入您要查询的字词:

 

字词 电流继电器
类别 中英文字词句释义及详细解析
释义

电流继电器


1.JL12系列过电流延时继电器

(1)适用范围:JL12系列过电流延时继电器适用于交流50Hz,电压380V,电流从5A至300A的线路中作起重机械设备中的绕线型电动机的起动、过载、过流保护。

(2)主要技术参数:

①触头额定电流为5A。

②线圈额定工作电流规格有:5A、10A、20A、30A、40A、50A、60A、75A、100A、150A、200A、300A。

③动作特性见表1-94。

表1-94 JL12系列时间继电器的动作特性

注*当环境温度>0℃时,动作电流<1s;当环境温度<0℃时,动作电流<3s。

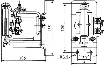
(3)外形及安装尺寸见图1-67。

图1-67 JL12系列过电流延时继电器外形及安装尺寸

2.JL14系列交直流电流继电器

(1)适用范围:JL14系列交直流电流继电器适用于交流50Hz,电压380V及以下,直流220V以下控制电路中作为过电流或欠电流保护之用。

(2)主要技术参数见表1-95。

表1-95 JL14系列交直流电流继电器的主要技术参数

注:①JL14-□J/JS无1500A,JL14-□JG无1200A和1500A;JL14-□Z最大至2500A。

②JL14-□ZQ释放电流在额定工作电流的10%~20%;JL14-□JG返回系数>0.65。

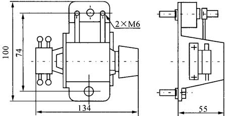
(3)外形及安装尺寸见图1-68。

图1-68 JL14系列交直流电流继电器外形及安装尺寸

注:A尺寸与线圈额定电流有关,当电流为1~80A时,A为103;当电流为100~600A时,A为141;当电流为1200A时,A为190;当电流≥1500A时,A为350。

3.JL15系列交直流电流继电器

(1)适用范围:JL15系列交直流电流继电器适用于交流50Hz,电压380V以下及,直流440V以下的主电路中作为电力系统的过电流保护元件。

(2)主要技术参数见表1-96。

表1-96 JL15系列交直流电流继电器的主要技术参数

注:①JL15-□F为高返回系数,返回系数>0.65,对于600A及1200A两种规格,当吸合电流>2Ie时,返回系数允许≥0.59。

②JL15-□S中的S代表手动复位。

(3)外形及安装尺寸见图1-69和表1-97。

图1-69 JL15系列交直流电流继电器外形及安装尺寸

表1-97 JL15系列交直流电流继电器外形及安装尺寸

4.JL18系列过电流继电器

(1)适用范围:JL18系列过电流继电器适用于交流50Hz,电压380V,直流电压至440V,额定电流至630A的电力传动系统中作过电流保护之用。

(2)主要技术参数见表1-98。

表1-98 JL18系列过电流继电器的主要技术参数

注:JL18-□JS为高返回系数,返回系数>0.65。

(3)安装尺寸见图1-70。

图1-70 JL18系列过电流继电器外形及安装尺寸

注:A尺寸与线圈额定电流有关,当电流为1~10A时,A为77;电流63A时,A为100;电流100~160A时,A为100;电流250~400A时,A为110;电流630A时,A为115。

5.DL-10系列电流继电器

(1)适用范围:DL-10系列电流继电器用于电机、变压器和输电线路的过负荷和短路的继电器保护回路中,作为起动元件。

(2)结构特征:DL-10系列电流继电器为电磁式,瞬时动作,固定安装在垂直板上,可以板前接线,也可板后接线。外形及安装尺寸同DS110时间继电器,现市场上有一种外形及安装尺寸与DL-10相同,但采用集成电路构成的电流继电器,可以完全代替DL-10,这种电流继电器具有整定方便、直观、精度高、可靠性强、动作速度快等优点。

(3)主要技术参数见表1-99。

表1-99 DL-10系列电流继电器的主要技术参数

6.DL-20、30系列电流继电器

(1)适用范围:DL-20、30系列电流继电器用于电机、变压器和输电线路的过负荷和短路的继电器保护回路中,作为起动元件。

(2)结构特征:DL-20、30系列电流继电器为电磁式,瞬时动作,磁系统有两个线圈,或将线圈串联或并联,能使继电器的整定范围变化一倍,外形及安装尺寸同DS20、30时间继电器,现市场上有一种外形及安装尺寸与DL-20、30相同,但采用集成电路构成的电流继电器,可以完全代替DL-20、30系列,这种电流继电器具有整定方便、直观、精度高、可靠性强、动作速度快等优点。

(3)主要技术参数见表1-100。

表1-100 DL-20、30系列电流继电器的主要技术参数

注:括号内数字为DL-20系列的数据。

随便看

 

离鸟网收录3541549条中英文词条,其功能与新华字典、现代汉语词典、牛津高阶英汉词典等各类中英文词典类似,基本涵盖了全部常用中英文字词句的读音、释义及用法,是语言学习和写作的有利工具。

 

Copyright © 2004-2024 vtrois.com All Rights Reserved
更新时间:2026/4/20 14:02:32