网站首页  词典首页


请输入您要查询的字词:

 

字词 电流互感器
类别 中英文字词句释义及详细解析
释义

电流互感器


1.基本原理

电流互感器也叫变流器,它的代号为C、T。它与一般的变压器工作原理相似。电流互感器的一次线圈匝数很少(有的直接穿过铁芯,只有1匝),导线相当粗;而其二次线圈,匝数很多,导线较细,是用来把一次回路中的电流变小后,供给测量仪表和继电器等设备用。电流互感器的作用示意图见图4-4。

图4-4 电流互感器的作用示意图

A-电流表 DL-电磁型电流继电器

2.电流互感器型号含义

电流互感器型号含义为:

L——电“流”互感器。

D——在第2位时,表示“单”匝贯穿式;

在第3位时,表示差“动”保护;

在第4、5位时,表示带差“动”保护级。

C——“瓷”绝缘。

F——“复”匝贯穿式。

R——装“入”式。

Q——在第2位时,表示线“圈”式。

在第4位时,表示加“强”型。

M——“母”线式。

Z——浇“注”绝缘。

J——在第3位时表示加大容量加强型;

在第4位时表示加大容量。

A——穿墙式。

G——“改”进型的。

横线后面的数字(如0.5)表示绝缘结构电压次级(kV)。

3.电流互感器的接线方案

电流互感器工作时,一次线圈串联在供电系统的一次电路中,而二次线圈则与仪表、继电器的电流线圈串联起来形成一个闭合回路。由于这些电流线圈的阻抗很小,所以电流互感器工作时二次回路接近于短路状态。二次线圈的额定电流一般为5A。

电流互感器的一次电流I1与其二次电流I2间存在着下列关系:

I1≈I2·N2/N1≈K1·I2 (4-9)

式中 N1、N2——电流互感器一次和二次线圈的匝数;

Ki——变流比,一般表示为其额定的一、二次电流比,例如300/5。

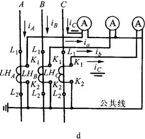
电流互感器在三相电路中有如图4-5所示的四种常见的接线方案:

图4-5 电流互感器的接线方案

a.相式 b.两相V形 c.两相电流差 d.三相Y形

(1)一相式接线(图4-5a):电流表通过的电流反应一次电路某一相的电流。通常用在负荷平衡的三相电路中。

(2)两相V形接线(图4-5b):这种接线也叫两相不完全星形接线;在继电保护装置中,这种接线(A、C两相接电流继电器)也叫两相两继电器接线。广泛用于中性点不接地的负荷不论平衡与否的三相三线制电路中,供测量和继电保护之用。

(3)两相电流差接线(图4-5c):这种接线的二次侧公共线中流过的电流,等于两个相电流之差。这种接线多用于三相三线制电路的继电保护装置中(将电流表换为电流继电器)。这种接线也叫两相交叉接线。

(4)三相Y形接线(图4-5d):三只电流表分别反应各相电流。这种接线广泛用于负荷不论平衡与否的三相三线制和三相四线制电路中,特别广泛用于三相四线的照明电路中,供测量用。

4.电流互感器的类型及其选择

电流互感器的类型很多。按一次线圈的匝数分,有单匝式(包括线圈式、心柱式、套管式)和多匝式(包括线圈式、线环式、串级式);按一次电压高低分,有高压和低压两大类;按准确度级分,有0.2、0.5、1、3、10等级。

高压电流互感器多制成两个铁芯和两个线圈的,分别接仪表和继电器.以满足测量和继电保护的不同要求。电气测量对电流互感器的准确度要求较高,且要求在短路时仪表受的冲击小,因此测量用电流互感器铁芯在一次电路短路时应该容易饱和,以限制二次电流的增长倍数。而继电保护用电流互感器铁芯则在一次电路短路时不应饱和,使二次电流与一次电流成比例地增长,以适应保护灵敏度的要求。

电流互感器应按装置地点的条件及额定电压、一次电流、二次电流(一般为5A)、准确度级等条件进行选择,并校验其短路时的动稳定度和热稳定度。

必须注意:电流互感器的准确度级与其二次负荷容量有关。互感器二次负荷S2不得大于准确度级所对应的额定二次负荷S,即

S2c≥S2 (4-10)

电流互感器按其误差可分为0.2、0.5、1、3、10及D等几个等级。0.2级的用于精密测量;0.5~1级的用于配电盘仪表上,0.5级的用于电度表;3级的一般用于过电流保护;D级的用于差动保护;10级的用于非精密测量。

5.使用注意事项

(1)电流互感器的二次侧在工作时不得开路,开路时将产生下列情况:一是铁芯由于磁通剧增而过热,并产生剩磁,降低准确度;二是二次线圈可感应出危险的高电势,危及人身和设备的安全。所以电流互感器二次侧在工作时绝对不许开路;因此,在电气设备运行情况下拆装仪表时,必须先将电流互感器二次侧短路,而且,在二次回路中不允许装设熔断器或闸刀开关。

(2)电流互感器的二次侧有一端必须接地这样作的目的,是为了防止其一、二次线圈绝缘击穿时,一次侧的高电压窜入二次侧,危及人身和设备的安全。

(3)电流互感器在联接时,要注意其一、二次线圈接线端子上的极性按照国家标准规定,我国互感器与变压器一样,其线圈端子都采用“减极性”标号法。

6.常用的电流互感器的型号、结构及主要数据

常用的电流互感器有以下几种型号:

(1)LQG-0.5型:LQG-0.5型是在LQ-0.5型基础上改进的产品,为户内装置线圈式的电流互感器。用于额定频率为50Hz,电压为500V及以下的交流线路作为测量电流、电能及继电保护电源之用。

LQG-0.5型电流互感器的铁芯是由条形硅钢片叠成的。铁芯分上下两柱,均套有二次线圈,一次线圈只布置在一个柱的二次线圈之外,并有磁分路作为补偿误差之用。互感器100A及以下的一次线圈出线端焊有接线片。150A及以上的一次线圈出头均为线圈原铜带引出。二次线圈出头接在胶木接线座上,一次及二次线圈起末端均标有L1、L2及K1、K2标志。铁芯的夹件由钢板冲成一对弯成直角形的夹件为固定用底座,具有安装孔。另一对夹件中,有一夹件稍长,在其跃起的一端装以接地螺栓,另一夹件装有接线座。

本型电流互感器在正常负荷及cosφ=0.8时,其主要技术数据见表4-24。

表4-24 LQG-0.5型电流互感器主要技术数据

本型互感器允许长期使用在110%额定电流下,此时当周围温度不超过40℃时,线圈的温升不超过95℃。它能承受的绝缘试验电压:一次线圈对二次线圈及地为3kV,二次线圈对地为2kV,持续时间均为1min。

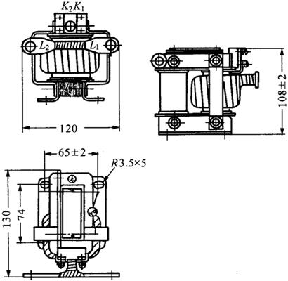
LQG-0.5型电流互感器的外形尺寸见图4-6和图4-7。

图4-6 LQG-0.5型电流互感器外形尺寸图(额定一次电流为5~100A)

图4-7 LQG-0.5型电流互感器外形尺寸图(额定一次电流为150~1000A)

(2)LMZ1-0.5、LMZJ1-0.5型:LMZ1-0.5、LMZJ1-0.5型为户内用全铝线母线式树脂浇注绝缘的电流互感器。它是一种新式产品,供500V及以下的交流线路中测量电流、电能及继电保护之用,尤其适用于季节性负荷变动的农村线路。LMZJ1-0.5型为加大容量型。LMZ1-0.5和LMZJ1-0.5型在使用上可取代LQ-0.5、LQG-0.5和LYM-0.5型电流互感器。

本型互感器的耐潮能力较强,其铁芯为环形(5~800A),二次线圈基本上沿铁芯周围均匀地分布。二次线端埋在塑料里边,位于穿孔的侧下方装有二次接线螺丝,下部有安装板供固定安装之用。5~400A中间留圆孔,500~800A为扁孔兼有圆孔,1000~3000A中间留有矩形窗孔,均供一次铝母线通过或软电缆缠绕之用。本型互感器的额定二次电流为5A。LMZB1-0.5型为专供继电保护用的3级电流互感器,当二次负荷为0.4Ω时,其10%倍数不小于6倍。LMZB1-0.5型的技术数据与LMZJ1型相同。

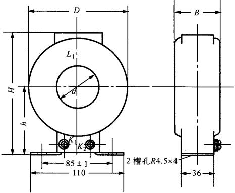
LMZ1-0.5型和LMZJ1-0.5型电流互感器的技术数据见表4-25。LMZ1-0.5型的外形见图4-8,其外形尺寸见表4-26。

表4-25 LMZ1-0.5和LMZJ1-0.5型电流互感器技术数据

注:①铝母线系立放考虑。

②负荷的下限对0.2及0.3Ω的为0.15Ω,对0.3Ω的为0.2Ω,功率因数cosφ=0.8。

图4-8 LMZ1-0.5型电流互感器外形图

表4-26 LMZ1-0.5型电流互感器外形尺寸

(3)LFC-10型:LFC-10型为复匝(即多匝)贯穿式、瓷绝缘、10kV户内用电流互感器。它是一种老式产品,其基本结构和外形见图4-9和图4-10。其级次组合和10%倍数及最大二次电流倍数分别见表4-27和表4-28。

图4-9 LFC-10型电流互感器结构示意图

1.一次线圈 2.二次线圈 3.瓷套管 4.铁芯

图4-10 LFC-10型电流互感器外形

1.一次线圈引出线 2.二次线圈引出线 3.接线盒 4绝缘瓷瓶 5.法兰盘 6.外壳

表4-27 LFC-10型电流互感器级次组合表

表4-28 LFC-10型电流互感器的10%倍数及最大二次电流倍数

(4)LDC-10型:LDC-10型为10kV单匝套管式户内用电流互感器。其一次线圈为一根贯穿在瓷套管中的铜棒,二次线圈绕在环形铁芯上,铁芯和二次线圈套在瓷套管中部,一起装在外壳内。这种电流互感器为老式产品,其基本结构和外形尺寸分别见图4-11及表4-29。其级次组合和技术数据见表4-30和表4-31。

图4-11 LDC-10型电流互感器外形尺寸图

表4-29 LDC-10型电流互感器外形尺寸

表4-30 LDC-10型电流互感器级次组合表

表4-31 LDC-10型电流互感器技术数据

(5)LA-10、LAJ-10型:LA-10、LAJ-10型为户内用全铝线树脂浇注绝缘新型电流互感器,供10kV及以下的交流电路中作电流和电能的测量及继电保护用。它具有体积小、重量轻、电气性能好,能满足三防要求等特点,在使用上可取代LFC-10、LDC-10和LMC-10型电流互感器。

本型互感器均为穿墙式的,这样在固定式开关柜中可省穿墙套管。正常容量的(5~200)/5A为多匝式。(300~1000)/5A为单匝式。加大容量的(20~300)/5A为多匝式,(400~800)/5A为单匝式,(1000~6000)/5A为母线式。

IA-10型(5~200A)和LAJ-10型(5~200A)电流互感器外形尺寸见图4-12,其技术数据见表4-32。

图4-12 LA-10型(5~200A)和LAJ-10型(5~200A)电流互感器外形尺寸图

表4-32 LA-10、LAJ-10型电流互感器技术数据

注:LAJ-10型D级的额定二次电流为2.5A,因为目前2.5A的继电器尚未解决,故一些制造厂正在改为5A。

(6)LR-35、LRD-35型:LR-35、LRD-35型为套管式电流互感器,附装在DW1-35、DW-35D型油开关套管内。D级供差动保护用。其技术数据见表4-33。10%倍数与二次负荷的关系曲线见图4-13。

图4-13 LRD-35型电流互感器10%倍数与二次负荷的关系曲线图

表4-33 LR-35、LRD-35型电流互感器技术数据

随便看

 

离鸟网收录3541549条中英文词条,其功能与新华字典、现代汉语词典、牛津高阶英汉词典等各类中英文词典类似,基本涵盖了全部常用中英文字词句的读音、释义及用法,是语言学习和写作的有利工具。

 

Copyright © 2004-2024 vtrois.com All Rights Reserved
更新时间:2026/4/20 4:28:57