网站首页  词典首页


请输入您要查询的字词:

 

字词 电动机保护继电器
类别 中英文字词句释义及详细解析
释义

电动机保护继电器


1.适用范围

电动机保护继电器适用于在交流50Hz,额定工作电压660V、380V、220V的供电电路中与交流接触器等开关电器组成电动机控制电路。当电动机的主电路出现断相、过载、堵转、三相不平衡等非正常工作状态时,能及时断开开关电器触头,分断电动机的三相电源,可靠地保护电动机。

2.结构特征

电动机保护继电器一般采用无源穿芯化,无需接线,与主回路完全隔离,不但使用方便,彻底解决了主电路端子发热的问题,显着地提高了可靠性及抗干扰性。同时电动机保护器有完善的保护功能,会自动检测出三相电流最大值,并同设定值进行比较,当超过设定值时,按设定的动作特性脱扣跳闸。另外,由于电动机保护器的断相检测环节、过电流检测环节互为独立,即使过电流设定值不当,或是轻负荷重负荷时断相、或者是起动前、起动时、运行中断相,均能在2s内动作。电动机保护继电器还具有接线简单、调节、安装方便,可靠性高等特点。

3.常用电动机保护继电器产品型号及主要技术参数

常用电动机保护继电器产品型号及主要技术参数见表1-109。

表1-109 常用电动机保护继电器的产品型号及主要技术参数

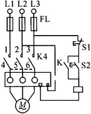
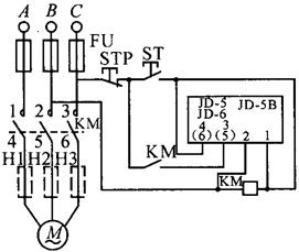
4.常用电动机保护继电器接线图

常用电动机保护继电器接线图见图1-80。

JD-5、JD-6接线图

JD-7、JD-8、DI-9接线图

图1-80 常用电动机保护继电器接线图

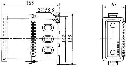
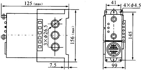
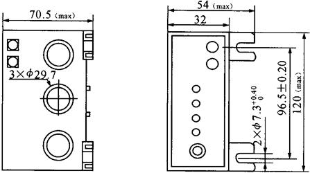
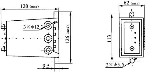
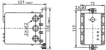
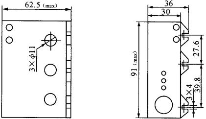
5.常用电动机保护继电器外形及安装尺寸

常用电动机保护继电器外形及安装尺寸见图1-81。

JD-5外形及安装尺寸

JD-6外形及安装尺寸

JD-7、JD-8外形及安装尺寸

JD-9外形及安装尺寸

JD-501外形及安装尺寸

JD-601外形及安装尺寸

XJ系列外形及安装尺寸

图1-81 常用电动机保护继电器外形及安装尺寸

随便看

 

离鸟网收录3541549条中英文词条,其功能与新华字典、现代汉语词典、牛津高阶英汉词典等各类中英文词典类似,基本涵盖了全部常用中英文字词句的读音、释义及用法,是语言学习和写作的有利工具。

 

Copyright © 2004-2024 vtrois.com All Rights Reserved
更新时间:2026/4/19 3:43:59