(1)试样及其制备
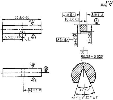
GB/T 2650-1989标准规定以10mm×10mm×55mm带有V形缺口的试样为标准试样。试样的尺寸及偏差应符合图6.3-3所示的规定。试样缺口底部应光滑,不得有与缺口轴线平行的明显划痕。进行仲裁试验时,试样缺口底部的表面粗糙度应低于Ra0.8μm。根据技术条件规定,允许采用带有U形缺口的辅助试样;根据技术条件规定或在无法切取标准试样的情况下,还允许采用辅助小尺寸试样。

图6.3-3 V形缺口试样
(2)样坯截取和试样缺口方位
试件的制备和样坯的截取应符合GB/T 2649-1989规定。试样缺口按试验要求可分别开在焊缝、熔合线或热影响区。试样的缺口轴线应当垂直焊缝表面。试样开在焊缝、熔合线和热影响区的缺口位置分别如图6.3-4、6.3-5、6.3-6所示。

图6.3-4 开在焊缝的缺口位置

图6.3-5 开在熔合线的缺口位置

图6.3-6 开在热影响区的缺口位置