网站首页  词典首页


请输入您要查询的字词:

 

字词 滤棒
类别 中英文字词句释义及详细解析
释义

滤棒


(一)分类

1.滤棒分类

(1)按所用材质种类可分为:①醋酸纤维滤棒;②聚丙烯纤维滤棒,包括长纤和短纤(无纺布)滤棒;③纸质滤棒,包括湿法压纹纸棒和干法纸(纯木浆纤维)滤棒;④粘胶纤维滤棒。

(2)依滤棒结构可分为:①单一滤材滤棒;②含吸附剂滤棒;③含香料线滤棒;④无包纸滤棒;⑤异型截面滤棒;⑥复合滤棒。

2.滤嘴结构

(1)单一滤材滤嘴。

(2)复合滤嘴,包括:①两元复合滤嘴,见图5-2-7。其中,A段为醋酸纤维丝束,B段可为纸、聚丙烯纤维丝束、无纺布、醋酸纤维再生丝束等材质。②含有吸附剂的两元复合滤嘴,见图5-2-8。通常接烟支端的滤材(纸质、醋酸纤维或聚丙烯纤维等)中含有活性炭、硅胶、海泡石等吸附材料,另一端为醋酸纤维丝束。③三元复合滤嘴。见图5-2-9。其中,A段为醋酸纤维,中间段可为含有添加物的纸质或醋酸纤维,C段可为醋酸纤维、纸质活性炭、纸、聚丙烯纤维等。④空腔复合滤嘴。见图5-2-10。其中,A段为醋酸纤维,C段可为醋酸纤维、纸质、聚丙烯纤维等材料,两段滤嘴头之间为一个空腔。⑤三元颗粒复合滤嘴,或称空腔颗粒滤嘴。见图5-2-11。此滤嘴结构与空腔复合滤嘴相似,在空腔中,填装有如活性炭、硅胶、海泡石、麦饭石等颗粒状吸附材料,亦可加入高挥发性香料。

图5-2-7 两元复合滤嘴

图5-2-8 含吸附剂两元复合滤嘴

图5-2-9 三元复合滤嘴

图5-2-10 空腔复合滤嘴

图5-2-11 三元颗粒复合滤嘴

(3)香料线滤嘴。见图5-2-12。

图5-2-12 香料线滤嘴

其中,A为具有高卷曲质量的醋酸纤维,B为浸有香料的特殊螺纹线芯。

(4)异型截面滤嘴,又称SCS滤嘴,见图5-2-13A,图5-2-13B。

图5-2-13A 异型截面滤嘴

图5-2-13B 滤嘴截面形状例

异型截面滤嘴是具有独特外观的高性能滤嘴。这种滤嘴的特征是在滤嘴芯外由四条槽纹的内包纸包裹及一个口接触端孔洞。这四条槽纹提供低压降通路,疏导烟气通过滤嘴纤维,烟气从孔洞排出。

(5)通风滤嘴。见图5-2-14。通风滤嘴以通过打孔、稀释烟气的方式,控制和降低烟气有害成分。产品形式包括:①无包纸滤棒与打孔接装纸结合;②高透气度滤棒成型纸与打孔接装纸结合;③普通滤棒接装时在线打孔。

图5-2-14 通风滤嘴

(6)通风槽滤嘴(亦称CPF滤嘴)见图5-2-15。

图5-2-15 通风槽滤嘴

通风槽滤嘴是醋酸纤维芯的单一滤嘴,被包在带有V型槽纹的内包纸内。槽纹纸为烟气通过滤嘴提供了低压降的通路,烟气须通过高效过滤的滤纸才能进入槽纹。在压降一定的前提下,这种滤嘴比普通醋纤滤嘴对焦油的截滤率高。

(7)活性片滤嘴。见图5-2-16。活性片是指将活性炭或其他吸附材料粘在滤棒卷纸上,这种卷纸加工的滤嘴对烟气的气相成分及半挥发性成分有较好的过滤性能,截留量一般为20%~30%。

图5-2-16 活性片滤嘴

(8)同轴芯型滤嘴。见图5-2-17。

图5-2-17 同轴芯型滤嘴

其中,芯棒可为高透卷纸包裹的细纸棒,或是无包纸醋酸纤维棒,外层为醋酸纤维。其滤嘴内芯材料中可含有活性炭等吸附材料。此种滤嘴有助于改善1~2mg/支焦油量卷烟的吸味。

(二)对滤棒的基本要求

(1)无毒、无臭、无味,对卷烟品质无不良影响。

(2)外观洁白,圆度均匀,切口平齐。

(3)具有适宜的硬度,能满足卷烟接装工艺要求。

(4)具有适当的压降值;对卷烟烟气有害成分有一定的过滤性能。

(三)滤棒的质量指标

滤棒质量指标主要包括:硬度、压降、圆周、质量、水分、白度、长度以及缩头等。其质量指标参数见表5-2-19。

表5-2-19 常用滤棒质量指标

注:*滤棒压降、长度、圆周等指标,按卷烟设计要求确定。

(四)醋酸纤维滤棒

1.滤棒硬度

影响滤棒硬度的因素主要有:

(1)丝束填充量。见图5-2-18所示,滤棒硬度随丝束填充量的增加而增大。

图5-2-18 丝束填充量与滤棒硬度关系曲线

(2)增塑剂含量。图5-2-1已表明:滤棒的硬度在一定范围内是随增塑剂量的增加而增大的。

(3)滤棒卷纸。滤棒硬度随滤棒卷纸厚度的增加而增大。见图5-2-4。

(4)滤棒放置时间。受三醋酸甘油酯增塑剂固化过程的影响,在24h内,滤棒硬度随放置时间增长而有所增大,但使用一般增塑剂经2h固化后,滤棒硬度可达到要求。见图5-2-19。

图5-2-19 滤棒放置时间与硬度的关系

(5)丝束线密度。在所有其他因素不变时,单丝线密度越小,滤棒硬度越低。见图5-2-20。

图5-2-20 单丝线密度对滤棒硬度的影响

当单丝线密度不变时,丝束线密度增大,滤棒硬度增大。见图5-2-21。

图5-2-21 丝束线密度对滤棒硬度的影响

2.滤棒压降

影响滤棒压降的主要因素有:

(1)丝束填充量。在滤棒规格一定,丝束线密度不变的条件下,滤棒的压降与丝束净重成正比。见图5-2-22。

图5-2-22 丝束填充量与滤棒压降的关系

(2)增塑剂含量。滤棒压降随增塑剂含量的增加而升高。见图5-2-2。

(3)丝束包高度。在成型机喂丝速度不变的情况下,丝束在包中的位置高度与成型滤棒的压降值呈正相关性。见图5-2-23。

图5-2-23 丝束包高度与滤棒压降的关系

(4)丝束线密度。在丝束净重相同的情况下,单丝越细,压降越大;单丝线密度不变时,丝束线密度越高,压降越大。见图5-2-24。

图5-2-24 丝束线密度对滤棒压降的影响

(5)丝束开松宽度。滤棒成型过程中,稳定辊上丝束的开松宽度对滤棒压降有一定程度的影响。丝束随开松宽度的增加,填充性能改善,滤棒压降有所提高。见图5-2-25。

图5-2-25 丝束开松宽度与滤棒压降的关系

但是,滤棒压降的变动系数亦随开松宽度的增加而加大。为了保持滤棒质量的稳定,一般取开松宽度14~16cm为宜。

(6)环境温、湿度。滤棒压降与环境温、湿度有密切的关系。根据菲尔创纳公司机械手册中的数据绘制的曲线图显示,滤棒压降随温度增高而增大。湿度对压降亦有轻微影响。见图5-2-26。

图5-2-26 环境温、湿度与滤棒压降的关系

(7)成型机速度。图5-2-27是以AF3/KDF3为例绘制的成型速度从200~600m/min的丝束能力曲线。图中显示,滤棒压降值与成型机速度呈负相关性。

图5-2-27 成型机速度与滤棒压降的关系

3.过滤效率

醋酸纤维丝束滤棒对烟气成分的过滤作用是非均衡的。

(1)过滤选择性。表5-2-20显示了醋酸纤维滤嘴对部分烟气成分的过滤选择性。

表5-2-20 部分烟气成分过滤选择性系数

选择性系数Sx是无嘴烟单位质量烟气粒相物中某单一成分回收率与类似有嘴烟该成分回收率之比。当Sx=1时,说明对此成分无选择性,Sx>1时,有选择性;Sx<1时,为负选择性。

(2)滤嘴截留率。表5-2-21所示为某20mm长度滤嘴对卷烟焦油、烟碱及几种烟气致香成分的截留情况。

表5-2-21 醋酸纤维滤嘴对烟气成分的截留率举例 单位:%

注:①烤烟型卷烟,烟支质量1.06~1.10g,压降981~1079Pa。

②混合型卷烟,烟支质量1.02~1.06g,压降951~1049Pa。

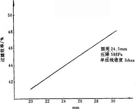
(3)滤嘴长度对过滤效率的影响。图5-2-28是保持卷烟总长度84mm以及其他因素不变的情况下,滤嘴长度增加对过滤效率的作用。

图5-2-28 滤嘴长度与过滤效率

(4)滤嘴压降对过滤效率的影响。滤嘴压降与过滤效率呈正相关性,随着滤嘴压降的增高,过滤效率明显提高。见图5-2-29。

图5-2-29 滤嘴压降与过滤效率

(五)聚丙烯纤维滤棒性能

1.滤棒硬度

影响聚丙烯丝束滤棒硬度的主要因素与影响醋酸纤维滤棒硬度的因素基本相同,单丝线密度、丝束线密度、卷曲度、丝束净重、滤棒直径等均影响到滤棒硬度。

见图5-2-30所示,当丝束填充量增加,滤棒变重时,滤棒硬度增大。

图5-2-30 滤棒质量与滤棒硬度的关系

对于聚丙烯丝束成型尚无合适的增塑剂或胶粘剂。与相同规格的醋纤滤棒相比较,达到需要的滤棒硬度,则需要适当增加丝束的填充量。

2.滤棒压降

影响聚丙烯丝束滤棒压降的主要因素包括单丝线密度、丝束线密度、卷曲度、丝束开松程度、滤棒尺寸及丝束填充量等。

滤棒压降随丝束填充量的增加而增大。见图5-2-31。

图5-2-31 滤棒质量与滤棒压降的关系

3.过滤效率

(1)滤嘴截留率实例。见表5-2-22。

表5-2-22 聚丙烯纤维滤嘴对部分烟气成分的截留率 单位:%

注:①烤烟型卷烟;烟支质量1.06~1.10g,压降981~1079Pa。

②混合型卷烟;烟支质量1.02~1.06g,压降951~1049Pa。

(2)抽吸阻力对滤嘴截留量的影响。不同压降的聚丙烯纤维滤棒接装的卷烟,对烟碱和焦油的截留量有所不同,但对CO量影响不大。见表5-2-23。

表5-2-23 不同抽吸阻力卷烟烟气分析

注:*同种烟支分别接装低压降和高压降两种不同滤嘴。

(3)聚丙烯纤维滤嘴与醋酸纤维滤嘴过滤效率比较。

规格相同或相近的聚丙烯纤维滤嘴卷烟与醋酸纤维滤嘴卷烟相比较,对烟气焦油与烟碱的过滤效率接近。

表5-2-24为相同的烟支接装两种滤嘴过滤效率的比较。

表5-2-24 丙纤滤嘴与醋纤滤嘴过滤效率比较

(六)纸滤棒性能

1.卷烟焦油截留率

纸滤嘴对卷烟焦油的截留率高于醋酸纤维滤嘴。见图5-2-32。

图5-2-32 纸质滤嘴与醋纤滤嘴比较

2.纸滤嘴与醋纤滤嘴对某些烟气成分截留作用的比较

表5-2-25是同种烟支接装纸滤嘴和醋酸纤维滤嘴对烟气半挥发性成分的截留率的比较。

表5-2-25 纸与醋纤滤嘴截留率的比较 单位:%

(七)复合滤棒性能

复合滤棒可选择性吸附烟气气相物质,降低烟气中自由基浓度,可释放致香成分,对卷烟烟气中焦油的过滤效率也较高。

1.纸-醋纤复合滤嘴

图5-2-33为20mm单一醋纤滤嘴与纸-醋纤复合滤嘴卷烟过滤效果的比较。

图5-2-33 纸-醋纤复合滤嘴的过滤效果

2.海泡石与漂白硫酸针叶木浆的比例

海泡石与漂白硫酸针叶木浆以适当比例加工成海泡石木浆原纸,压纹后制棒,与醋纤滤棒以12∶8长度复合。复合滤棒烟气分析结果见表5-2-26。

表5-2-26 海泡石纸-醋纤复合滤嘴过滤效果

3.醋纤活性炭复合滤嘴

将活性炭与醋酸纤维丝束复合成型,复合滤嘴接装卷烟的烟气分析结果与普通醋纤滤嘴卷烟的对比见表5-2-27。

表5-2-27 活性炭醋纤复合滤嘴过滤效果

4.麦饭石-醋纤复合滤嘴

将麦饭石成型为圆周24.3mm±0.2mm的圆柱体,与醋纤滤棒以12∶8的长度比例复合,复合滤嘴与普通醋纤滤嘴接装卷烟的烟气分析结果见表5-2-28。

表5-2-28 麦饭石-醋纤复合滤嘴过滤效果

5.蒙脱石醋纤复合滤嘴

将蒙脱石与醋酸纤维丝束复合成型,复合滤嘴与普通醋纤滤嘴接装卷烟的烟气分析结果见表5-2-29。

表5-2-29 蒙脱石醋纤复合滤嘴过滤效果

6.三元颗粒复合滤嘴

在7mm纸质滤棒和8mm醋纤滤棒之间的5mm空腔内,装填0.06g粒度为0.14~0.5mm的坡缕石矿物颗粒,使成20mm长复合滤嘴。复合滤嘴与普通醋纤滤嘴分别接装卷烟的烟气分析结果见表5-2-30。

表5-2-30 三元颗粒复合滤嘴过滤效果

(八)滤棒的包装与标志

1.滤棒包装

(1)盒装:

①纸盒材质为高强度单瓦楞纸板,盒表面层采用250g/m2茶板纸,盒盖为360g/m2牛皮纸。水分为(10±2)%。

②每盒内装滤棒4000支,应排列整齐。每盒数量允差不超过标准数量的±1%。

③纸盒外层用聚乙烯薄膜包封。

(2)箱装:

①每标准箱内装5个纸盒。

②纸箱材质为瓦楞纸,其空箱承压能力≥1000N。箱体方正,表面无明显损坏和污迹。封口粘贴牢固。

③纸箱水分小于10%,表面做防潮处理。

④箱内附产品合格证。

2.包装标志

包装箱上须印有生产厂名和厂址(中文),产品名称及商标,生产日期,滤棒长度和圆周规格、数量,产品的体积尺寸、毛重及注意事项。

随便看

 

离鸟网收录3541549条中英文词条,其功能与新华字典、现代汉语词典、牛津高阶英汉词典等各类中英文词典类似,基本涵盖了全部常用中英文字词句的读音、释义及用法,是语言学习和写作的有利工具。

 

Copyright © 2004-2024 vtrois.com All Rights Reserved
更新时间:2026/4/19 12:02:13