网站首页  词典首页


请输入您要查询的字词:

 

字词 混砂机
类别 中英文字词句释义及详细解析
释义

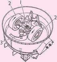
混砂机


将铸造用砂、粘结剂、水等均匀拌和使其成为具有一定性能的型砂或芯砂的机器。

辗轮式混砂机示意图1.中心轴2.辗轮3.刮板

随便看

 

离鸟网收录3541549条中英文词条,其功能与新华字典、现代汉语词典、牛津高阶英汉词典等各类中英文词典类似,基本涵盖了全部常用中英文字词句的读音、释义及用法,是语言学习和写作的有利工具。

 

Copyright © 2004-2024 vtrois.com All Rights Reserved
更新时间:2026/4/18 13:27:23