CB-T系列齿轮双泵
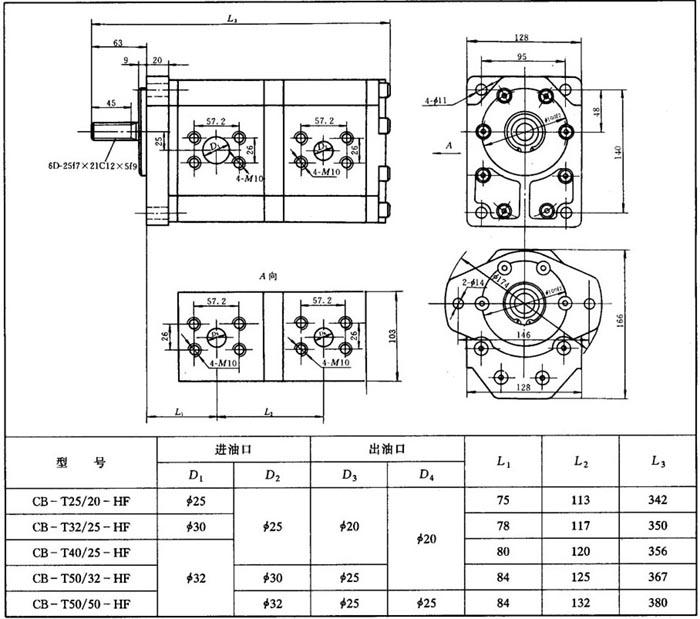
该泵为三段式、轴套加浮动侧板、轴向间隙自动补偿结构,并采用双金属轴承或DU轴承。徐州高压齿轮泵厂生产。 (1)型号说明 CB -T 40/25 H F * ❶ ❷ ❸ ❹ ❺ ❻ ❼ ❶ 名称:齿轮泵 ❷ 系列代号 ❸ 前泵排量 ❹ 后泵排量 ❺ 压力等级(25MPa) ❻ 法兰连接 ❼ 旋向:左旋不注 (2)性能参数 见表13.5-44。 表13.5-44 CB-T系列齿轮双泵性能参数  (3)外形及安装尺寸 见表13.5-45。 表13.5-45 CB-T系列齿轮泵外形及安装尺寸  |