网站首页  词典首页


请输入您要查询的字词:

 

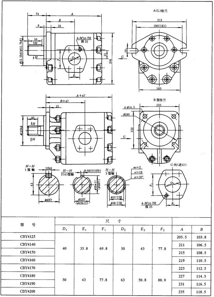
字词 CBY系列齿轮泵
类别 中英文字词句释义及详细解析
释义 CBY系列齿轮泵

长江液压件厂生产

(1)型号说明

CB Y * * * *-* *-*

❶ ❷ ❸ ❹ ❺ ❻ ❼ 

❶ 名称:齿轮泵

❷ 系列代号

❸ 组别

❹ 排量(mL/r)

❺ 法兰形式

A——菱形

B——方形

C——英制菱形

❻ 轴伸形式

1——平键

2——矩形花键(小径定心)

3——渐开线花键

4——矩形花键(大径定心)

❼ 旋向(从轴端看)

L——逆时针

R——顺时针

(2)性能参数

见表13.5-38。

表13.5-38 CBY系列齿轮泵性能参数

随便看

 

离鸟网收录3541549条中英文词条,其功能与新华字典、现代汉语词典、牛津高阶英汉词典等各类中英文词典类似,基本涵盖了全部常用中英文字词句的读音、释义及用法,是语言学习和写作的有利工具。

 

Copyright © 2004-2024 vtrois.com All Rights Reserved
更新时间:2026/4/21 19:05:19