网站首页  词典首页


请输入您要查询的字词:

 

字词 CBIF系列齿轮泵
类别 中英文字词句释义及详细解析
释义 CBIF系列齿轮泵

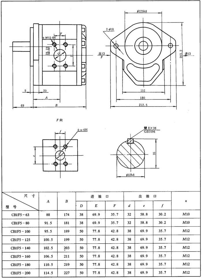
该泵采用DU轴承和高强度挤压成形铝合金壳体。阜新液压件厂生产。

(1)型号说明

CB 1 F *- * * * * *

❶ ❷ ❸ ❹ ❺ ❻ ❼ ❽ ❾ 

❶ 名称:齿轮泵

❷ 系列代号

❸ 阜液代号

❹ 组别代号(3、4、5)

❺ 排量(mL/r)

❻ 安装形式

A——菱形

C——长方形

❼ 油口连接方式

F——法兰

L——螺纹

❽ 轴伸形式

P——圆柱形

K——渐开线

❾ 旋向:顺时针不注,逆时针注“X”

(2)性能参数

见表13.5-46。

表13.5-46 CBIF系列齿轮泵性能参数

随便看

 

离鸟网收录3541549条中英文词条,其功能与新华字典、现代汉语词典、牛津高阶英汉词典等各类中英文词典类似,基本涵盖了全部常用中英文字词句的读音、释义及用法,是语言学习和写作的有利工具。

 

Copyright © 2004-2024 vtrois.com All Rights Reserved
更新时间:2026/4/18 20:16:07