网站首页  词典首页


请输入您要查询的字词:

 

字词 注塑机的选择
类别 中英文字词句释义及详细解析
释义

注塑机的选择


选择合适的注塑机是注塑加工正常进行的前提,选择注塑机要以下列参数校核为依据。

2.1.2.1 最大注射量

注塑模一次成型的塑料重量(塑件与流道凝料之和)应在注塑机理论注射量的10%~80%之间;既能保证制品质量,又可充分发挥设备的能力,则选在50%~80%之间为好。

2.1.2.2 注射压力

注塑加工时所需注射压力与塑料品种、塑件的形状及尺寸、注塑机类型、喷嘴及模具流道的阻力等因素有关。选择的注塑机的注射压力必须大于成型制品所需的注射压力。根据经验,成型所需注射压力范围如下:

①塑件形状简单,熔体流动性好,厚壁者,所需注射压力一般小于70MPa;

②塑件形状一般,精度要求一般,熔体流动性好者,所需注射压力通常选70~100MPa;

③塑件形状一般,有一定精度要求,熔体粘度中等(如改性PE、PS),所需注射压力选100~140MPa;

④塑件壁薄、尺寸大,壁厚不均,精度要求高,熔体粘度高者,注射压力选为100~140MPa。

热塑性塑料注射成型所需注射压力也可由理论分析得出,如采用流动分析软件,则更为准确合理。

2.1.2.3 锁(合)模力

锁(合)模力为注射机锁模装置用于夹紧模具的力。所选注塑机的锁(合)模力必须大于由于高压熔体注入模腔而产生的胀模力,此胀模力等于塑件和流道系统在分型面上的投影面积与型腔压力的乘积。即:

式中 F——锁(合)模力(kN)

p——型腔压力(MPa)

A——塑件及流道系统在分型面上的投影面积(mm2)

型腔压力因塑料品种、塑件复杂程度及精度不同而不同,可由表2-2、表2-3选取。

表2-2 常用塑料选用的型腔压力

表2-3 不同塑件选用的型腔压力

2.1.2.4 模具安装尺寸校核

注射模安装尺寸需校核的项目有:喷嘴尺寸、定位圈尺寸、模具外形尺寸及模具厚度。

1.喷嘴尺寸

注射模主流道衬套始端凹坑的球面半径R应大于注塑喷嘴球头半径r,以保证同心和紧密接触,通常R=r+(0.5~1)mm。主流道孔小端直径D应大于注塑机喷嘴直径d,通常取D=d+(0.5~1)mm。如图2-1所示。

图2-1 喷嘴与主流道衬套的关系

2.定位圈尺寸

注射模安装用定位圈外径应与注塑机定位孔内径呈间隙配合,定位圈高度应小于定位孔深度。

3.模具外形尺寸

模具长宽尺寸应与注塑机的拉杆内间距相适应,以保证模具至少能从一个方向穿过拉杆间的空间安装在注塑机上。

4.模具厚度

注射模的厚度必须在所选注塑机的最大模厚到最小模厚之间。

5.模具固定尺寸

注塑机固定及移动模板上有许多不同间距的螺钉孔和“T”型槽,用于固定模具。模具固定方法有两种:第一种,螺钉直接固定(大型注射模多采用此法),此时模具动、定模固定板上的螺钉过孔及其间距必须与注塑机模板台面上对应的螺孔相一致;第二种,压板固定(中、小型模具多采用),只需模具动、定固定板附近有螺孔即可,压板固定形式如图2-2所示。

图2-2 模具压板固定方式

(a)通用固定压板 (b)专用固定压板 (c)压板放大图

1—螺钉 2—垫圈 3、6—螺母 4—压板 5—模具 7—专用垫圈 8—专用压板

2.1.2.5 开模行程的校核

开模取出塑件所需的开模距离必须小于注塑机的最大开模行程。开模行程的校核有三种情况。

(1)最大开模行程与模具的厚度无关对于液压-机械式锁模机构注塑机,其最大开模行程由注塑机曲肘机构的最大行程决定,与模具厚度无关。

其中:①单分型面注射模,其开模行程按下式校核,如图2-3所示。

图2-3 单分型面模具开模行程校核

1—定模 2—动模

S≥H1+H2+(5~10) (2-2)

式中 S——注塑机的最大开模行程(移动模板台面行程)(mm)

H1——塑件脱出距离(mm)

H2——包括流道凝料在内的塑件高度(mm)

②双分型面注射模,其开模行程按下式校核,如图2-4所示。

图2-4 双分型面模具开模行程校核

1—定模 2—定模型腔板 3—动模

S≥H1+H2+α+(5~10) (2-3)

式中 α——定模固定板与定模型腔板分开的距离(应保证取出主流道凝料)(mm)

塑件脱模距离H1通常等于模具型芯的高度,但对于内表面有阶梯的塑件,H1不必等于型芯的高度,以能顺利取出塑件为准,如图2-5所示。

图2-5 塑件内表面为阶梯状开模行程校核

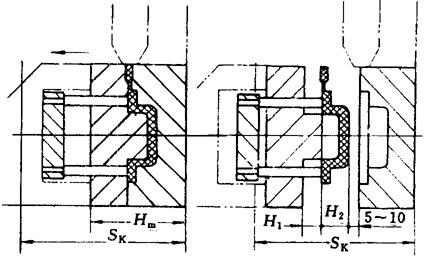
(2)注塑机最大开模行程与模具厚度有关对于全液压式锁模机构的注塑机,最大开模行程要受模具厚度的影响。此时的最大开模行程等于注塑机固定、移动模板台面之间的最大距离SK减去模具厚度Hm

其中:①单分型面注射模,其开模行程按下式校核,如图2-6所示。

图2-6 注塑机开模行程与模具厚度有关时开模行程校核

S=SK-Hm≥H1+H2+(5~10) (2-4)

SK≥Hm+H1+H2十(5~10) (2-5)

②双分型面注射模,其开模行程按下式校核。

S=SK-Hm≥H1+H2+α+(5~10) (2-6)

SK≥Hm+H1+H2+α+(5~10) (2-7)

式中 α——定模固定板与定模型腔板分开的距离(mm)

(3)需利用开模行程完成侧向抽芯开模行程的校核还应考虑为完成抽拔距l而需要的开模行程Hc,如图2-7所示。当Hc>H1+H2时,开模行程按下式校核:S≥Hc+(5~10)(mm);当Hc≤H1+H2时,仍按前述校核。

图2-7 有侧向抽芯时开模行程的校核

注意:各种新型号的注塑机的顶出装置、顶出方式、最大顶出距离等各不相同,设计模具时应该与之相适应。

随便看

 

离鸟网收录3541549条中英文词条,其功能与新华字典、现代汉语词典、牛津高阶英汉词典等各类中英文词典类似,基本涵盖了全部常用中英文字词句的读音、释义及用法,是语言学习和写作的有利工具。

 

Copyright © 2004-2024 vtrois.com All Rights Reserved
更新时间:2026/4/18 8:49:07