网站首页  词典首页


请输入您要查询的字词:

 

字词 柴油机主要调整参数的调整
类别 中英文字词句释义及详细解析
释义

柴油机主要调整参数的调整


(一)气门间隙的调整

气门处在完全关闭状态,气门杆尾端与气门摇臂之间的间隙称气门间隙。在使用过程中,由于零件的磨损和松动,将使气门间隙发生变化。如气门间隙变大,将使气门关闭得早,打开得晚,影响进气和排气的完善程度,即使柴油机进气不足,排气不尽,功率下降,油耗增加。如气门间隙变小,将使气门关闭不严,除使柴油机功率下降,油耗增加外,还会烧坏气门。所以,在柴油机使用过程中,应定期检查和调整气门间隙。

1.小型单缸柴油机气门间隙的检查与调整检查与调整的步骤和方法如下:

(1)找出活塞处在压缩行程上止点的位置。因为调整气门间隙时,气门必须处于完全关闭状态,当活塞处在压缩行程上止点位置时,进排气门均完全关闭,这就便于同时完成进排气门间隙的检查与调整。确定的方法是:将减压手柄放到减压位置,转动曲轴,观察进气门摇臂的动作,当进气门摇臂打开进气门时,再继续慢转曲轴,使飞轮轮缘上的上止点记号与水箱或防尘罩上的刻线对齐(图1-58),即为活塞处于压缩行程上止点位置,进排气门处于完全关闭状态。

图1-58 活塞处于压缩行程上止点标记

(2)检查气门间隙。检查方法如图1-59b所示。右手用改锥顶住气门间隙调整螺钉,左手将厚度与规定的气门间隙相等的厚薄规插入摇臂与气门杆之间,如插入后厚薄规在两者之间有旷量,说明气门间隙过大;如插不进去,说明气门间隙过小。间隙过大过小均需进行调整。

图1-59 气门间隙的检查与调整

a.调整 b.检查

(3)调整气门间隙。调整方法如图1-59a所示。

首先松开气门间隙调整螺钉的锁紧螺母,再拧动调整螺钉(顺时针拧,气门间隙变小;反之则大),并来回拉动厚薄规,当稍有阻力时,说明调整合适。

调整后,用螺丝刀保持调整螺钉不动,用扳手将锁紧螺母锁紧,最后转动曲轴两周,进行复查,如合适即调整正确,否则应重新调整。

2.多缸柴油机气门间隙的检查与调整 多缸柴油机(以495A型为例)气门间隙的检查与调整的步骤如下:

(1)确定1缸活塞压缩行程上止点位置。确定方法是转动曲轴并观察第1缸进气门摇臂的动作,当进气门开始打开以后,再缓慢转动曲轴观察飞轮轮缘上上止点记号。当飞轮上的上止点记号与机体上的刻线对准时,即停转曲轴。此时1缸活塞即处于压缩行程上止点位置,如图1-60所示。

图1-60 1缸活塞处于压缩行程上止点记号

(2)检查、调整气门间隙。检查与调整方法与单缸机相同,只是在检查调整顺序上有不同的方法。一种是逐缸调整法,另一种是两次调完法。

逐缸调整法是根据柴油机各缸工作顺序逐次调完4个缸的进排气门的气门间隙。495A型柴油机的工作顺序是1-3-4-2。所以当1缸活塞处压缩行程上止点时,先检查和调整1缸进排气门间隙,调好后转动曲轴180°,再调3缸进排气门间隙;调好后,再转动曲轴180°后,调4缸进排气门间隙;调好后再转曲轴180°,最后检查调整2缸进排气门间隙。这样,分4次调完各缸气门间隙。两次调完法是分两次调完所有气门的气门间隙,第一次调好4个气门间隙后,转动曲轴360°,第二次调完余下的4个气门间隙。每次调哪4个气门间隙,这要因发动机工作顺序、气门排列方式和配气相位的不同而不同。例如495A型柴油机的工作顺序是1-3-4-2;气门排列方式是排、进、进、排,排、进、进、排;在配气相位上,进排气都是早开晚闭。当第1缸活塞处于压缩行程上止点时,第1缸进、排气门第2缸进气门和第3缸排气门均处于完全关闭状态。所以第一次可以调上述4个气门间隙,如将气门从第1缸到第4缸的气门编序为1、2、3、4、5、6、7、8,即先调1、2、3、5号气门。调好后,转动曲轴360°,再调余下的4个气门间隙。如果柴油机工作顺序是1-3-4-2,进排气门早开晚闭,但气门排列方式是进、排、进、排、进、排、进、排,所以第一次应检查调整1缸进排气门、2缸进气门、3缸进气门,即先调1、2、3、6号气门,调好后,转动曲轴360°,再调其余4个气门间隙。

(二)供油提前角的检查与调整

1.供油提前角的概念 喷油泵在上止点前开始供油时,曲柄与气缸中心线之间的夹角,称为供油提前角。

2.供油提前角过大过小的害处 供油提前角过大,柴油在上止点前同时参与燃烧量较大,将造成燃烧不完全,气缸压力升高过快,对活塞作的负功增多。因此,使柴油机功率下降、油耗增加,同时加速零件的磨损。如供油提前角过小,柴油将在上止点后汽缸容积增大的条件下燃烧,传热损失增多,压力升高速度慢且最大压力下降,因此也使柴油机功率下降、油耗增加。所以只有最佳供油提前角才能使柴油机功率最大,油耗最低。

3.供油提前角的检查与调整 柴油机在出厂时已经调好,因在使用中零件磨损或松动,使供油提前角发生变化,所以应定期的检查和调整供油提前角使之恢复到最佳值。检查与调整的步骤和方法如下:

(1)拆下高压油管,再按图1-61a所示方法装好(管口朝上)。对于多缸柴油机,应松开第一缸高压油管紧帽,并使高压油管与喷油泵相连的一端脱开。

图1-61 单缸柴油机供油提前角的检查

a.高压油管出油 b.检查供油提前角

(2)将调速柄处在大油门位置,减压手柄放到减压位置。

(3)转动曲轴待管口或第一缸喷油泵出油口出油为止。

(4)反转飞轮90°~120°,再顺转飞轮(图1-61b)并观察管口,当管口或第1缸喷油泵出油口的油面出现波动时,立即停止转动,如水箱或飞轮外壳上的刻线对准飞轮上喷油刻线之间,说明供油提前角正常,否则应进行调整。

(5)调整供油提前角。柴油机供油提前角调整方法随机型而异。有的采用增减垫片法,有的采用转动泵体法,有的采用转动凸轮轴法。如X195、180、185等型号柴油机采用增减垫片法。即卸下喷油泵增加或减少喷油泵固定凸缘与机体(或齿轮室盖)之间的调整垫片进行调整。增垫片,供油提前角变小,减垫片,供油提前角变大。如495A、4100A、295A、395A等型号柴油机均采用转动泵体法进行供油提前角的调整,具体的操作方法是先拧松固定喷油泵的3个螺钉,然后转动泵体,逆时针转(从飞轮端看)或逆凸轮轴旋转方向转,供油提前角增大;反之,减小。调好后再将3个固定螺栓拧紧。

LR100/105型柴油机采用转动喷油泵凸轮轴方法调整供油提前角。调整时,先卸掉定时齿轮室盖上的喷油泵定时检查盖板,松开固定在定齿轮轮毂上的压板螺栓(图1-62)用套筒扳手套在凸轮轴轴端的六角螺母上,转动凸轮轴进行调整。逆凸轮轴旋转方向转动凸轮轴,供油提前角减小;顺凸轮轴旋转方向转动凸轴,供油提前角增大。调好后,拧紧压板螺钉,并装复检查孔盖板。

图1-62 LR100/105型柴油机供油提前角的调整

1.螺栓M8×30mm 2.喷油泵齿轮轮毂 3.喷油泵齿轮 4.喷油泵齿轮压板 5.圆柱头螺钉M5×12mm 6.喷油泵定时板 7.定时销 8.喷油泵固定法兰 9.喷油泵凸轮轴

(三)喷油器喷油压力的检查与调整

喷油压力大小直接影响柴油雾化程度和射程的大小。在使用中应定期检查和调整。检查和调整方法如图1-63所示,将喷油器安装到喷油器试验器上,并以每分钟80~100次的速度上下摇动手柄,喷油时压力表所示压力即为喷油压力。如喷油压力不符合要求,可拧掉锁母,用改锥拧动喷油压力调整螺钉的方法进行调整,顺时针拧动调整螺钉,喷油压力增大;反之,则减小。

图1-63 喷油器压力的检查与调整

1.喷油器试验器 2.喷油器 3.改锥

(四)减压机构的检查与调整

减压机构的检查方法是:将减压手柄放到减压位置,如转动曲轴感到轻松;将减压手柄放回非减压位置,转动曲轴感到吃力(由于被压缩气体对活塞存在反作用阻力),则说明减压机构作用正常。否则,应用拧动减压螺钉(对于减压螺钉减压机构)或拧动偏心减压座(对偏心减压机构)的方法进行调整,分别如图1-64和图1-65所示。调到减压机构工作正常后,再将锁紧螺母锁紧。

图1-64 减压螺钉减压机构的调整

1.减压手柄 2.指示盘 3.排气门摇臂 4.减压轴 5.减压调整螺钉 6.减压棘轮 7.减压棘爪

图1-65 偏心减压机构的调整

(五)配气相位的检查与调整

配气相位是指柴油机进排气门开启和关闭时在上下止点前后的曲柄转角和进排气门持续开启所占的曲柄转角。如95A系列柴油机进气门在上止点前8°时打开,在下止点后48°关闭,持续开启所占的曲柄转角为236°;排气门在下止点前48°打开,上止点后8°关闭,持续开启所占的曲柄转角为236°。

配气相位在出厂时已经调好,由定时齿轮与凸轮轴安装记号(或连接键)保证。

因为整体式凸轮轴各缸凸轮的相对位置是固定的,所以在检查配气相位时,只要检查其中一个凸轮的相位即可。一般以1缸进气凸轮为准,进行配气相位的检查。检查的步骤如下:

(1)调好气门间隙。

(2)逆时针转动飞轮,直至4缸开始喷油(四缸柴油机)或2缸开始喷油(二、三缸柴油机)。

(3)在汽缸盖放一带支架的百分表,表的触头触及1缸进气门弹簧座的上平面,并有一定的压缩量,如图1-66所示。

图1-66 配气相位的检查

(4)缓慢转动飞轮,并观察表针的动作,当表针开始转动的一瞬间,进气门已开始打开,飞轮上的“1”上止点刻线应处在机体上基准刻线的右侧,相距基准刻线的齿数或轮缘长度应符合要求。对于95A系列柴油机,相距的齿数应是2.5~3齿。如果不符要求应进行调整。调整方法是松开凸轮轴齿轮的3个固定螺钉,转动凸轮轴,达到配气相位的要求后,再拧紧3个固定螺钉。对于键连接,可按配气相位的要求换用“”形键进行调整。

(六)机油压力的调整

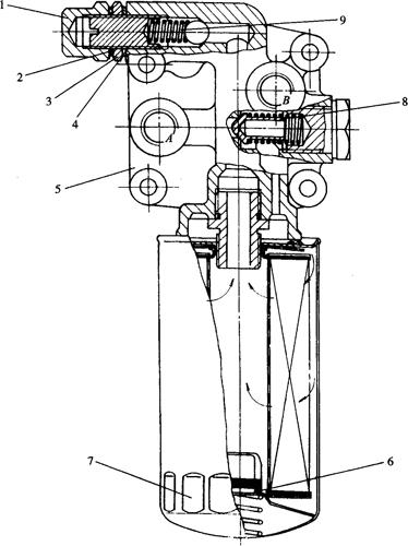
当机油压力表在柴油机标定工况下所示压力超过正常范围,即应拧动机油滤清器上的机油压力调整螺钉进行调整。例如,东方红LR100/105系列柴油机在调整机油压力时,先拧掉主油道限压阀螺母(图1-67),再拧松调整螺钉锁母,然后用改锥拧动调整螺钉进行调整。向里拧弹簧预紧力增大,机油压力提高;反之,机油压力降低。

图1-67 机油压力的调整

1.主油道限压阀螺母 2.垫片 3.锁紧螺母 4.主油道限压阀调整螺钉 5.机油滤清器底座 6.安全阀 7.机油滤清器 8.冷却器旁通阀 9.限压阀弹簧

A.油泵来油进冷却器 B.冷却器回油进滤清器

单缸柴油机多采用机油压力指示器标明机油压力是否正常。如果指示不正常可通过更换弹簧进行调整。

(七)风扇皮带张紧力的检查与调整

风扇皮带张紧力过大,将加剧轴承和皮带的磨损和皮带的拉长变形;如皮带张紧力过小,使其驱动的部件转速下降,以致发电机电压、风扇鼓风量和循环水量降低,影响柴油机的正常工作。所以,应对皮带张紧力进行定期的检查与调整。检查的方法是在皮带中部施加一定的压力,测量按下的下陷量来确定其松紧程度。如按下的下陷量过大,说明皮带过松;反之,则过紧。如95A系列柴油机,以20~50N的力在皮带中部按下10~20mm,说明皮带松紧正常。否则,应进行调整。调整方法随机型而异,有的采用专门张紧轮进行调整;有的采用改变发电机固定位置进行调整。

随便看

 

离鸟网收录3541549条中英文词条,其功能与新华字典、现代汉语词典、牛津高阶英汉词典等各类中英文词典类似,基本涵盖了全部常用中英文字词句的读音、释义及用法,是语言学习和写作的有利工具。

 

Copyright © 2004-2024 vtrois.com All Rights Reserved
更新时间:2026/4/20 0:42:51