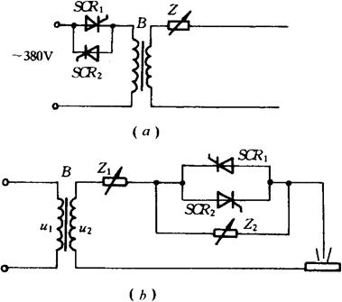
晶闸管弧焊电源有交流和直流两类,它是利用晶闸管的单向可控导电性及其触发电路中不同反馈获得所需的外特性,并调节焊接电压和电流。交流晶闸管弧焊电源的原理线路如图11-8所示。其特点是由一组反极性并联的晶闸管串联在降压变压器的原边或副边交流回路中。通过对SCR1、SCR2导通角的控制,获得不同的外特性和所需焊接电压和电流。

图11-8 交流晶闸管弧焊电源原理图
(a)交流断续器置于网路电压侧
(b)交流断续器置于次级侧
直流晶闸管弧焊电源原理如图11-9所示。图中T为三相平特性降压变压器,将380V降至几十伏电压。SCR为晶闸管可控整流桥,将交流电变成直流电,并通过控制信号的改变获得所需的外特性和电流、电压的数值。Ldc为输出电抗器,可以改善动特性、控制熔滴过渡、减少飞溅。由电流、电压检测和反馈电路M,获取的反馈信号与来自给定电路G的给定信号比较后,经运算放大器放大送至脉冲移相电路,控制SCR的导通角,实现对外特性的控制和工艺参数电流、电压的调节。

图11-9 直流晶闸管弧焊电源原理框图